http://www.polynominal.com/site/studio/gear/sold/crumar_performer/crumar-logo.gif
Liens vers le mode d'emploi du Crumar DS 1/2 en Italien, Français, Anglais et Allemand :
http://soundprogramming.net/manuals/Crumar_DS2_Manual.pdf
(avec programmation de son)
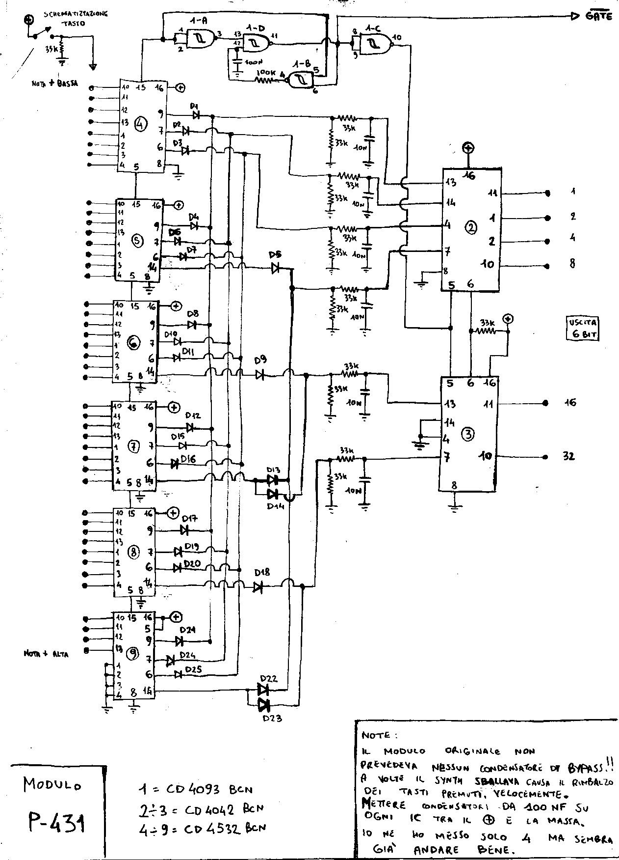
Liens vers le schéma des composants:
http://soundprogramming.net/manuals/Crumar_DS2_Schematics.pdf






Avez-vous trouvé cette astuce utile ?20