Rendre l'entrée gate universellement compatible.
EDIT 2019: Alternative plus accessible de nos jours: le TTSH Gate booster (disponible par exemple sur Oshpark)
L'astuce a été trouvée sur un thread du forum Muffwiggler. Elle aurait été développée par Florian Anwanders.
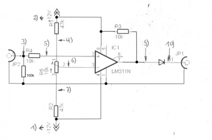
Il s'agit de construire un petit circuit qui va convertir tout voltage de 2 à 15 V en 15 V.
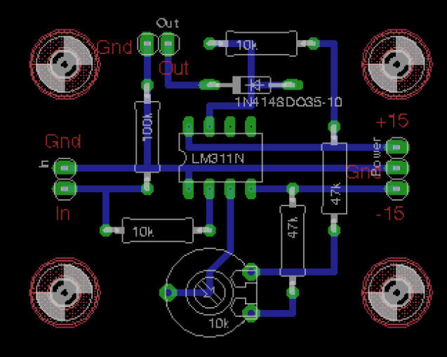
Le circuit:
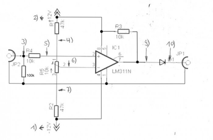
Attention en haut à droite, la piste reliant les résistances de 10k et 47k est aussi connectée avec la piste reliant le +15 V au pin 8 du LM311N !
Le schéma:
Je viens de finir de le construire et ça fonctionne! ![]()
Petites précisions:
- Comme on peut le voir, sur l'image du circuit les voltages d'alimentations sont notés + et - 15 V et sur le schéma + et - 12 V. En fait, le LM311N veut entre 5 et 15 V, donc en gros il faut simplement se brancher sur les + et - 14 V du synthé.
- Le trimmer sert à établir le seuil qui va décider selon la valeur du voltage entrant si oui ou non il est pris en compte pour envoyer le 15 V à la sortie. Je l'ai réglé à 2 V.
- Ici, j'obtiens un voltage de sortie de 13.3 V et ça va très bien car mon model 101 se trig correctement à partir de 10-11 V. C'est aussi très proche de ce que le clavier du synthé envoie lui-même, c'est-à-dire 13.2 V.
- Pour son placement, il faut repérer le câble qui est relié au point 55 en haut à gauche sur la carte de droite (VCF/VCA). Si on le dessoude, il faut le connecter au IN du petit circuit bricolé et connecter le point 55 au OUT.
Bon courage! 
Avez-vous trouvé ce tutoriel utile ?10
Réagir à ce tutoriel
(1)
-
gihaumePosteur·euse AFfamé·ePosté le 10/08/2019 à 02:32:26Alternative plus accessible de nos jours: le TTSH Gate booster (disponible par exemple sur Oshpark)





