Vous connaissez ce truc ?
- 26 réponses
- 9 participants
- 5 847 vues
- 8 followers

fruitcake
8880

Je poste, donc je suis
Membre depuis 22 ans
Sujet de la discussion Posté le 11/05/2005 à 16:13:14Vous connaissez ce truc ?
On me propose ce machin, ça vaut quoi ?
merci d'avance
merci d'avance

- 1
- 2

Anonyme
521397

2 Posté le 11/05/2005 à 16:57:33
C'est un ancien Vox qui fonctionnait sur batterie ou secteur.
Sympatoche comme ampli ! c'est pas tout jeune ...
Sympatoche comme ampli ! c'est pas tout jeune ...
0

fruitcake
8880

Je poste, donc je suis
Membre depuis 22 ans
3 Posté le 11/05/2005 à 16:58:25
Ok, merci
0

Anonyme
521397

4 Posté le 11/05/2005 à 16:58:51
Voici un lien sur cet ampli :
http://www.voxshowroom.com/uk/amp/escort.html
http://www.voxshowroom.com/uk/amp/escort.html
0

fruitcake
8880

Je poste, donc je suis
Membre depuis 22 ans
5 Posté le 11/05/2005 à 16:59:19

0

Anonyme
521397

6 Posté le 11/05/2005 à 17:00:46
Quelques avis :
http://harmony-central.com/Guitar/Data/Vox/Escort-01.html

http://harmony-central.com/Guitar/Data/Vox/Escort-01.html

0

Anonyme
521397

7 Posté le 12/05/2005 à 14:48:39



0

fruitcake
8880

Je poste, donc je suis
Membre depuis 22 ans
8 Posté le 12/05/2005 à 17:32:23
C'est mimi
0

vox06
478

Posteur·euse AFfamé·e
Membre depuis 21 ans
9 Posté le 16/06/2005 à 19:28:29
Salut Valcan,
est-ce que tu possèdes cet ampli ?
quelle est la batterie qu'on utilise dessus ?
A+
est-ce que tu possèdes cet ampli ?
quelle est la batterie qu'on utilise dessus ?
A+

0
pour atteindre l’inaccessible étoile

Anonyme
521397

10 Posté le 17/06/2005 à 10:43:04
Salut ;)
Hélas non, je ne possède pas cet ampli !
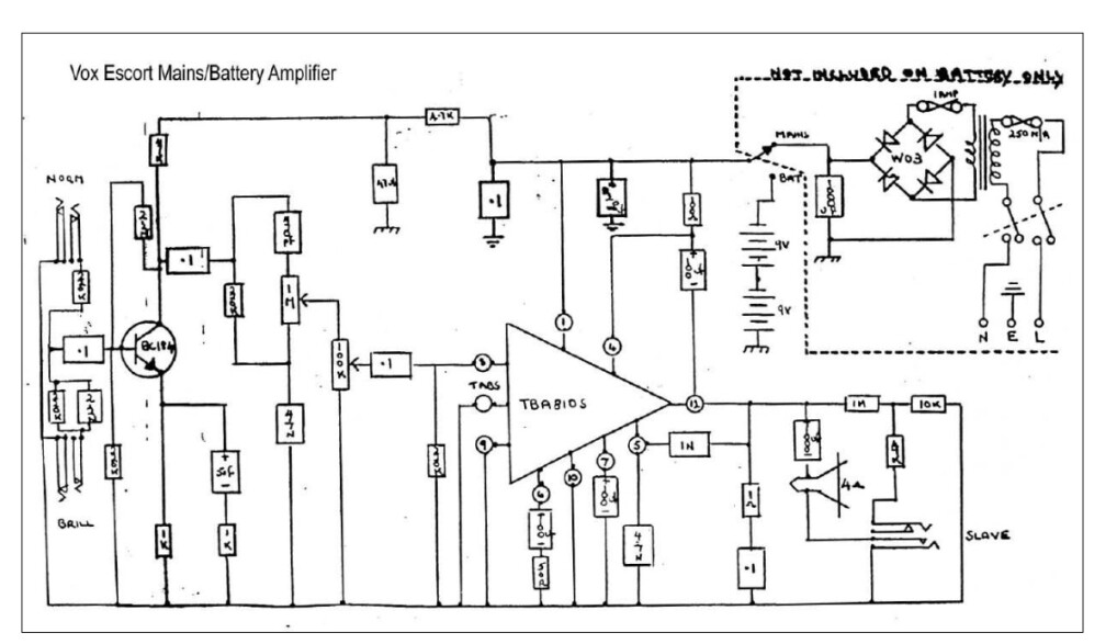
D'après le schéma ce serait 2 batteries de 9 V, à confirmer ...
@+
Hélas non, je ne possède pas cet ampli !
D'après le schéma ce serait 2 batteries de 9 V, à confirmer ...
@+
0

vox06
478

Posteur·euse AFfamé·e
Membre depuis 21 ans
11 Posté le 17/06/2005 à 22:25:27

hello valcan, si tu dis hélas c'est que tu connais bien le bestiaux.
D'après toi c'est vraiment un petit exploit cet ovni, en as-tu déjà entendu ?
A+
0
pour atteindre l’inaccessible étoile

Anonyme
521397

12 Posté le 21/06/2005 à 08:48:06
Non pas entendu cet ampli, mais il est très bien noté sur Harmony
et j'ai loupé celui de Christophue Dupeu (il a été harmo de Johnny)
qui le vendait sur Mégazic ... et puis il y a le côté vintage qui me plait
bien aussi !
Si tu en voit un pas cher ça vaut le coup ...
@+
et j'ai loupé celui de Christophue Dupeu (il a été harmo de Johnny)
qui le vendait sur Mégazic ... et puis il y a le côté vintage qui me plait
bien aussi !
Si tu en voit un pas cher ça vaut le coup ...
@+
0

vox06
478

Posteur·euse AFfamé·e
Membre depuis 21 ans
13 Posté le 22/06/2005 à 08:09:32
OK, salut ! 

0
pour atteindre l’inaccessible étoile

jean-leon
39

Nouvel·le AFfilié·e
Membre depuis 18 ans
14 Posté le 26/01/2009 à 14:01:34

jacqn
275

Posteur·euse AFfamé·e
Membre depuis 18 ans
15 Posté le 26/01/2009 à 14:16:12
J'ai cet ampli depuis 1977-8 !
j'ai joué dessus sur les plages d'espagne en 1979-80
(bordel, je rajeuni pas moi)
il est vraiment trop chouette - les tone et volume sont effectivement très efficaces, il y a 2 entrées - le son est vraiment bien
je n'ai plus de batterie depuis 20 ans mais ce sont des très grosses 9V cubiques qui coûtaient vachement cher à l'époque
j'ai joué dessus sur les plages d'espagne en 1979-80

il est vraiment trop chouette - les tone et volume sont effectivement très efficaces, il y a 2 entrées - le son est vraiment bien
je n'ai plus de batterie depuis 20 ans mais ce sont des très grosses 9V cubiques qui coûtaient vachement cher à l'époque
0

jean-leon
39

Nouvel·le AFfilié·e
Membre depuis 18 ans
16 Posté le 26/01/2009 à 17:42:35
Je n'ai jamais joué sur pile mais je me pose la question de l'autonomie ?
ce sont des batterie 9v/pp9 on en trouve sur internet mais c'est vrai, le prix est demotivant (environ 6€ +les frais de port)
ce sont des batterie 9v/pp9 on en trouve sur internet mais c'est vrai, le prix est demotivant (environ 6€ +les frais de port)
0
Jean leon

jacqn
275

Posteur·euse AFfamé·e
Membre depuis 18 ans
17 Posté le 26/01/2009 à 18:24:00
Heu me souviens plus de l'autonomie
on jouait quelques soirs avec quand même
on jouait quelques soirs avec quand même
0

vox06
478

Posteur·euse AFfamé·e
Membre depuis 21 ans
18 Posté le 27/01/2009 à 17:24:52
Ma foi...
si tu es embêté par les batteries, vends-le moi, fais-moi une proposition.
Bye
si tu es embêté par les batteries, vends-le moi, fais-moi une proposition.
Bye
0
pour atteindre l’inaccessible étoile

jean-leon
39

Nouvel·le AFfilié·e
Membre depuis 18 ans
19 Posté le 29/01/2009 à 14:32:49
Ben voila ...le probleme avec cette petite bete c'est qu'on s'y attache vraiment .
0
Jean leon

vincent.b33
256

Posteur·euse AFfamé·e
Membre depuis 16 ans
20 Posté le 10/09/2009 à 22:04:34
j'en aie achetè un sur ebay vous pouriez me donnez quelque info dessus ou un mode d'emploi?sinon j'ador cet ampli je m'en sert pour les court ou le boulot a la maison le mien et de 1975 il fait parti des amplis a conserver y parait qu'il existe a lampe
0
mon groupe my space/dunkelgeist
[ Dernière édition du message le 10/09/2009 à 22:08:09 ]

Tchik'Type
654

Posteur·euse AFfolé·e
Membre depuis 21 ans
21 Posté le 30/01/2015 à 10:34:03
Mon père avait trouvé ce petit ampli aux encombrants quand j'étais ado, à la fin des années 80.
Fusible changé, le truc marchait nickel.
Vers 17 ans je l'ai pas mal utilisé en répète avec mon premier groupe, mais tu peux pas brancher une basse sur un Vox Escort à fond pendant 8 heures tous les samedis. Le hp n'a pas tenu.
Et là, plus de 20 ans après, changement de HP, bonheur complet.
J'avais oublié à quel point ce petit truc sonnait bien.
Un vrai bonheur en appartement, le soir, et même la nuit. Un son super équilibré, à la foi velouté et claquant. Et un unique potar de tone mille fois plus efficace que tous les étages d'équa de tous les amplis du Monde.
Bref, une petite bombe.
J'ai quand-même une question pour les autres possesseurs.
La prise jack sur le côté est théoriquement un "Line Out" permettant de jouer au casque ou de brancher directement le Vox Escort sur une console. Et là en direct console le son (clair)est bluffant, super agréable, mais accompagné d'un gros souffle genre bruit rose. Par ailleurs, cela ne fonctionne pas lorsque j'enfonce le jack à fond dans la prise, il faut que je le tire un cran en arrière afin d'avoir du son (et du souffle). Le fait d'utiliser un jack mono ou stereo ne change rien.
Pouvez-vous me dire si c'est la même chose de votre côté ?(je ne pense pas)
Merci d'avance !
Fusible changé, le truc marchait nickel.
Vers 17 ans je l'ai pas mal utilisé en répète avec mon premier groupe, mais tu peux pas brancher une basse sur un Vox Escort à fond pendant 8 heures tous les samedis. Le hp n'a pas tenu.
Et là, plus de 20 ans après, changement de HP, bonheur complet.
J'avais oublié à quel point ce petit truc sonnait bien.
Un vrai bonheur en appartement, le soir, et même la nuit. Un son super équilibré, à la foi velouté et claquant. Et un unique potar de tone mille fois plus efficace que tous les étages d'équa de tous les amplis du Monde.
Bref, une petite bombe.
J'ai quand-même une question pour les autres possesseurs.
La prise jack sur le côté est théoriquement un "Line Out" permettant de jouer au casque ou de brancher directement le Vox Escort sur une console. Et là en direct console le son (clair)est bluffant, super agréable, mais accompagné d'un gros souffle genre bruit rose. Par ailleurs, cela ne fonctionne pas lorsque j'enfonce le jack à fond dans la prise, il faut que je le tire un cran en arrière afin d'avoir du son (et du souffle). Le fait d'utiliser un jack mono ou stereo ne change rien.
Pouvez-vous me dire si c'est la même chose de votre côté ?(je ne pense pas)
Merci d'avance !
0

substitutefr
8

Nouvel·le AFfilié·e
Membre depuis 14 ans
22 Posté le 27/03/2022 à 19:34:36
Bien le bonjour à tous !
Je déterre le sujet pour une petite question
Cet ampli est mon premier ampli, que j’ai gardé
Il y a fort fort longtemps, je dans les années 80 j’avais bousillé le HP que j’avais remplacé par un HP d’autoradio…, j’étais jeune et bricolo
J’ai ressorti récemment ce petit ampli et je me disais qu’un vrais hp pourrait lui faire du bien
Mais les 5 pouces en 4 ohms sont rares ( introuvables a priori)
J’en ai trouvé un en 8 ohm mais vu la puissance de la bête ( 2,5 watts ) j’ai peur que ça diminue trop fortement le rendu .
Quelqu’un a déjà changé le HP de ce merveilleux ampli ?
Et avec quoi du coup ?
Pour répondre au message précédent après 7 ans , oui la prise sortie du casque est bizarre et on doit enfoncer le jack qu’a mi course pour avoir du son …
Je déterre le sujet pour une petite question
Cet ampli est mon premier ampli, que j’ai gardé
Il y a fort fort longtemps, je dans les années 80 j’avais bousillé le HP que j’avais remplacé par un HP d’autoradio…, j’étais jeune et bricolo
J’ai ressorti récemment ce petit ampli et je me disais qu’un vrais hp pourrait lui faire du bien
Mais les 5 pouces en 4 ohms sont rares ( introuvables a priori)
J’en ai trouvé un en 8 ohm mais vu la puissance de la bête ( 2,5 watts ) j’ai peur que ça diminue trop fortement le rendu .
Quelqu’un a déjà changé le HP de ce merveilleux ampli ?
Et avec quoi du coup ?
Pour répondre au message précédent après 7 ans , oui la prise sortie du casque est bizarre et on doit enfoncer le jack qu’a mi course pour avoir du son …
0

latole
10218

Drogué·e à l’AFéine
Membre depuis 10 ans
23 Posté le 28/03/2022 à 17:27:54
Démarre un nouveau sujet, tu auras plus de réponse
Car le titre actuel ne correspond pas du tout a ta demande et c'est par hasard que je me suis rendu à la fin.
Le h-p d'auto radio dans l'ampli, il fonctionne ou pas ?
On dit que c'est 3.4 watts
https://www.voxshowroom.com/uk/amp/escort.html


Car le titre actuel ne correspond pas du tout a ta demande et c'est par hasard que je me suis rendu à la fin.
Le h-p d'auto radio dans l'ampli, il fonctionne ou pas ?
On dit que c'est 3.4 watts
https://www.voxshowroom.com/uk/amp/escort.html


0
[ Dernière édition du message le 28/03/2022 à 17:33:03 ]

latole
10218

Drogué·e à l’AFéine
Membre depuis 10 ans
24 Posté le 28/03/2022 à 17:36:57
C'est comme ton ampli ?


0

latole
10218

Drogué·e à l’AFéine
Membre depuis 10 ans
25 Posté le 28/03/2022 à 17:41:43
À part un 8 pouces 4 ohms Jensen, je ne vois pas
Et définitivement un h-p non conçu pour la guitare occasionne une perte de son. Cet h-p sont beaucoup moins efficace, sensible
Et définitivement un h-p non conçu pour la guitare occasionne une perte de son. Cet h-p sont beaucoup moins efficace, sensible
0
- < Liste des sujets
- Charte
- 1
- 2