aide demandée Koch LB-120 II 8 ohms en rade
- 14 réponses
- 3 participants
- 909 vues
- 3 followers

Knex31
71

Posteur·euse AFfranchi·e
Membre depuis 21 ans
Sujet de la discussion Posté le 13/03/2022 à 19:46:13Koch LB-120 II 8 ohms en rade
Salut Audiofanzine,
Est-ce que l’un d’entre vous a un attenuateur Koch LB-120 II 8 ohms?
J’ai besoin d’avoir la référence (chiffres et lettres) de 2 composants (2 résistances ) et faire 4 points de soudure pour le réparer…
Quand on regarde à travers la grille, sur le circuit imprimé du bas, ce sont les 2 et 3eme composants
blanc en partant de la droite vers la gauche(cf. photo)
Le SAV Koch a l’air de s’en battre les steacks complet, il ne répondent pas depuis que j’envoie des messages (le premier date de décembre).
Un grand merci d’avance pour votre aide!!
Est-ce que l’un d’entre vous a un attenuateur Koch LB-120 II 8 ohms?
J’ai besoin d’avoir la référence (chiffres et lettres) de 2 composants (2 résistances ) et faire 4 points de soudure pour le réparer…
Quand on regarde à travers la grille, sur le circuit imprimé du bas, ce sont les 2 et 3eme composants

blanc en partant de la droite vers la gauche(cf. photo)
Le SAV Koch a l’air de s’en battre les steacks complet, il ne répondent pas depuis que j’envoie des messages (le premier date de décembre).
Un grand merci d’avance pour votre aide!!

latole
10218

Drogué·e à l’AFéine
Membre depuis 10 ans
2 Posté le 14/03/2022 à 10:00:28
C'est résistances ne montrent pas de signe de dommage.
Pourquoi vouloir les remplacer ?
Par contre sur la photo du haut, elles semblent absentes !
Ce serait d'en acheter et de les souder probablement ? D'où ta demande ?
Un MP à ces membres ?
https://en.audiofanzine.com/guitar-power-attenuator/koch/lb120-loadbox-ii-16-ohm/
Ou mieux, au membre CREACHamp. Il a réponse a tout.
Pourquoi vouloir les remplacer ?
Par contre sur la photo du haut, elles semblent absentes !
Ce serait d'en acheter et de les souder probablement ? D'où ta demande ?
Un MP à ces membres ?
https://en.audiofanzine.com/guitar-power-attenuator/koch/lb120-loadbox-ii-16-ohm/
Ou mieux, au membre CREACHamp. Il a réponse a tout.
0
[ Dernière édition du message le 14/03/2022 à 10:12:12 ]

Knex31
71

Posteur·euse AFfranchi·e
Membre depuis 21 ans
3 Posté le 14/03/2022 à 10:12:31
En les démontant pour les tester, la céramique s'est désagrégée et le composant était comme brulé à l'intérieur. De plus, pas de continuité et résistance infinie.
Donc j'en ai déduis que les résistances étaient mortes.
Donc j'en ai déduis que les résistances étaient mortes.
0

latole
10218

Drogué·e à l’AFéine
Membre depuis 10 ans
4 Posté le 14/03/2022 à 10:15:25
C'est limpide. Elle sont a remplacer .
J'éloignerais les nouvelles du circuit et des autre résistances ( en les soulevant ) pour une meilleure dissipation de la chaleur
J'éloignerais les nouvelles du circuit et des autre résistances ( en les soulevant ) pour une meilleure dissipation de la chaleur
0
[ Dernière édition du message le 14/03/2022 à 10:31:01 ]

Knex31
71

Posteur·euse AFfranchi·e
Membre depuis 21 ans
5 Posté le 14/03/2022 à 10:23:37
Merci pour les tuyaux!
0

CREACH amp
1107

AFicionado·a
Membre depuis 6 ans
6 Posté le 14/03/2022 à 17:08:31
Bonjour à vous,
Je viens de leurs envoyer un message, peut être que ils finiront par répondre.
C'est vrai que tout les fabricants ne répondent pas...
On dirait les résistances qui vont au petits pourcentage de sortie comme 2 et 5% tu as un ampli de quelle puissance?
Je viens de leurs envoyer un message, peut être que ils finiront par répondre.
C'est vrai que tout les fabricants ne répondent pas...
On dirait les résistances qui vont au petits pourcentage de sortie comme 2 et 5% tu as un ampli de quelle puissance?
0

Knex31
71

Posteur·euse AFfranchi·e
Membre depuis 21 ans
7 Posté le 14/03/2022 à 17:19:29
Bonjour CREACH,
J'avais mis un msg sur fcbk et une personne de KOCH m'a répondu! J'ai le schéma donc c'est bon, y'a plus qu'a aller chercher les 2 résistances et les souder.
Effectivement c'est sur le circuit 1% je crois, mais je préfère avoir un boitier totalement fonctionnel pour éviter de blesser mon Selmer T&B 50SV
J'avais mis un msg sur fcbk et une personne de KOCH m'a répondu! J'ai le schéma donc c'est bon, y'a plus qu'a aller chercher les 2 résistances et les souder.
Effectivement c'est sur le circuit 1% je crois, mais je préfère avoir un boitier totalement fonctionnel pour éviter de blesser mon Selmer T&B 50SV
0

CREACH amp
1107

AFicionado·a
Membre depuis 6 ans
8 Posté le 14/03/2022 à 18:05:24
Bon ben c'est bon si tu as eu une réponse.
...Normalement ton Selmer ne craint pas ce genre de panne sur ta loadbox, il à déjà une résistance à la sortie pour le protéger en cas de problème sur ton hp ou câble ou loadbox pour le coup. (une loadbox de sécurité pour simplifier)
Je monte ça aussi dans mes amplis.

...Normalement ton Selmer ne craint pas ce genre de panne sur ta loadbox, il à déjà une résistance à la sortie pour le protéger en cas de problème sur ton hp ou câble ou loadbox pour le coup. (une loadbox de sécurité pour simplifier)
Je monte ça aussi dans mes amplis.

0

latole
10218

Drogué·e à l’AFéine
Membre depuis 10 ans
9 Posté le 14/03/2022 à 18:42:01
Citation de Knex31 :
Bonjour CREACH,
J'avais mis un msg sur fcbk et une personne de KOCH m'a répondu! J'ai le schéma donc c'est bon, y'a plus qu'a aller chercher les 2 résistances et les souder.
Effectivement c'est sur le circuit 1% je crois, mais je préfère avoir un boitier totalement fonctionnel pour éviter de blesser mon Selmer T&B 50SV
On aimerais bien ça avoir le shéma nous aussi ........
0

Knex31
71

Posteur·euse AFfranchi·e
Membre depuis 21 ans
10 Posté le 15/03/2022 à 10:39:03
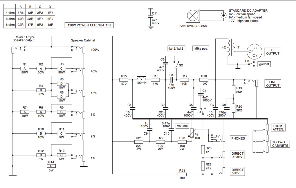
Et voilà!


0

latole
10218

Drogué·e à l’AFéine
Membre depuis 10 ans
11 Posté le 15/03/2022 à 10:42:54
Merci !
Tu as trouvé de quels résistances il s'agit ?
Tu as trouvé de quels résistances il s'agit ?
0

Knex31
71

Posteur·euse AFfranchi·e
Membre depuis 21 ans
12 Posté le 15/03/2022 à 10:51:14
oui, sur la carte les numéros R1, R2 etc... sont écrit. Il me fallait les R12 et 13. Donc rien de plus simple!
0

latole
10218

Drogué·e à l’AFéine
Membre depuis 10 ans
13 Posté le 15/03/2022 à 10:57:42
Il y a 3 valeurs possibles pour chacune de ces résistances , d'après le tableau
0

Knex31
71

Posteur·euse AFfranchi·e
Membre depuis 21 ans
14 Posté le 15/03/2022 à 11:01:01
Chaque valeur correspond à un modèle, 4, 8 ou 16 ohm. 8 pour le mien.
0

latole
10218

Drogué·e à l’AFéine
Membre depuis 10 ans
15 Posté le 15/03/2022 à 11:29:36
Donc une 22 et une 4.7 ohms
0
- < Liste des sujets
- Charte