Réparation de console PMP402B
- 15 réponses
- 5 participants
- 3 083 vues
- 4 followers
Etienne999
7

Nouvel·le AFfilié·e
Membre depuis 17 ans
26 Décembre 2008 à 17:06Réparation de console PMP402B
#1
Je possède une console PMP402B, qui a quelques petits problèmes (boutons cassés, lampe morte, faux contacts...); est-ce que quelqu'un connaît une adresse où on peut la faire remettre en état pour un prix raisonnable?
Merci d'avance pour tout avis!
Merci d'avance pour tout avis!
signaler
Bibinz
251

Posteur·euse AFfamé·e
Membre depuis 19 ans
24 Juin 2009 à 10:40
#2
Bonjour,
Ma pmp 402b fonctionne bien, mais je recherche la doc technique de cette table au cas ou j'aurais un problème avec.
Quelqu'un aurait il cette doc SVP ?
Etienne999 as tu trouvé un endroit pour ta réparation ?
Ma pmp 402b fonctionne bien, mais je recherche la doc technique de cette table au cas ou j'aurais un problème avec.
Quelqu'un aurait il cette doc SVP ?
Etienne999 as tu trouvé un endroit pour ta réparation ?
signaler
Bowie Kent
460

Posteur·euse AFfamé·e
Membre depuis 17 ans
24 Juin 2009 à 11:50
#3
Bonjour,
je remets des consoles à neuf assez frequement, tout dépend dans quel coin tu es ?
je remets des consoles à neuf assez frequement, tout dépend dans quel coin tu es ?
signaler
Etienne999
7

Nouvel·le AFfilié·e
Membre depuis 17 ans
24 Juin 2009 à 12:06
#4
Je suis à Paris 15ème, si tu es dans la région parisienne, je suis intéressé! Contacte-moi dans ce cas.
Pour Bibinz, je ne sais pas ce qu'il recherche exactement, mais j'ai le mode d'emploi d'origine de la PMP.
Pour Bibinz, je ne sais pas ce qu'il recherche exactement, mais j'ai le mode d'emploi d'origine de la PMP.
signaler
Bibinz
251

Posteur·euse AFfamé·e
Membre depuis 19 ans
24 Juin 2009 à 15:33
#5
Est ce qu'il te serait possible de scanner le mode d'emploi et de me l'envoyer par mail STP ?
(si ce n'est pas un gros bouquin bien sur !)
En fait je cherche tout ce qui est possible de trouver sur cette table car je ne comprends pas tout dans son fonctionnement.
J'ai aussi un ou deux composants qui grattent et je voudrais les remplacer par du neuf donc j'aurais besoin des schémas
(si ce n'est pas un gros bouquin bien sur !)
En fait je cherche tout ce qui est possible de trouver sur cette table car je ne comprends pas tout dans son fonctionnement.
J'ai aussi un ou deux composants qui grattent et je voudrais les remplacer par du neuf donc j'aurais besoin des schémas
signaler
Bibinz
251

Posteur·euse AFfamé·e
Membre depuis 19 ans
24 Juin 2009 à 15:36
#6
Si c'est OK pour me scanner le mode d'emploi, je te donnerai mon adresse mail par MP cela sera plus facile que par AF.
A+
A+
signaler
Etienne999
7

Nouvel·le AFfilié·e
Membre depuis 17 ans
24 Juin 2009 à 16:58
#7
OK, mais pas tout de suite (je suis en déplacement), j'attends ton MP.
signaler
Oudinlemagicien35
518

Posteur·euse AFfolé·e
Membre depuis 20 ans
23 Janvier 2013 à 21:16
#8
Bonjour
Je cherche également les schémas technique de la pmp 402 , HELP
Je cherche également les schémas technique de la pmp 402 , HELP
signaler
Bibinz
251

Posteur·euse AFfamé·e
Membre depuis 19 ans
24 Janvier 2013 à 09:43
#9
Bonjour,
Etienne999 ne me l'a jamais envoyé... et du coup j'ai revendu cette table.
Désolé je ne peux rien pour toi su ce coup.
Etienne999 ne me l'a jamais envoyé... et du coup j'ai revendu cette table.
Désolé je ne peux rien pour toi su ce coup.
signaler
Etienne999
7

Nouvel·le AFfilié·e
Membre depuis 17 ans
24 Janvier 2013 à 22:53
#10
J'ai ce schéma. Ecris-moi directement ou donne-moi une adresse et je te l'envoie, je ne sais pas faire autrement. Je l'avais proposé a bibinz, mais je n'ai jamais reçu son message. C'est un scan, il y en a plusieurs mégas.
signaler
Oudinlemagicien35
518

Posteur·euse AFfolé·e
Membre depuis 20 ans
24 Janvier 2013 à 22:58
#11
f6hqz
76

Posteur·euse AFfranchi·e
Membre depuis 17 ans
27 Mai 2025 à 12:47
#12
Bonjour à tous,
Je recherche le schéma de la POWER PMP402B afin de restaurer au mieux la mienne.
Cordialement,
Francois
Je recherche le schéma de la POWER PMP402B afin de restaurer au mieux la mienne.
Cordialement,
Francois
signaler
Etienne999
7

Nouvel·le AFfilié·e
Membre depuis 17 ans
28 Mai 2025 à 15:29
#13
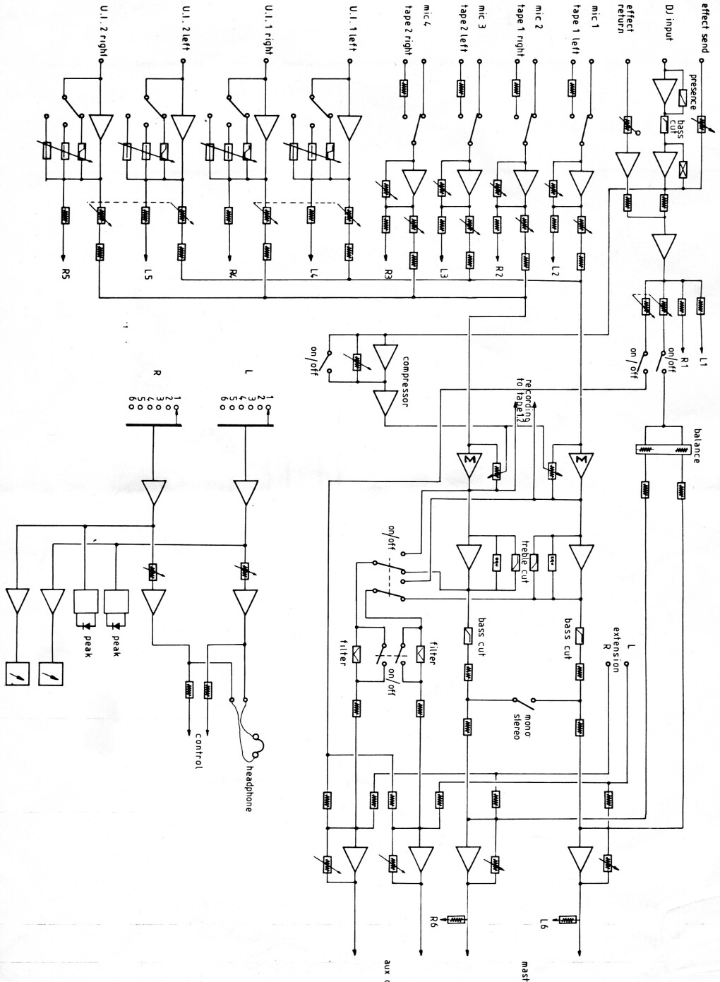
Voila le plan:

dis-moi si c'est passé.

dis-moi si c'est passé.
signaler
Etienne999
7

Nouvel·le AFfilié·e
Membre depuis 17 ans
28 Mai 2025 à 15:30
#14
J'ai le mode d'emploi complet en plus du plan, dis-moi si tu en veux plus.
signaler
f6hqz
76

Posteur·euse AFfranchi·e
Membre depuis 17 ans
28 Mai 2025 à 16:23
#15
Bonjour,
Merci, mais c'est le synoptique (que j'ai déjà récupéré). Je recherche le schéma électronique complet, pour maintenance.
Merci, mais c'est le synoptique (que j'ai déjà récupéré). Je recherche le schéma électronique complet, pour maintenance.
signaler
Etienne999
7

Nouvel·le AFfilié·e
Membre depuis 17 ans
28 Mai 2025 à 16:26
#16
Désolé, c'est tout ce que j'ai, je pensais que c'était le schéma complet, le reste est un mode d'emploi en texte, pas un plan. Je n'ai jamais vu ce plan électronique complet.
signaler
- < Liste des sujets
- Charte