Freevox DJ4 - la restauration
- 0 réponse
- 1 participant
- 336 vues
- 1 follower
davidcab
1247

AFicionado·a
Membre depuis 21 ans
24 Mars 2026 à 09:50 (modifié le 07 Mai 2026 à 09:24)Freevox DJ4 - la restauration
#1
Freevox DJ4, une très bonne table de mixage, dont les cartes sont idem à la DJ7.
Coffret peinture liquide noir satiné mais sans apprêt ... c'est pour celà que la rouille peut s'inviter. Hormis un câblage par le dessous pas pratique, le principe de carte enfichable est très pratique pour le SAV.
Quelques petits défauts de conception, comme le manque de maintien mécanique des XLR et des RCA sur la plaque face arrière, les condensateurs série qualité standard Lelon (mais déjà pas mal), RUBYCON CEW), résistance 5% et non 1%, support CI basique, manque de précision AOP symétrie XLR (ou petit réglage sur CI) en OUT ...
Usure des switchs 2x3 remplacés par ALPS Alpine au pas de 5.08mm (SPUN191600 ou SPUJ190900 ou SPUN191400) et 2x6, au pas de 5.08mm et attention il existe pas de 2.56mm

Ou alors un seul produit marche, le modèle américain (nettoyant contact)
Pot rotatif ALPS Alpine Japan RK16, RK163 ... et surtout pas de chinoiserie type WH148 ☹️ , à la limite des Alpha RV16 (Conrad)...
Axe L=15mm
Fader :
ALPS type K-fader à piste plastique (haut de gamme, reconnaissable avec ces liserés rose, % à la version standard carbone)
RSA0K12A1013 (300000 cycles contre 100000 cycles en piste carbone).




L'idée du futur maintien XLR sur le CI et la plaque amovible de fond (photo non réelle de la vrai XLR plus longue) avec la réalisation de pièces 3D en ABS+.
Des vis M2,5x10 + écrous viendront aussi renforcer le maintien XLR sur le CI.
Les RCA seront collés.


La carte Out right :

Les condensateurs Lelon A123

Une patte du UAA180 (vu-mètre) la 18, était tordue dans le support CI...

Les nouveaux composants :




Mesures :

[
Pour une table fabriquée en 1995, ils n'ont pas trop vieillis mais il y a beaucoup mieux que ce standard.
Pour rappel, le condensateur se dégrade et du coup sa valeur d'ESR augmente :
- Age
- Usage
- T°
- Intensité des courants
Mais certain, dûe à la fabrication, sont meilleurs
Une valeur en tension plus élevée (de 25V à 50V) donne un ESR plus bas dû au diélectrique.
Mais casé un 50V demande de la place autour
Pour le signal----> des BP :
- Nichicon de la gamme ES Muse (BP)
- RS : ref 176-3785 (BP, version standard
)
Pour le découplage, filtrage (AOP...) :
- FELSIC 105
- PANASONIC FC, FW Condensateur Low ESR
- NICHICON KG SUPER THROUGH
- NICHICON KW
- NICHICON KZ

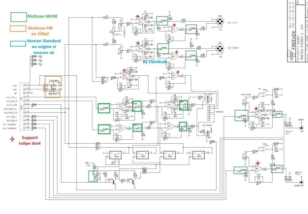
Sur la mesure de deux 100uF d'origine pris au hasard en sortie vers XLR, on a une valeur ESR élevé par rapport au Nichicon Muse...
Les condensateurs via alim +/-15V, en guise de découplage, filtrent via un réseau RC (R=10 ohms, C=100nF, bien vu pour AOP) et en filtrage et par carte, des seront des 220 uF à la place des 100 uF Nichicon série FW via 22 Ohms aussi (si tout le monde faisait comme ça, c'est la base ppour avoir un Ripple noise très faible, pour des applications audio)
Les séries ELNA SILMIC CE BP 100uF/25V (bipolaire) sont très bien aussi

Aucun intérêt de mettre bêtement des MUSE sur la carte vumètre, contrôle Voice over, autour du CMOS 4016 ... seulement sur le trajet audio.
Et on n'oublie pas de passer le nettoyant flux soudure surtout sur les parties phono sensibles, le flux a un effet capacitif entre pistes et pastilles.



[
.

SYMETRIE OUT :
Sur les deux cartes de sortie master XLR, le gain des AOP inverseur doivent être très précis (CMMR), c'est pour ça il faut mettre des résistances 10k0 à 1% à la place des 5 %.
Ex : MASTER STEREO 1 en U2A, ----> R15 et R18


Pour les AOP, les TL072 (sortie en 1979) sont encore très bons même en 2026, et si on veut pas trop dénaturer le son, mais quelques essais peuvent être fait pour comparaison en tenant compte de quelques règles :
AOP :
- Techno Bipolaire ou FET (entrée)
• slew rate d’au moins 10 V/µs
• Bande passante à pleine puissance de 50 kHz
• Réjection de l’alimentation (PSRR) à basse fréquence supérieure à 70 dB (les amplificateurs opérationnels modernes atteignent plus de 100 dB) sur les tensions d’alimentation positive et négative
• Capacité à driver des charges de 600 ohms
• Distorsion de sortie de 20 ppm ou moins à 1 kHz et 10 V crête sous 600 ohms (les AOP modernes atteignent des valeurs inférieures à 10 ppm à 20 kHz et inférieures à 1 ppm à 1 kHz)
• Stable en gain 1
Mes préfèrés : OPA2134PA, OPA 2604PA, OP 275, LM4562
AD823, AD823AN, AD8066, AD8620, AD712, AD827, C4570, JRC4556AD, JRC4580, JRC5532, JRC5532, LF353, LM4562, LME49860, LM833N, LME49720, MUSES8920, NE5532, NEC4520, NEC4570, NJM2114, NJM4558, NJM4560, NJM5532, NJM4558P, OP275, OPA1612, OPA2277PA, OPA2132, OPA2604, JRC4558, TL072, MUSES01, MUSES02, MUSES8820, MUSES8920, MUSES8832, BA15532.
Sans parler des BURSON AUDIO V7 VIVID PRO






Et ces RCA, c'est la catastrophe, aucune tenu






Les nouvelles fixation et maintien XLR

Aucun intérêt de garder un fader stéréo pour la voie 1 en mono.

Visualisation d'un fader à piste abîmée, rayée. À gauche celui abîmé.



Reste à faire la même chose sur les 5 autres cartes, la philosophie reste la même.
Au cas par cas, switch et potentiomètre seront à remplacer




🙂
Coffret peinture liquide noir satiné mais sans apprêt ... c'est pour celà que la rouille peut s'inviter. Hormis un câblage par le dessous pas pratique, le principe de carte enfichable est très pratique pour le SAV.
Quelques petits défauts de conception, comme le manque de maintien mécanique des XLR et des RCA sur la plaque face arrière, les condensateurs série qualité standard Lelon (mais déjà pas mal), RUBYCON CEW), résistance 5% et non 1%, support CI basique, manque de précision AOP symétrie XLR (ou petit réglage sur CI) en OUT ...
Usure des switchs 2x3 remplacés par ALPS Alpine au pas de 5.08mm (SPUN191600 ou SPUJ190900 ou SPUN191400) et 2x6, au pas de 5.08mm et attention il existe pas de 2.56mm

Ou alors un seul produit marche, le modèle américain (nettoyant contact)
Pot rotatif ALPS Alpine Japan RK16, RK163 ... et surtout pas de chinoiserie type WH148 ☹️ , à la limite des Alpha RV16 (Conrad)...
Axe L=15mm
Fader :
ALPS type K-fader à piste plastique (haut de gamme, reconnaissable avec ces liserés rose, % à la version standard carbone)
RSA0K12A1013 (300000 cycles contre 100000 cycles en piste carbone).




L'idée du futur maintien XLR sur le CI et la plaque amovible de fond (photo non réelle de la vrai XLR plus longue) avec la réalisation de pièces 3D en ABS+.
Des vis M2,5x10 + écrous viendront aussi renforcer le maintien XLR sur le CI.
Les RCA seront collés.


La carte Out right :

Les condensateurs Lelon A123

Une patte du UAA180 (vu-mètre) la 18, était tordue dans le support CI...

Les nouveaux composants :




Mesures :

[

Pour une table fabriquée en 1995, ils n'ont pas trop vieillis mais il y a beaucoup mieux que ce standard.
Pour rappel, le condensateur se dégrade et du coup sa valeur d'ESR augmente :
- Age
- Usage
- T°
- Intensité des courants
Mais certain, dûe à la fabrication, sont meilleurs
Une valeur en tension plus élevée (de 25V à 50V) donne un ESR plus bas dû au diélectrique.
Mais casé un 50V demande de la place autour
Pour le signal----> des BP :
- Nichicon de la gamme ES Muse (BP)
- RS : ref 176-3785 (BP, version standard
Pour le découplage, filtrage (AOP...) :
- FELSIC 105
- PANASONIC FC, FW Condensateur Low ESR
- NICHICON KG SUPER THROUGH
- NICHICON KW
- NICHICON KZ

Sur la mesure de deux 100uF d'origine pris au hasard en sortie vers XLR, on a une valeur ESR élevé par rapport au Nichicon Muse...
Les condensateurs via alim +/-15V, en guise de découplage, filtrent via un réseau RC (R=10 ohms, C=100nF, bien vu pour AOP) et en filtrage et par carte, des seront des 220 uF à la place des 100 uF Nichicon série FW via 22 Ohms aussi (si tout le monde faisait comme ça, c'est la base ppour avoir un Ripple noise très faible, pour des applications audio)
Les séries ELNA SILMIC CE BP 100uF/25V (bipolaire) sont très bien aussi

Aucun intérêt de mettre bêtement des MUSE sur la carte vumètre, contrôle Voice over, autour du CMOS 4016 ... seulement sur le trajet audio.
Et on n'oublie pas de passer le nettoyant flux soudure surtout sur les parties phono sensibles, le flux a un effet capacitif entre pistes et pastilles.



[

.
SYMETRIE OUT :
Sur les deux cartes de sortie master XLR, le gain des AOP inverseur doivent être très précis (CMMR), c'est pour ça il faut mettre des résistances 10k0 à 1% à la place des 5 %.
Ex : MASTER STEREO 1 en U2A, ----> R15 et R18


Pour les AOP, les TL072 (sortie en 1979) sont encore très bons même en 2026, et si on veut pas trop dénaturer le son, mais quelques essais peuvent être fait pour comparaison en tenant compte de quelques règles :
AOP :
- Techno Bipolaire ou FET (entrée)
• slew rate d’au moins 10 V/µs
• Bande passante à pleine puissance de 50 kHz
• Réjection de l’alimentation (PSRR) à basse fréquence supérieure à 70 dB (les amplificateurs opérationnels modernes atteignent plus de 100 dB) sur les tensions d’alimentation positive et négative
• Capacité à driver des charges de 600 ohms
• Distorsion de sortie de 20 ppm ou moins à 1 kHz et 10 V crête sous 600 ohms (les AOP modernes atteignent des valeurs inférieures à 10 ppm à 20 kHz et inférieures à 1 ppm à 1 kHz)
• Stable en gain 1
Mes préfèrés : OPA2134PA, OPA 2604PA, OP 275, LM4562
AD823, AD823AN, AD8066, AD8620, AD712, AD827, C4570, JRC4556AD, JRC4580, JRC5532, JRC5532, LF353, LM4562, LME49860, LM833N, LME49720, MUSES8920, NE5532, NEC4520, NEC4570, NJM2114, NJM4558, NJM4560, NJM5532, NJM4558P, OP275, OPA1612, OPA2277PA, OPA2132, OPA2604, JRC4558, TL072, MUSES01, MUSES02, MUSES8820, MUSES8920, MUSES8832, BA15532.
Sans parler des BURSON AUDIO V7 VIVID PRO




Et ces RCA, c'est la catastrophe, aucune tenu






Les nouvelles fixation et maintien XLR

Aucun intérêt de garder un fader stéréo pour la voie 1 en mono.

Visualisation d'un fader à piste abîmée, rayée. À gauche celui abîmé.



Reste à faire la même chose sur les 5 autres cartes, la philosophie reste la même.
Au cas par cas, switch et potentiomètre seront à remplacer




🙂
Post technique déposé gracieusement.
L'électronique demande un certain niveau d'études, de compréhension, de maîtrise et d'expériences.
signaler
- < Liste des sujets
- Charte