rénovation d'un ghettoblaster
- 7 réponses
- 3 participants
- 379 vues
- 4 followers

dje37
4

Nouvel·le AFfilié·e
Membre depuis 4 ans
Sujet de la discussion Posté le 25/01/2021 à 15:40:11rénovation d'un ghettoblaster
Bonjour.
Je possède un ghettoblaster HITACHI TRK 3D80E
qui a besoin d’être rénové. En effet, suite à des chocs et à une utilisation du volume à fond
les ballons… (Je sais c’est pas bien). J’ai un woofer dont la bobine a grillée et les autres haut-parleurs qui sont soit troués, soit déchirés et qui ont fait leur temps vu l’âge du poste, année 1988.
Voilà les caractéristiques techniques :
Power supply : AC 220V, 50Hz - DC 12V
Power consumption: 27 Watts
Power output: 80 Watts P.M.P
2 Speakers medium-aigu large-band: 3 Watts Rms, 10 Watts Max, 4 Ohms en 12 cm
2 Speakers woofer large-band: 4 Watts Rms, 20 Watts Max, 4 Ohms en 16 cm
Distorsion: THD 10%
Les 2 speakers medium-aigu sont séparément filtrés High pass puis amplifiés.
Les 2 speakers woofer sont branchés en série, filtrés Low pass puis amplifiés par 2 amplis bridgés.
J’ai cherché le même modèle en occase ou pour pièces. C’est trop cher (surcoté) ou trop loin (bonjour les frais de port).
J’ai cherché des haut-parleurs similaires, çà n’existe plus.
J’ai pensé à les faire réparer et à un remembranage mais quitte à réparer autant les améliorer.
L’idée étant de refaire la caisse en bois digne d’une boombox DIY en y intégrant la partie électronique (sauf la partie cassette) et d’installer des haut-parleurs de 20 ou 50 Watts rms montés en bass reflex ou en enceinte close avec radiateur passif. Le contrôle du volume d’origine serai positionné à mi-volume voire au deux tiers au maximum pour servir de pré-ampli en quelque sorte.
Option 1 : garder le coté portable en prévoyant 2 batteries, une dédiée au poste et une autre pour le ou les ampli(s) nouvellement ajouté(s).
Option2 : fonctionnement uniquement sur secteur.
Les questions que je me pose :
Je veux partir des fils auquel les H-P d’origine sont connectés pour les relier à des modules d’ampli mono . La tension qui en sort n’est-elle pas trop forte pour entrer dans un module? Si oui, prévoir une résistance ? Pour chaque module ?
Sur cette base la, les 2 nouveaux woofer peuvent-ils rester en série? Faut-il prévoir de diviser le signal et donc prendre un module 2 canaux?
Autre possibilité, utiliser des modules à 2 canaux pour avoir 8 H-P au total,(utilisation du poste sur secteur, bien sur). Même questions que pour les modules mono. Tension? Et woofer en série?
L’alimentation des modules dans tout çà! Que faut-il prendre en compte pour en choisir une ou plusieurs adaptée(s)? (Je suis perdu à ce sujet).
Je dispose des schémas des circuits électriques du poste mais j’ai du mal à les interpréter.
Bref je galère sur la faisabilité du projet, sur le choix des modules et l'alimentation.
Toute aide, réponse et remarque pour ce projet est la bienvenue.
Merci de m’avoir lu.
Je possède un ghettoblaster HITACHI TRK 3D80E
qui a besoin d’être rénové. En effet, suite à des chocs et à une utilisation du volume à fond
les ballons… (Je sais c’est pas bien). J’ai un woofer dont la bobine a grillée et les autres haut-parleurs qui sont soit troués, soit déchirés et qui ont fait leur temps vu l’âge du poste, année 1988.
Voilà les caractéristiques techniques :
Power supply : AC 220V, 50Hz - DC 12V
Power consumption: 27 Watts
Power output: 80 Watts P.M.P
2 Speakers medium-aigu large-band: 3 Watts Rms, 10 Watts Max, 4 Ohms en 12 cm
2 Speakers woofer large-band: 4 Watts Rms, 20 Watts Max, 4 Ohms en 16 cm
Distorsion: THD 10%
Les 2 speakers medium-aigu sont séparément filtrés High pass puis amplifiés.
Les 2 speakers woofer sont branchés en série, filtrés Low pass puis amplifiés par 2 amplis bridgés.
J’ai cherché le même modèle en occase ou pour pièces. C’est trop cher (surcoté) ou trop loin (bonjour les frais de port).
J’ai cherché des haut-parleurs similaires, çà n’existe plus.
J’ai pensé à les faire réparer et à un remembranage mais quitte à réparer autant les améliorer.
L’idée étant de refaire la caisse en bois digne d’une boombox DIY en y intégrant la partie électronique (sauf la partie cassette) et d’installer des haut-parleurs de 20 ou 50 Watts rms montés en bass reflex ou en enceinte close avec radiateur passif. Le contrôle du volume d’origine serai positionné à mi-volume voire au deux tiers au maximum pour servir de pré-ampli en quelque sorte.
Option 1 : garder le coté portable en prévoyant 2 batteries, une dédiée au poste et une autre pour le ou les ampli(s) nouvellement ajouté(s).
Option2 : fonctionnement uniquement sur secteur.
Les questions que je me pose :
Je veux partir des fils auquel les H-P d’origine sont connectés pour les relier à des modules d’ampli mono . La tension qui en sort n’est-elle pas trop forte pour entrer dans un module? Si oui, prévoir une résistance ? Pour chaque module ?
Sur cette base la, les 2 nouveaux woofer peuvent-ils rester en série? Faut-il prévoir de diviser le signal et donc prendre un module 2 canaux?
Autre possibilité, utiliser des modules à 2 canaux pour avoir 8 H-P au total,(utilisation du poste sur secteur, bien sur). Même questions que pour les modules mono. Tension? Et woofer en série?
L’alimentation des modules dans tout çà! Que faut-il prendre en compte pour en choisir une ou plusieurs adaptée(s)? (Je suis perdu à ce sujet).
Je dispose des schémas des circuits électriques du poste mais j’ai du mal à les interpréter.
Bref je galère sur la faisabilité du projet, sur le choix des modules et l'alimentation.
Toute aide, réponse et remarque pour ce projet est la bienvenue.
Merci de m’avoir lu.

Rémy M. (chimimic)
14260

Modérateur·trice thématique
Membre depuis 22 ans
2 Posté le 25/01/2021 à 21:50:23
Citation :
Power consumption: 27 Watts
Power output: 80 Watts P.M.P
J'ai toujours aimé ce genre de données techniques...
Citation :
Je veux partir des fils auquel les H-P d’origine sont connectés pour les relier à des modules d’ampli mono . La tension qui en sort n’est-elle pas trop forte pour entrer dans un module? Si oui, prévoir une résistance ?
C'est faisable et ça s'est souvent fait pour les "boosters" d'auto-radio (ajout d'un pont diviseur avec résistances de puissance). Mais dans ton cas, ce serait une mauvaise idée. Mieux vaut récupérer le signal niveau ligne, avant les amplis de puissance d'origine.
Citation :
L’alimentation des modules dans tout çà! Que faut-il prendre en compte pour en choisir une ou plusieurs adaptée(s)?
Alimentation(s) à choisir en fonction des amplis de puissance "externes" sélectionnés. Le fabricant des modules ampli doit indiquer ce qu'il leur faut (par exemple 12V ou 24 sous xA).
0
Formateur en techniques sonores ; électronicien ; auteur @ sonelec-musique.com

Alban428
103

Posteur·euse AFfiné·e
Membre depuis 6 ans
3 Posté le 25/01/2021 à 22:31:33
Salut,
J'avais le 3D75 avec les enceintes de surround, le top en 1988, hyper puissant. Boitier plastique un peu abîmé mais non visible, intérieur un peu bidouillé mais pas trop. HP en bon état.
Le gros pb c'est la caisse complètement ventilé : impossible d'avoir un minimum de compression et du coup pas de bonnes basses.
Le second pb c'est la qualité médiocre de toute la chaine du son et le problème suivant c'est le jeu dans les faders et switches qui font plein de faux contacts.
Bref à part le look et la nostalgie il n'y a rien de bon : Je l'ai vendu 20 balles et je n'ai plus de problèmes.
A te lire tu veux refaire une caisse et mettre d'autres hp, donc finalement abandonner le look d'origine. Autant repartir d'une feuille blanche pour te faire ta boombox.
Si tu pars de zéro je te conseille de prendre un autoradio bluetooth à 30 balles en centre auto, garanti 2 ans. Ce sera mieux qu'un ampli sur aliexpress.
J'ai fais ma boombox BT avec un ampli chinois 2+1 à 15 euros et un module bluetooth : c'est pas top...
J'ai l'autoradio tokai à 25 euros dans ma caisse : c'est top.
J'avais le 3D75 avec les enceintes de surround, le top en 1988, hyper puissant. Boitier plastique un peu abîmé mais non visible, intérieur un peu bidouillé mais pas trop. HP en bon état.
Le gros pb c'est la caisse complètement ventilé : impossible d'avoir un minimum de compression et du coup pas de bonnes basses.
Le second pb c'est la qualité médiocre de toute la chaine du son et le problème suivant c'est le jeu dans les faders et switches qui font plein de faux contacts.
Bref à part le look et la nostalgie il n'y a rien de bon : Je l'ai vendu 20 balles et je n'ai plus de problèmes.
A te lire tu veux refaire une caisse et mettre d'autres hp, donc finalement abandonner le look d'origine. Autant repartir d'une feuille blanche pour te faire ta boombox.
Si tu pars de zéro je te conseille de prendre un autoradio bluetooth à 30 balles en centre auto, garanti 2 ans. Ce sera mieux qu'un ampli sur aliexpress.
J'ai fais ma boombox BT avec un ampli chinois 2+1 à 15 euros et un module bluetooth : c'est pas top...
J'ai l'autoradio tokai à 25 euros dans ma caisse : c'est top.
0

dje37
4

Nouvel·le AFfilié·e
Membre depuis 4 ans
4 Posté le 29/01/2021 à 21:14:56
re-bonjour.
merci de prendre du temps pour répondre aux questions d'un nul en électronique.
à Rémy M. (chimimic). Je crois avoir trouvé l'ampli line sur le schéma mais si c'est bien lui je n'aurai plus accès ni à l'équaliseur, ni au 3D et surround. Je mesure au multimètre pour voir si je peux me repiquer après eux. on verra bien... J'ai regardé à quoi ressemble un pont diviseur avec résistances de puissance et surtout voir pourquoi çà n'irai pas.
Effectivement ce n'est pas conseillé... Dommage! J'avais un peu misé la dessus. En cherchant, j'ai trouvé une alternative, le régulateur de tension mais peut-être fais-je fausse route? La tension mesurée au bout "des fils" est de 5,9 Volts au mini et 6,4 Volts au maxi. L'ampli (WONDOM AA-AB32971) avec des specs qui correspondent à ce que je recherche, indique 2Vrms entrée niveau ligne. puis-je en déduire que 2VRMS c'est le max admissible ou à contrario le minimum pour fonctionner? PS: Je passe beaucoup de temps à lire des posts sur ce site et souvent c'est des posts auxquels tu contribues, du coup j'en profite pour te remercier.
à Alban428. Je plussoie les switches et les faders qui crachent... pour le reste, je suis pas d'accord. Ce poste dort depuis plus de 10 ans dans le grenier et on m'en parle encore... Perso, j'ai jamais entendu un poste sortir autant de basse en étant aussi petit... C'est même pour çà que je veux lui redonner vie et retrouver ce grain si particulier. Et après toutes ces années de bon et loyaux services, je lui dois bien çà. Pis je suis pas du genre à jeter.
Après, l'autoradio avec module, tout çà... J'y ai pensé mais disons que se sera la solution de secours.
Je compte garder la partie plastique où sont les potards, comme çà il en restera toujours un bout... J'alimenterais ce post au fur à mesure de l'avancement du projet. A+!
merci de prendre du temps pour répondre aux questions d'un nul en électronique.
à Rémy M. (chimimic). Je crois avoir trouvé l'ampli line sur le schéma mais si c'est bien lui je n'aurai plus accès ni à l'équaliseur, ni au 3D et surround. Je mesure au multimètre pour voir si je peux me repiquer après eux. on verra bien... J'ai regardé à quoi ressemble un pont diviseur avec résistances de puissance et surtout voir pourquoi çà n'irai pas.
Effectivement ce n'est pas conseillé... Dommage! J'avais un peu misé la dessus. En cherchant, j'ai trouvé une alternative, le régulateur de tension mais peut-être fais-je fausse route? La tension mesurée au bout "des fils" est de 5,9 Volts au mini et 6,4 Volts au maxi. L'ampli (WONDOM AA-AB32971) avec des specs qui correspondent à ce que je recherche, indique 2Vrms entrée niveau ligne. puis-je en déduire que 2VRMS c'est le max admissible ou à contrario le minimum pour fonctionner? PS: Je passe beaucoup de temps à lire des posts sur ce site et souvent c'est des posts auxquels tu contribues, du coup j'en profite pour te remercier.
à Alban428. Je plussoie les switches et les faders qui crachent... pour le reste, je suis pas d'accord. Ce poste dort depuis plus de 10 ans dans le grenier et on m'en parle encore... Perso, j'ai jamais entendu un poste sortir autant de basse en étant aussi petit... C'est même pour çà que je veux lui redonner vie et retrouver ce grain si particulier. Et après toutes ces années de bon et loyaux services, je lui dois bien çà. Pis je suis pas du genre à jeter.
Après, l'autoradio avec module, tout çà... J'y ai pensé mais disons que se sera la solution de secours.
Je compte garder la partie plastique où sont les potards, comme çà il en restera toujours un bout... J'alimenterais ce post au fur à mesure de l'avancement du projet. A+!
0

Rémy M. (chimimic)
14260

Modérateur·trice thématique
Membre depuis 22 ans
5 Posté le 29/01/2021 à 22:20:21
Citation de dje37 :
Je crois avoir trouvé l'ampli line sur le schéma mais si c'est bien lui je n'aurai plus accès ni à l'équaliseur, ni au 3D et surround. Je mesure au multimètre pour voir si je peux me repiquer après eux.
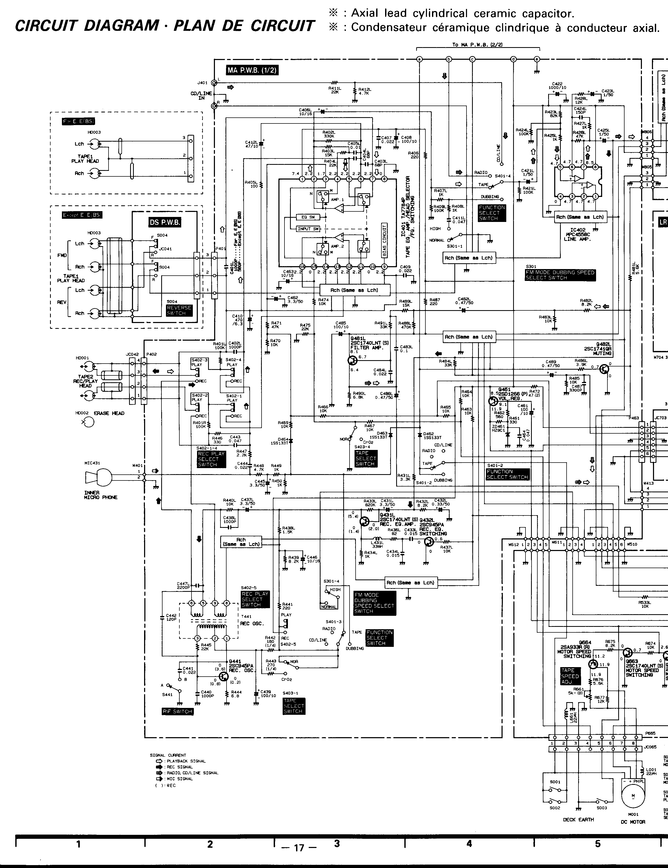
Si tu possèdes le schéma, peux-tu le poster ici STP ?
Il nous sera plus facile de suivre le fil de tes pensées

Citation de dje37 :
En cherchant, j'ai trouvé une alternative, le régulateur de tension mais peut-être fais-je fausse route? La tension mesurée au bout "des fils" est de 5,9 Volts au mini et 6,4 Volts au maxi.
Je ne comprends pas ce à quoi tu penses en parlant de régulateur de tension...
De quels "fils" parles-tu ? Broches d'un composant ?
Citation de dje37 :
L'ampli (WONDOM AA-AB32971) avec des specs qui correspondent à ce que je recherche, indique 2Vrms entrée niveau ligne. puis-je en déduire que 2VRMS c'est le max admissible ou à contrario le minimum pour fonctionner?
Cela signifie que 2 Vrms sont nécessaires à l'entrée de l'ampli pour obtenir la puissance nominale (maximale) sur sa sortie. Considère donc cette valeur comme un maximum ; tout signal d'amplitude comprise entre 0 V et 2 Vrms sera le bienvenue.
0
Formateur en techniques sonores ; électronicien ; auteur @ sonelec-musique.com

dje37
4

Nouvel·le AFfilié·e
Membre depuis 4 ans
6 Posté le 31/01/2021 à 18:57:32
C'est normal que tu ne comprennes pas, je racontais une ânerie au sujet du régulateur de tension.
J'ai approfondi mes recherches la dessus ce week-end et ,non, ce n'est pas la solution miracle.
Pour la tension, j'essaie de mesurer à partir des broches des connecteurs et des fils que je peux débrancher-rebrancher.
Mais je fais plus çà par curiosité qu'autre chose.
Voilà le schéma. j'espère que la qualité sera pas trop dégueu.

La partie2

pour moi le niveau line c'est IC402 PC4558c line amp. Qu'en penses tu?
J'ai approfondi mes recherches la dessus ce week-end et ,non, ce n'est pas la solution miracle.
Pour la tension, j'essaie de mesurer à partir des broches des connecteurs et des fils que je peux débrancher-rebrancher.
Mais je fais plus çà par curiosité qu'autre chose.
Voilà le schéma. j'espère que la qualité sera pas trop dégueu.
La partie2
pour moi le niveau line c'est IC402 PC4558c line amp. Qu'en penses tu?
0

dje37
4

Nouvel·le AFfilié·e
Membre depuis 4 ans
7 Posté le 31/01/2021 à 18:59:37
je crois que la partie 1 n'a pas fonctionné. Je retente

0

Rémy M. (chimimic)
14260

Modérateur·trice thématique
Membre depuis 22 ans
8 Posté le 31/01/2021 à 19:53:34
Bonjour,
pour profiter de la section EQ, il faut te repiquer sur le curseur de R851 qui est le potentiomètre de volume (encadré VOLUME CONTROL).
pour profiter de la section EQ, il faut te repiquer sur le curseur de R851 qui est le potentiomètre de volume (encadré VOLUME CONTROL).
0
Formateur en techniques sonores ; électronicien ; auteur @ sonelec-musique.com
- < Liste des sujets
- Charte