Ce tutoriel permet d'ajouter un contrôleur auxiliaire pour activer/désactiver l'octave up et l'octave down.
Attention, suivre ce tutoriel comporte des risques d'endommager sérieusement votre micro pog, je ne pourrais pas être tenu pour responsable de quelques dommages.
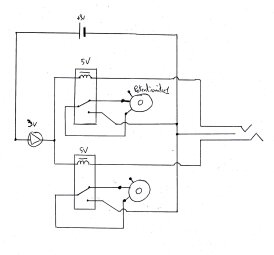
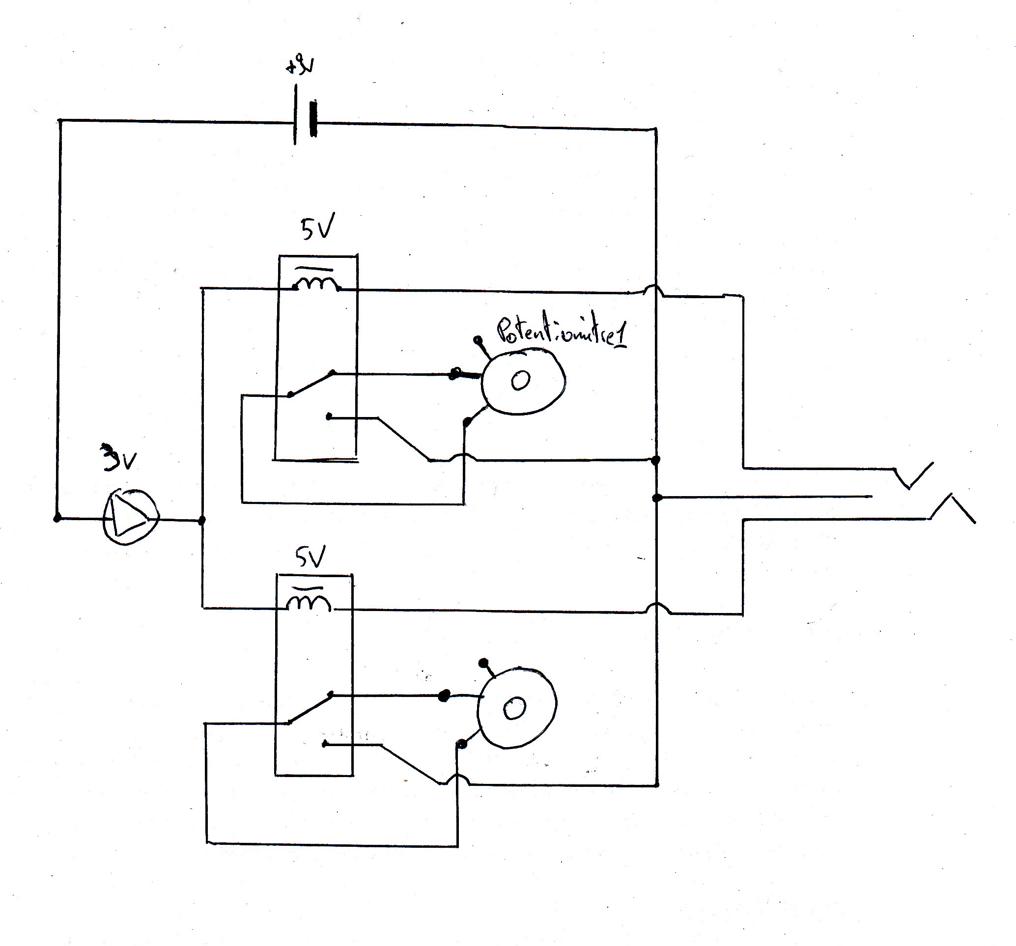
Le prinipe :
Nous allons insérer un interrupteur (un inverseur plutôt pour être précis) entre le signal qui sort du potentiomètre octave down et le circuit imprimé... et de même pour l'octave up.
Pour des raisons de faible place dans la pédale et de led difficiles à insérer et alimenter, j'ai préféré ne pas mettre ces interrupteurs directement en switches mais de les extérioriser via un footswitch du type Boss FS-6. Ce sont donc des relais qui permettent ou non l'activation des octaves :
- lorsque les relais ne sont pas alimentés (footswitches sur off ou pas de footswitch branché) -> les octaves sont toutes activées, comme la pédale originale.
- lorsque les relais sont alimentés -> les octaves supplémentaires sont désactivées.
Voici le schéma de la position par défaut (lorsque les bobines des relais ne sont pas alimentées)... je ne suis pas certain des nomenclatures, mais le principe est là :
Matériel :
- une diode zener 3,3v
- 2 relais monostables 5v à 1 inverseur (celui que j'ai utilisé est un Panasonic APF30205).
- une embase jack stéréo (celle que j'ai prise est très ressemblante à celles de la pog : Neutrick NMJ6HC-S)
- du fil noir, du fil rouge et une pince à dénuder.
- une perceuse et un foret pour l'aluminium de 11mm.
- une pince plate.
- fer à souder, de l'étain
Première étape : on démonte on perce
D'abord, on enlève les boutons blancs; on dévisser les potentiomètres, le switch et les jacks.
Après on se débrouille pour sortir le circuit imprimé...
On perce ensuite le boîtier pour accueillir l'embase jack (donc un trou dans l'alu de 11mm). Il parait logique de percer symétriquement à la sortie dry out, après, chacun fait comme il veut...
Deuxième étape : on dessoude, on soude...
Il faut ensuite dessouder les potentiomètre octave down et octave up... pas évident, je suis un peu nul mais j'ai fini par y arriver avec un simple fer à soudé et une pince plate !
Il faut ensuite tordre la patte du milieu :
On fait pareil avec l'octave down et on ressoude les autres pattes des potentiomètres au circuit imprimé :
On soude un fil rouge (10cm) directement sur l'embase 9V pour alimenter les relais.
On récupère la masse de l'autre côté du circuit avec un fil noir (10cm encore)
On place le tout dans la boîte pour se faire une idée de la longueur des fils et couper ce qui dépasse de plus d'1cm de la boîte :
On s'occupe de la diode, on tort ses pattes pour qu'elle ressemblent à peu près à ça pour qu'on puis y souder des câbles de chaque côté :
On y soude l'alimentation +9v du côté rouge de la diode (j'en ai profité pour y souder un autre fil rouge pour alimenter un autre relais qui vas remplacer le bruyant foutswitch du micro pog... à suivre dans un autre tutoriel), et de l'autre côté on va souder un nouveau fil rouge (4cm environ) qui va aller alimenter les relais.
Troisième étape : soudage des relais et de l'embase jack
Ce premier relais va servir à désactiver l'octave down du pog. On récupère donc les fils noir et rouge qui sont soudés sur et sous le potentiomètre octave down. Le fil noir est à souder sur le contact centrale de l'inverseur (3 contact de gauche sur la photo ce-dessous), le fil rouge sur le contact de droite (sur la photo).
On peut maintenant souder un nouveau fil rouge qui va aller de l'embase jack stéréo (contact du milieu de l'embase) à un des contacts d'alimentation du relai :
Il faut ensuite souder le + qui sort du côté noir de la diode à l'autre contact d'alimentation du relai en laissant dépasser d'un petit centimètre après la soudure pour pouvoir relier directement à l'alimentation du 2nd relai.
Pareil pour souder un nouveau fil noir au dernier contact du relai (tout à gauche sur la photo) qui va aller à la masse de notre embase jack.
On place par dessus le 2nd relai, on y soude les 2 derniers fils que l'on vient de souder et qui sont déjà en place, cela liera les 2 relais.
Ensuite on récupères les 2 fils rouges et noir qui concernent l'octave up : comme pour le premier relai, le fil noir va être soudé sur le contact central de l'inverseur, et le fil rouge à sa gauche. Il ne reste qu'à souder un nouveau fil rouge qui va aller du contact d'alimentation du relai restant jusqu'au contact de droite de notre embase jack ; prenez cette occasion pour souder à ce même contact (la masse du jack) pour y souder le fil de masse que nous avions mis en place à l'étape 2.
Voici plusieurs photo pour étayer ces propos :
Une fois que tout est soudé (les 6 pattes de chaque relai, les 3 contacts de l'embase jack (dont 2 fils noirs qui partent de la masse de l'embase), on branche le tout et on teste pour voir si tout fonctionne.
Normalement, si tout est ok, les octaves s'activent et se désactivent instantanément losque l'on appuis sur les switches du contrôleur auxiliaire... sinon il faut tout revérifier.
Quatrième étape : protéger les contact et ranger le tout
On se fait des petite pochettes plastiques avec du scotch et les plastiques d'emballages des composants :
Et on range le tout dans la boîte, en prenant soin de mettre l'embase jack avec 2 rondelles (fournie par neutrik) pour que l'on puisse serre le tout...
Avant de refermer le couvercle, on vérifie un dernière fois que tout marche.






















