bouton ON OFF hs ?
- 19 réponses
- 4 participants
- 492 vues
- 4 followers
lescéréalesquileurrent
927

Posteur·euse AFfolé·e
Membre depuis 11 ans
10 Septembre 2025 à 22:51bouton ON OFF hs ?
#1
Salut !
apparemment mon bouton ON/OFF a dégager sur mon sommateur
Ces derniers temps il devenait de plus en plus capricieux, je devais pousser ce dernier doucement en appuyant plutôt sue le haut à gauche
Puis maintenant, il s'allume (rouge Logo ok) mais je ne peux allumer aucune entrée ^^ (Level ,Pan pu autre (width...)
quelqu'un voit une autre cause hormis ce bouton pressoir à changer svp ?
c'est un peu bête de devoir payer un spécialiste uniquement pour cela , néanmoins je me vois mal le changer moi même ^^
Quelqu'un à t'il un conseil ?
Est ce déjà arrivé à l'un d'entre vous ?
D'avance merci !
apparemment mon bouton ON/OFF a dégager sur mon sommateur
Ces derniers temps il devenait de plus en plus capricieux, je devais pousser ce dernier doucement en appuyant plutôt sue le haut à gauche
Puis maintenant, il s'allume (rouge Logo ok) mais je ne peux allumer aucune entrée ^^ (Level ,Pan pu autre (width...)
quelqu'un voit une autre cause hormis ce bouton pressoir à changer svp ?
c'est un peu bête de devoir payer un spécialiste uniquement pour cela , néanmoins je me vois mal le changer moi même ^^
Quelqu'un à t'il un conseil ?
Est ce déjà arrivé à l'un d'entre vous ?
D'avance merci !
signaler
jctroyes
371

Posteur·euse AFfamé·e
Membre depuis 21 ans
11 Septembre 2025 à 08:24
#2
Bonjour,
Les relais s'engage t'il lors de l'allumage ?
Je pense que le problème n'est pas juste un problème de bouton.
Ça peut être l'alimentation qui ne donne plus tout fait les bonnes tensions. C'est testable si tu fais bien attention.
Les relais s'engage t'il lors de l'allumage ?
Je pense que le problème n'est pas juste un problème de bouton.
Ça peut être l'alimentation qui ne donne plus tout fait les bonnes tensions. C'est testable si tu fais bien attention.
signaler
lescéréalesquileurrent
927

Posteur·euse AFfolé·e
Membre depuis 11 ans
11 Septembre 2025 à 11:43
#3
les relais ? c'est à dire ??
signaler
jctroyes
371

Posteur·euse AFfamé·e
Membre depuis 21 ans
12 Septembre 2025 à 09:43
#4
Les petits bruits que tu entends a l'allumage sont des relais. Ça fait comme un petit claquement rapide a peine décalé de l'action du bouton on off
signaler
lescéréalesquileurrent
927

Posteur·euse AFfolé·e
Membre depuis 11 ans
12 Septembre 2025 à 10:35
#5
et bien justement il y a qq temps j'avais expliqué que j'essayé d'allumer la bécane , il y avait pleins de petits cliquetis....dans pouvoir démarrer 
puis après plusieurs essais et déplug/déplug alim celui redémarré...
au bout de qq temps ,cela a repris...j'ai pensé que cela était donc le bouton on off HS..........
puis après plusieurs essais et déplug/déplug alim celui redémarré...
au bout de qq temps ,cela a repris...j'ai pensé que cela était donc le bouton on off HS..........
signaler
lescéréalesquileurrent
927

Posteur·euse AFfolé·e
Membre depuis 11 ans
12 Septembre 2025 à 10:59
#6
Donc...ok mon alim est morte ? mon sommateur doit il être au rebut ???
qu'elle solution y a t il ???c une de mes pièces principale de mon matos !!!
qu'elle solution y a t il ???c une de mes pièces principale de mon matos !!!
signaler
BingoTheKid
850

Posteur·euse AFfolé·e
Membre depuis 10 ans
12 Septembre 2025 à 11:26 (modifié le 12 Septembre 2025 à 11:26)
#7
Ce serait dommage . 
signaler
jctroyes
371

Posteur·euse AFfamé·e
Membre depuis 21 ans
12 Septembre 2025 à 13:32
#8
Mais non, si c'est l'alimentation c'est pas un budget de fou...
Si c'est les condos qui stabilise les tensions pour les relais c'est pas non plus hors de prix.
Comme souvent la recherche de la panne est plus coûteuse en main d'oeuvre... il faudrait éliminer par déduction.
Vérifier l'alimentation me semble la priorité mais il faudrait faire très attention avec voltmètre de ne pas toucher 2 bornes de la fiche. Les tensions sont écrites sur le boîtier.
Après tu pourrais passer au studio si tu n'est pas trop loin...
Si c'est les condos qui stabilise les tensions pour les relais c'est pas non plus hors de prix.
Comme souvent la recherche de la panne est plus coûteuse en main d'oeuvre... il faudrait éliminer par déduction.
Vérifier l'alimentation me semble la priorité mais il faudrait faire très attention avec voltmètre de ne pas toucher 2 bornes de la fiche. Les tensions sont écrites sur le boîtier.
Après tu pourrais passer au studio si tu n'est pas trop loin...
signaler
lescéréalesquileurrent
927

Posteur·euse AFfolé·e
Membre depuis 11 ans
12 Décembre 2025 à 20:45
#9
Salut !
Merci d'avoir proposé de passer au studio, mais malheureusement je ne peut me déplacer facilement (...)
Mon petit studio est un peu en stand-by pour l'instant, mais je vais chercher une solution pour ce souci d'alimention. si je savais le faire avec un testeur je m'y serai collé ;et mon réparateur est un peu loin de chez moi, il n'a pas souvent du temps devant lui non plus...
J'ai vu qu'il y avait 4 petites vis sous le boîtier de l'alim (caché par les caoutchouc anti vibration) je pense donc qu'une personne un peu chevronné pourrait trouver et solutionner le problème !? reste à en trouver un bon pas très loin de chez moi (30120)
Mais qu'est ce que :
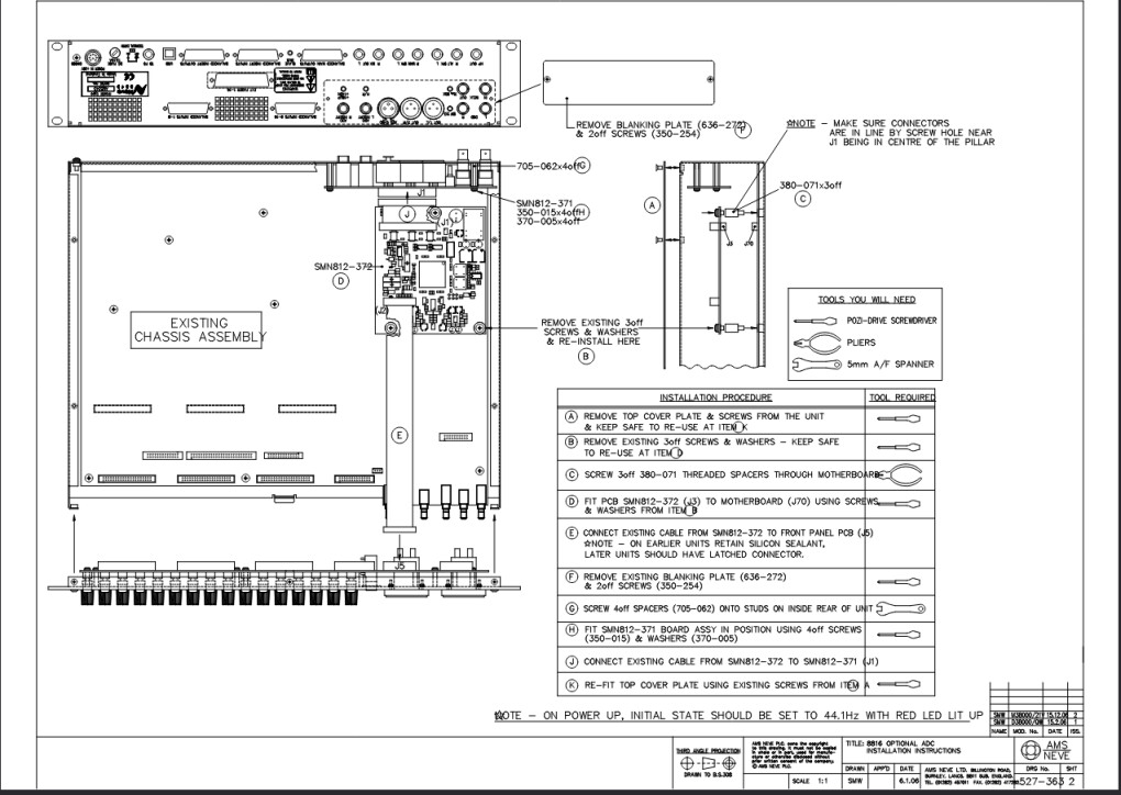
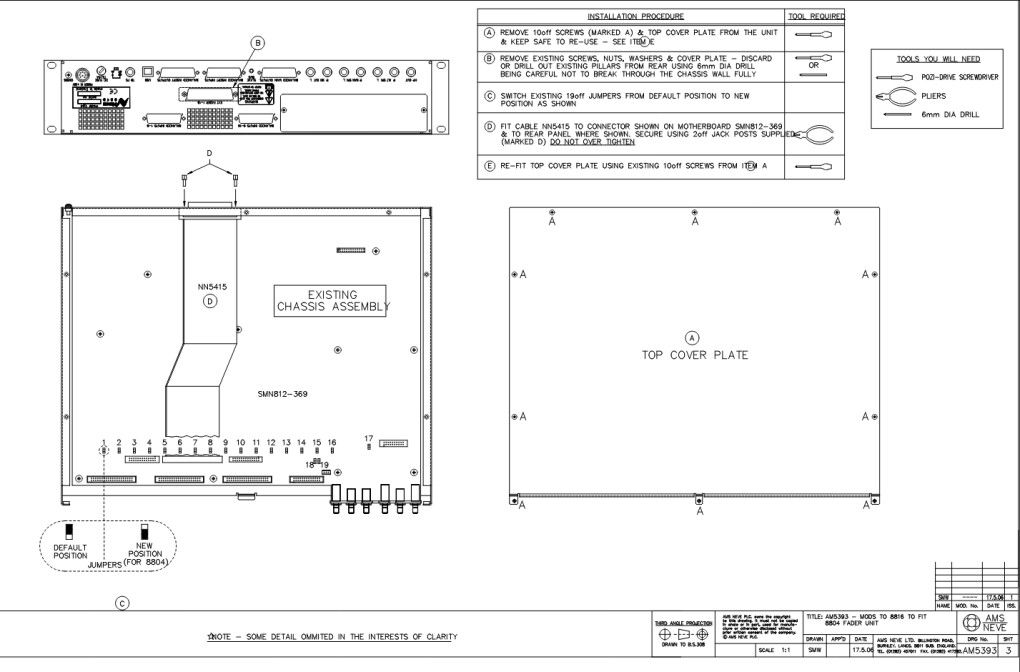
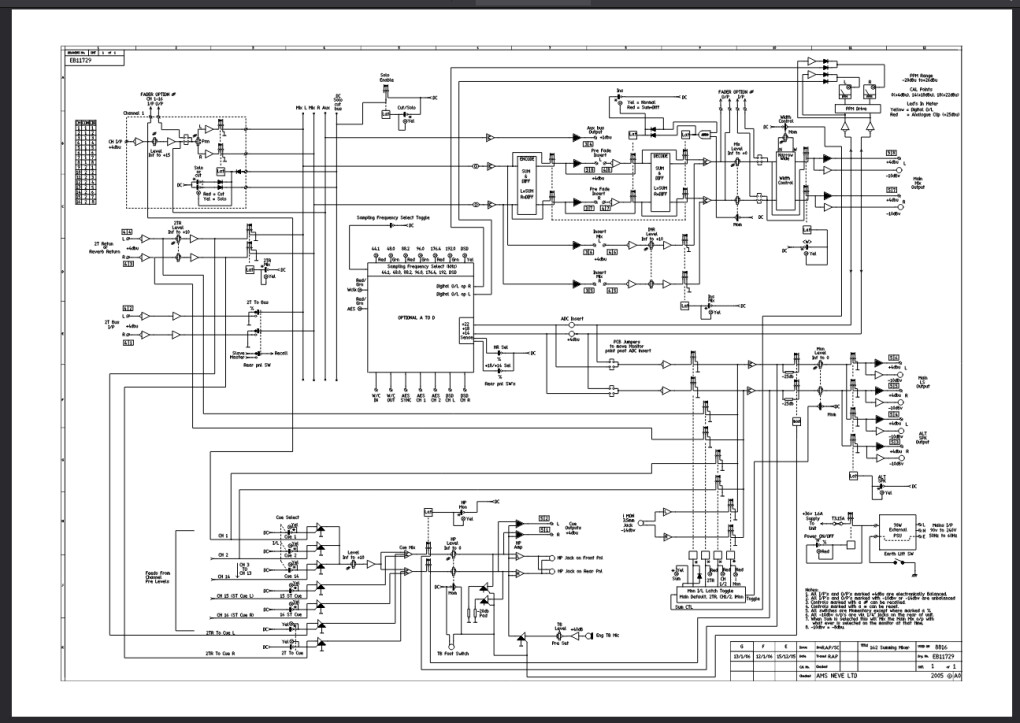
-les condos qui stabilise les tensions pour les relais ? est ce dans le sommateur lui même ? il y a un schéma dans la notice si on arrive à la localiser ce serait déja pas mal
-sinon pour l'alim :
-attention avec voltmètre de ne pas toucher 2 bornes de la fiche (?) heu...je suppose qu'il s’agit des bornes -/+ ? (au nombre de 3 comme on le voit sur la photo ?)
Salut !
Merci d'avoir proposé de passer au studio, mais malheureusement je ne peut me déplacer facilement (...)
Mon petit studio est un peu en stand-by pour l'instant, mais je vais chercher une solution pour ce souci alimentation. si je savais le faire avec un testeur je m'y serai collé ;et mon réparateur est un peu loin de chez moi, il n'a pas souvent du temps devant lui non plus...
J'ai vu qu'il y avait 4 petites vis sous le boîtier de l'alim (caché par les caoutchouc anti vibration) je pense donc qu'une personne un peu chevronné pourrait trouver et solutionner le problème !? reste à en trouver un bon pas très loin de chez moi (30120)
Mais qu'est ce que :
-les condos qui stabilise les tensions pour les relais ? est ce dans le sommateur lui même ? il y a un schéma dans la notice si on arrive à la localiser ce serait déjà pas mal
-sinon pour l'alim :
-attention avec voltmètre de ne pas toucher 2 bornes de la fiche ?
je mets des photos ,et,j'ai noté aussi ce qu'il y a marqué à coté des 3 bornes (schéma-dessin manuel)
on voit le descriptif technique situé au dos de l'alim , cool pour zoomer
il y a aussi le code-barre ça peut être utile !
j’essaie de joindre le schéma électronique du sommateur , le plan







Je me remets doucement à mon cher matériel
bonne fin d'année en tout cas !!!
Citation de jctroyes :
Mais non, si c'est l'alimentation c'est pas un budget de fou...
Si c'est les condos qui stabilise les tensions pour les relais c'est pas non plus hors de prix.
Comme souvent la recherche de la panne est plus coûteuse en main d'oeuvre... il faudrait éliminer par déduction.
Vérifier l'alimentation me semble la priorité mais il faudrait faire très attention avec voltmètre de ne pas toucher 2 bornes de la fiche. Les tensions sont écrites sur le boîtier.
Après tu pourrais passer au studio si tu n'est pas trop loin...
Merci d'avoir proposé de passer au studio, mais malheureusement je ne peut me déplacer facilement (...)
Mon petit studio est un peu en stand-by pour l'instant, mais je vais chercher une solution pour ce souci d'alimention. si je savais le faire avec un testeur je m'y serai collé ;et mon réparateur est un peu loin de chez moi, il n'a pas souvent du temps devant lui non plus...
J'ai vu qu'il y avait 4 petites vis sous le boîtier de l'alim (caché par les caoutchouc anti vibration) je pense donc qu'une personne un peu chevronné pourrait trouver et solutionner le problème !? reste à en trouver un bon pas très loin de chez moi (30120)
Mais qu'est ce que :
-les condos qui stabilise les tensions pour les relais ? est ce dans le sommateur lui même ? il y a un schéma dans la notice si on arrive à la localiser ce serait déja pas mal
-sinon pour l'alim :
-attention avec voltmètre de ne pas toucher 2 bornes de la fiche (?) heu...je suppose qu'il s’agit des bornes -/+ ? (au nombre de 3 comme on le voit sur la photo ?)
Salut !
Citation de jctroyes :
Mais non, si c'est l'alimentation c'est pas un budget de fou...
Si c'est les condos qui stabilise les tensions pour les relais c'est pas non plus hors de prix.
Comme souvent la recherche de la panne est plus coûteuse en main d’œuvre... il faudrait éliminer par déduction.
Vérifier l'alimentation me semble la priorité mais il faudrait faire très attention avec voltmètre de ne pas toucher 2 bornes de la fiche. Les tensions sont écrites sur le boîtier.
Après tu pourrais passer au studio si tu n'est pas trop loin...
Merci d'avoir proposé de passer au studio, mais malheureusement je ne peut me déplacer facilement (...)
Mon petit studio est un peu en stand-by pour l'instant, mais je vais chercher une solution pour ce souci alimentation. si je savais le faire avec un testeur je m'y serai collé ;et mon réparateur est un peu loin de chez moi, il n'a pas souvent du temps devant lui non plus...
J'ai vu qu'il y avait 4 petites vis sous le boîtier de l'alim (caché par les caoutchouc anti vibration) je pense donc qu'une personne un peu chevronné pourrait trouver et solutionner le problème !? reste à en trouver un bon pas très loin de chez moi (30120)
Mais qu'est ce que :
-les condos qui stabilise les tensions pour les relais ? est ce dans le sommateur lui même ? il y a un schéma dans la notice si on arrive à la localiser ce serait déjà pas mal
-sinon pour l'alim :
-attention avec voltmètre de ne pas toucher 2 bornes de la fiche ?
je mets des photos ,et,j'ai noté aussi ce qu'il y a marqué à coté des 3 bornes (schéma-dessin manuel)
on voit le descriptif technique situé au dos de l'alim , cool pour zoomer
j’essaie de joindre le schéma électronique du sommateur , le plan







Je me remets doucement à mon cher matériel
signaler
lescéréalesquileurrent
927

Posteur·euse AFfolé·e
Membre depuis 11 ans
16 Février 2026 à 20:57 (modifié le 16 Février 2026 à 21:02)
#10
Citation de jctroyes :
Mais non, si c'est l'alimentation c'est pas un budget de fou...
Si c'est les condos qui stabilise les tensions pour les relais c'est pas non plus hors de prix.
Comme souvent la recherche de la panne est plus coûteuse en main d'oeuvre... il faudrait éliminer par déduction.
Vérifier l'alimentation me semble la priorité mais il faudrait faire très attention avec voltmètre de ne pas toucher 2 bornes de la fiche. Les tensions sont écrites sur le boîtier.
Après tu pourrais passer au studio si tu n'est pas trop loin...
Saluuut ! bon alors j'ai peut être trouvé un modèle pour remplacer mon alim 8816 ^^
j'espère que c'est ça car je ne vois pas de modèles similaires et mon réparateur me conseille de racheter plutôt que faire réparer ...
https://docs.rs-online.com/c25f/0900766b802c753e.pdf
ou
https://sinpro.com/en/product/show.aspx?num=446
Des avis ??
signaler
lescéréalesquileurrent
927

Posteur·euse AFfolé·e
Membre depuis 11 ans
16 Février 2026 à 21:00
#11
pour un modèle qui va bien que faut il absolument prendre en compte en fait ?
signaler
Nick Zefish
13240

Modérateur·trice thématique
Membre depuis 22 ans
17 Février 2026 à 10:27
#12
Au delà bien sûr de la tension et de la puissance maximale, toutes les alimentations ne se valent pas en terme de bruits parasites générés soit sur la sortie courant continu, soit en amont sur le secteur. J'ai eu des alimentations pas chères qui foutaient le boxon sur d'autres appareils branchés sur la même prise. En évitant les tout premier prix chinois, tu ne devrais pas avoir ce soucis. Celles que tu montres semblent de bonne qualité: rien que le fait d'annoncer le respect de normes liés à l'émission electro-magnétique, c'est bon signe.
Il va falloir adapter la connectique, mais ça devrait être assez simple: l'alim d'origine ne délivre en fait qu'une seule tension, répartie sur 4 broches en parallèle.
Il va falloir adapter la connectique, mais ça devrait être assez simple: l'alim d'origine ne délivre en fait qu'une seule tension, répartie sur 4 broches en parallèle.
signaler
lescéréalesquileurrent
927

Posteur·euse AFfolé·e
Membre depuis 11 ans
17 Février 2026 à 10:44
#13
oui c'est pour du matériel médical, donc suffisant en qualité pour sauvegarder en vie les patients ! Couac avec du chinois je n'en suis mm pas sur !
signaler
lescéréalesquileurrent
927

Posteur·euse AFfolé·e
Membre depuis 11 ans
02 Mars 2026 à 13:15
#14
Holà ! voici donc 6 mois que je ne peux plus me servir de mon 8816 ^^ je n'arrive pas à trouver un vendeur pour l'alimentation, et les rares réparateurs içi font la grimace (...) autant en acheter un donc ...
Mais voilà : j'ai trouvé des revendeurs en pays asiatiques, (deux fabricants) , il faut commander minimum 20 pièces ...
j'ai aussi essayé 4 entreprises* françaises ou européennes, rien en vue de simple genre voici les références de notre catalogue , ce produit conviendrat tout à fait à votre demande , le prix est de : xxx Euros
* entreprises = Eurocomposant; Mouser ; RS ; Digikey
Help me please !!!
Mais voilà : j'ai trouvé des revendeurs en pays asiatiques, (deux fabricants) , il faut commander minimum 20 pièces ...
j'ai aussi essayé 4 entreprises* françaises ou européennes, rien en vue de simple genre voici les références de notre catalogue , ce produit conviendrat tout à fait à votre demande , le prix est de : xxx Euros
* entreprises = Eurocomposant; Mouser ; RS ; Digikey
Help me please !!!
signaler
jctroyes
371

Posteur·euse AFfamé·e
Membre depuis 21 ans
02 Mars 2026 à 16:07
#15
Hmmm, Ams Neve ne te fais pas de réponse ? Car normalement ils ont un service pour ça, on pouvait même a une époque acheter les façades par exemple.
Je suis certain qu'ils ont tjrs ce service surtout pour une simple alimentation.
Si non regarde du côté des alimentations de labo car au moins tu auras une vrai précision sur le niveau des sorties (par contre attention aux réglages)
Je suis certain qu'ils ont tjrs ce service surtout pour une simple alimentation.
Si non regarde du côté des alimentations de labo car au moins tu auras une vrai précision sur le niveau des sorties (par contre attention aux réglages)
signaler
lescéréalesquileurrent
927

Posteur·euse AFfolé·e
Membre depuis 11 ans
02 Mars 2026 à 16:24
#16
Citation de jctroyes :
hello Hmmm, Ams Neve ne te fais pas de réponse ? Car normalement ils ont un service pour ça, on pouvait même a une époque acheter les façades par exemple.
Je suis certain qu'ils ont tjrs ce service surtout pour une simple alimentation.
Si non regarde du côté des alimentations de labo car au moins tu auras une vrai précision sur le niveau des sorties (par contre attention aux réglages)
signaler
lescéréalesquileurrent
927

Posteur·euse AFfolé·e
Membre depuis 11 ans
02 Mars 2026 à 16:29 (modifié le 02 Mars 2026 à 16:29)
#17
sinon...j'ai envoyé un mail au contact de Neve France un certain Michael Berrebi, j'attends des news
signaler
lescéréalesquileurrent
927

Posteur·euse AFfolé·e
Membre depuis 11 ans
02 Mars 2026 à 19:01
#18
un constructeur me propose un voir deux modèles mais le connecteur est de 4 pin au lieu de 8
a vos avis comment sont ils soudés svp ?
a vos avis comment sont ils soudés svp ?
signaler
jctroyes
371

Posteur·euse AFfamé·e
Membre depuis 21 ans
02 Mars 2026 à 19:16
#19
Je parle des Alimentations Stabilisé réglable que l'on utilise en proto. C'est hyper réglable (trop...) et ça permet davoir exactement ce que l'on veut en tension.
Pour Neve il faudra s'adresser directement a eux via leur site.
Les distributeurs Français n'ont pas toujours envie de se galérer car il faut pas mal relancer, et les pièces sont pas toujours identifiables.
Neumann/Sennheiser sur ce point est exemplaire.
Pour Neve il faudra s'adresser directement a eux via leur site.
Les distributeurs Français n'ont pas toujours envie de se galérer car il faut pas mal relancer, et les pièces sont pas toujours identifiables.
Neumann/Sennheiser sur ce point est exemplaire.
signaler
lescéréalesquileurrent
927

Posteur·euse AFfolé·e
Membre depuis 11 ans
03 Mars 2026 à 01:30
#20
le gars cité plus haut m'a répondu qu'il verrait demain s'i' lui en reste en stock , il est Neve France
signaler
- < Liste des sujets
- Charte