Le forum de la MT122
- 12 réponses
- 2 participants
- 10 097 vues
- 3 followers

Balgaroth
140

Posteur·euse AFfiné·e
Membre depuis 18 ans
Sujet de la discussion Posté le 29/11/2008 à 10:43:53Le forum de la MT122
Salut a tous ! Bah voila j'ai fait une petit recherche sur AF pour voir qu'il n'y avais pas de topic pour cette enceinte. J'en ai entendu parler sa et la mais jamais plus concretement que cela donc j'aimerai avoir des info a son sujet car nous sommes a la recherche de Med/aigu et cette reference etait revenue plusieur fois a ce sujet la. Pour info nous avons 2 HR118 et bientot encore 2 autre qui vont se r'ajouter a l'affaire, pour les medium bass nous avons 2 pavillon atelier 33 dont nous sommes tres content mais a present nous voulons completer notre systeme pour en faire un vrai 3 voies. J'ai donc pensé a la MT122, tout d'abord que pensez vous de sa sonorité ? Ensuite pensez vous que 2 MT122 tiendrons 4HBR et 2 A33 ? Enfin j'ai ete etonné de ne pas trouver de filtre pour cette caisse car je pensai la filtrer en actif a partir de 300HZ a peu pres mais ne faudrat-il pas un filtre passif afin de repartir les frequences entre la compression et les 12" ?
Merci d'avance et bon week end
Merci d'avance et bon week end

Selecta Biss@
1738

AFicionado·a
Membre depuis 20 ans
2 Posté le 29/11/2008 à 12:29:04
Salut, niveau sonnoritée jamais entendue,
Au vu des plans et de la charge pavillonnaire de cette enceinte je pense que oui
Oui ou alors un filtrage actif en 3 voies
Tes pavillons A33 fonctionnent sur quelle plage de fréquence ?
Citation : pensez vous que 2 MT122 tiendrons 4HBR
Au vu des plans et de la charge pavillonnaire de cette enceinte je pense que oui
Citation : mais ne faudrat-il pas un filtre passif afin de repartir les fréquences entre la compression et les 12" ?
Oui ou alors un filtrage actif en 3 voies
Tes pavillons A33 fonctionnent sur quelle plage de fréquence ?
0

Balgaroth
140

Posteur·euse AFfiné·e
Membre depuis 18 ans
3 Posté le 01/12/2008 à 15:27:17
Les pav A33 tournent de 110Hz a 300Hz sur notre mur ou 200Hz sa depend car on a pas les bon HP dedans pour le moment et les potes ont peur de les faire pousser aussi haut alors que c'est pas adapté. Mais ils seront changé d'ici peu.
0

Selecta Biss@
1738

AFicionado·a
Membre depuis 20 ans
4 Posté le 01/12/2008 à 15:53:25
Et pour ce qui est de la plage 200/300Hz 20KHz vous avez quoi ?
0

Balgaroth
140

Posteur·euse AFfiné·e
Membre depuis 18 ans
5 Posté le 01/12/2008 à 17:30:43
Bah rien ^^ nan sans rire pour l'instant on a 1 HR118 , le 2e en construction , les deux pav A33 et .....
...
....
Deux colonnes coolsound
On a deja cramé le moteur qu'on a remplacé par un APT50 en attendant de trouver des top et les finance sa depanne.
...



....
Deux colonnes coolsound


0

Selecta Biss@
1738

AFicionado·a
Membre depuis 20 ans
6 Posté le 01/12/2008 à 17:37:30
Oui oui je sait ce que c'est, remarque vaut mieux ne pas mette d'aiguë plutôt que ces me*des de tweeter piezo motorola...
Sinon tu à la solution B.Corde, pas trop chére tu fait du DIY mais au final t'est sur que ça sonne et ça envoie.
Ou sinon vu que vous avez les pav A33 peut être pas besoin d'utiliser des 12" pour les voies supérieures, la mt102 me paraîtrai plus appropriée.
Sinon tu à la solution B.Corde, pas trop chére tu fait du DIY mais au final t'est sur que ça sonne et ça envoie.
Ou sinon vu que vous avez les pav A33 peut être pas besoin d'utiliser des 12" pour les voies supérieures, la mt102 me paraîtrai plus appropriée.
0

Balgaroth
140

Posteur·euse AFfiné·e
Membre depuis 18 ans
7 Posté le 01/12/2008 à 18:25:17
Au final la MT102 coute encore plus cher que la 122 c'est aussi pour cela qu'on c'est rabatu sur la 122.
Apres la solution Bcorde est pas mal mais bon trop "commune" et puis Basse reflex , je doit avouer que sa me ferai chier avoir des BR tout moche au dessu de caisson Bass et Medium pavilloné. Personne d'autre n'a des idée pour completer notre mur de pavillons ?
Apres la solution Bcorde est pas mal mais bon trop "commune" et puis Basse reflex , je doit avouer que sa me ferai chier avoir des BR tout moche au dessu de caisson Bass et Medium pavilloné. Personne d'autre n'a des idée pour completer notre mur de pavillons ?
0

Selecta Biss@
1738

AFicionado·a
Membre depuis 20 ans
8 Posté le 01/12/2008 à 19:14:28
Bon c'est quoi ton budget ?
0

Balgaroth
140

Posteur·euse AFfiné·e
Membre depuis 18 ans
9 Posté le 01/12/2008 à 19:53:49
On va dire dans les 300e l'un. Mais en trainant sur le forum MST j'ai pu voir que une compression 2" avec le pav adapté pourrai suffir du coup pkoi pas faire juste une boite avec un JBL2380A (environ 150e en allemagne) et une compression P.Audio Bmd750. Sa ferai un bon ptit systeme 3 voies apres il faudra trouver un ampli de qualité pour avoir des aigu cristalin et doux ...
0

Selecta Biss@
1738

AFicionado·a
Membre depuis 20 ans
10 Posté le 02/12/2008 à 00:48:07
Ben c'est une solution, mais quand on y regarde de plus près; confier la bande 300Hz à 18/20K à une compression ça va te coûter bonbon !
Pasque la P.Audio dont tu parle à une fréquence de coupure basse maxi à 500Hz... Donc on se retrouve avec un trou entre 300Hz et 500Hz ... Tout en sachant que le X-Over recommandé est de 800Hz...Alors malheureusement là pour les aiguë cristallin et doux faudra repasser...
Faire jouer un HP plus haut que prévu (comme tu dit le faire parfois avec les A33)est possible sans gros risques de dommage (reste à voir les courbes d'impédance) mais faire jouer un transducteur plus bas que prévu c'est la casse assurée...
Et une enceinte deux vois ça te permet de jouer dans des petites salles en prenant juste un sub et deux enceintes sans avoir à tout trimballer...
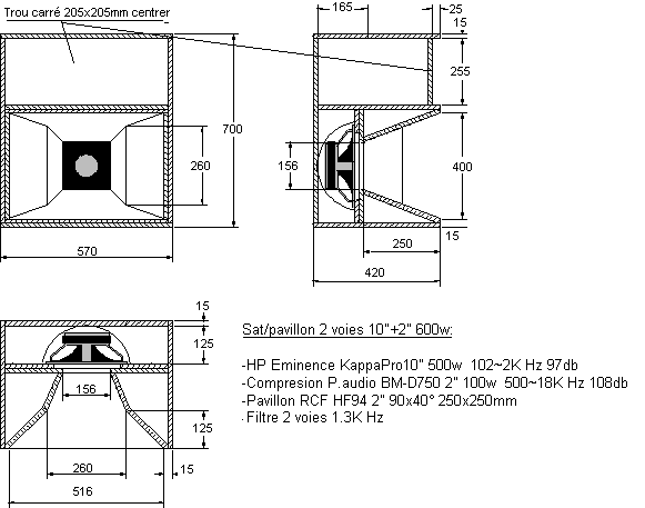
Tien si ça peut t'intéresser en fouillant dans mon disque j'ai retrouvé ça c'est un plan que j'ai trouvé ici je ne sait plus trop à qui il appartient mais il me semble fiable...

Pasque la P.Audio dont tu parle à une fréquence de coupure basse maxi à 500Hz... Donc on se retrouve avec un trou entre 300Hz et 500Hz ... Tout en sachant que le X-Over recommandé est de 800Hz...Alors malheureusement là pour les aiguë cristallin et doux faudra repasser...
Faire jouer un HP plus haut que prévu (comme tu dit le faire parfois avec les A33)est possible sans gros risques de dommage (reste à voir les courbes d'impédance) mais faire jouer un transducteur plus bas que prévu c'est la casse assurée...
Et une enceinte deux vois ça te permet de jouer dans des petites salles en prenant juste un sub et deux enceintes sans avoir à tout trimballer...
Tien si ça peut t'intéresser en fouillant dans mon disque j'ai retrouvé ça c'est un plan que j'ai trouvé ici je ne sait plus trop à qui il appartient mais il me semble fiable...
0

Balgaroth
140

Posteur·euse AFfiné·e
Membre depuis 18 ans
11 Posté le 02/12/2008 à 11:57:26
Carement interessant ton plan ! Apres je me souvient plus a combien peut monter le pac A33 en 15/554k (faudra que je recherche sur le forum) mais il me semble meme que j'avais vu quelque chose comme 1KHz du coup les 800Hz seraient atteignable. Faut que je retrovue le topic ou il parlaient de sa sa me permettrai de savoir si je fait un top 2 voies ou juste une compression. De toute facon vu le prix du pav JBL limite je peut prendre un Kappa et le Pav RCf donc a voir quoi ...
0

Selecta Biss@
1738

AFicionado·a
Membre depuis 20 ans
12 Posté le 02/12/2008 à 20:56:21
Le mieux pour voir à combien peut monter un transducteur c'est de l'essayer à l'oreille, suivant les filtres, leur pentes et ce qu'il y à au dessus les résultat peuvent êtres très différents.
Après ça dépend aussi beaucoup de la zik que tu va jouer dessus...
Après ça dépend aussi beaucoup de la zik que tu va jouer dessus...
0

Balgaroth
140

Posteur·euse AFfiné·e
Membre depuis 18 ans
13 Posté le 02/12/2008 à 23:50:37
Tribe, Tribe-core, Gabber , Hardcore et raggajungle/drum. Pour ma part deja on as pas les bon transduct dans nos A33 donc on ose pas les monter trop haut mais d'apres Ilo ce caisson en RCF 15/554k envoi le boulet de 50 a 1000Hz du coup en le fesant travailler a partir de 120 et le HBR118 en dessou se peut etre cool. Pour le filtre on est en actif , du behringer 2310 et pour la table surement tres bientot une ecler smac pro 30.
0
- < Liste des sujets
- Charte