Fabrication d'un atténuateur pour ampli à lampes 120W 15ohms
- 8 réponses
- 4 participants
- 3 014 vues
- 6 followers

ketzakoalt
465

Posteur·euse AFfamé·e
Membre depuis 21 ans
Sujet de la discussion Posté le 17/03/2014 à 19:59:48Fabrication d'un atténuateur pour ampli à lampes 120W 15ohms
Je me suis inspiré ici du sujet d’Oiseau Bondissant : https://fr.audiofanzine.com/ampli-guitare/forums/t.244838,construction-d-un-attenuateur-pour-ampli-a-lampes-les-liens-et-les-photos.html.
J’ai fait quelques modifs car je n’avais pas bien saisi certains points dans le schéma.
Alors voilà l’objet :
Caractéristiques :
- 120W max
- HP 15 ohms
- 4 positions : Bypass, -12 dB, -16 dB, -24 dB ; de façon à avoir une plage assez importante.
- pour calculer les valeurs des résistances : https://www.projetg5.com/articles/fabriquer-un-attenuateur-6-9-12db . Il a un tableau excel (atténuateur en T) très bien fait.
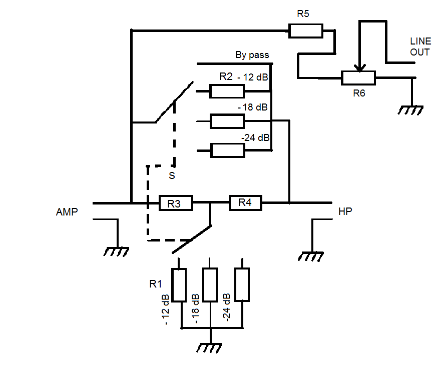
Voici le schéma :

Les valeurs :
R1 -12 dB : 5,6 ohms 25w
R1 -18 dB : 2,2 ohms 10W
R1 -24 dB : 1 ohm 10W
R2 -12 dB : 39 ohms 25w
R2 -18 dB : 100 ohms 10W
R2 -24 dB : 220 ohm 10W
R3 : 15 ohms 100W
R4 : 15 ohms 25 W
R5 : 47 kohms // 47 kohms = 47/2 = 23.5 kohms
R6 : pot log 5 kohms
S : Commutateur 3 poles 4 positions
AMP, HP, LINE OUT : Jack femelle 6.35 mm
Les composants :

Le boitier avec les perçages qui vont bien pour fixer les résistances :

Le boitier monté :
Il faut mettre de la pâte thermique sous les résistances pour une dissipation de la chaleur optimale.

Le boitier fini avec les faces réalisées à l’imprimante sur papier blanc autocollant avec papier transparent par-dessus :
face arrière :

face avant :

Une fois que tout est branché, il faut bien s’assurer que la charge en entrée (AMP) est bien de 15 ohms dans chacune des positions du commutateur (Bypass, -12 dB, -16 dB, -24 dB).
On peut enfin profiter du son des lampes dans l’appartement en mettant le volume à moitié sans faire trembler les murs.
Voilà, le tout pour moins de 100 euros. Ça vaut quand même le coup.
Par contre, j'ai un petit problème avec ma sortie ligne. Le niveau est un peu faible, du coup je récupère pas mal de bruit de fond. Si quelqu'un a une idée...
J’ai fait quelques modifs car je n’avais pas bien saisi certains points dans le schéma.
Alors voilà l’objet :
Caractéristiques :
- 120W max
- HP 15 ohms
- 4 positions : Bypass, -12 dB, -16 dB, -24 dB ; de façon à avoir une plage assez importante.
- pour calculer les valeurs des résistances : https://www.projetg5.com/articles/fabriquer-un-attenuateur-6-9-12db . Il a un tableau excel (atténuateur en T) très bien fait.
Voici le schéma :
Les valeurs :
R1 -12 dB : 5,6 ohms 25w
R1 -18 dB : 2,2 ohms 10W
R1 -24 dB : 1 ohm 10W
R2 -12 dB : 39 ohms 25w
R2 -18 dB : 100 ohms 10W
R2 -24 dB : 220 ohm 10W
R3 : 15 ohms 100W
R4 : 15 ohms 25 W
R5 : 47 kohms // 47 kohms = 47/2 = 23.5 kohms
R6 : pot log 5 kohms
S : Commutateur 3 poles 4 positions
AMP, HP, LINE OUT : Jack femelle 6.35 mm
Les composants :
Le boitier avec les perçages qui vont bien pour fixer les résistances :
Le boitier monté :
Il faut mettre de la pâte thermique sous les résistances pour une dissipation de la chaleur optimale.
Le boitier fini avec les faces réalisées à l’imprimante sur papier blanc autocollant avec papier transparent par-dessus :
face arrière :
face avant :
Une fois que tout est branché, il faut bien s’assurer que la charge en entrée (AMP) est bien de 15 ohms dans chacune des positions du commutateur (Bypass, -12 dB, -16 dB, -24 dB).
On peut enfin profiter du son des lampes dans l’appartement en mettant le volume à moitié sans faire trembler les murs.

Voilà, le tout pour moins de 100 euros. Ça vaut quand même le coup.
Par contre, j'ai un petit problème avec ma sortie ligne. Le niveau est un peu faible, du coup je récupère pas mal de bruit de fond. Si quelqu'un a une idée...
[ Dernière édition du message le 18/03/2014 à 17:54:24 ]

Rémy M. (chimimic)
14258

Modérateur·trice thématique
Membre depuis 22 ans
2 Posté le 18/03/2014 à 08:26:35
Bonjour,
Il est ambitieux et parfois périlleux de réaliser des modifs sans trop savoir ce qu'elles vont apporter, mais d'un autre côté l'expérimentation est une bonne chose
Pourrais-tu STP remettre ici le schéma d'origine et le tien en expliquant ce que tu as modifié et pourquoi ? Le schéma que tu as posté est illisible.
A côté de ça, bravo pour ta réalisation !
Citation :
J’ai fait quelques modifs car je n’avais pas bien saisi certains points dans le schéma.
Il est ambitieux et parfois périlleux de réaliser des modifs sans trop savoir ce qu'elles vont apporter, mais d'un autre côté l'expérimentation est une bonne chose

Pourrais-tu STP remettre ici le schéma d'origine et le tien en expliquant ce que tu as modifié et pourquoi ? Le schéma que tu as posté est illisible.
A côté de ça, bravo pour ta réalisation !
0
Formateur en techniques sonores ; électronicien ; auteur @ sonelec-musique.com
[ Dernière édition du message le 18/03/2014 à 08:27:05 ]

Rémy M. (chimimic)
14258

Modérateur·trice thématique
Membre depuis 22 ans
3 Posté le 18/03/2014 à 14:46:06
Citation de ketzakoalt :
Pourquoi les photos que j'ai importées apparaissent sous un petit format dans le forum ? Je les avais d'abord importées de mon disque dur (où elles sont stockées en grand format) sur mon profil pour pouvoir les lier.
Il faut mettre le lien de la photo visualisée dans sa taille normale, et non en mode vignette. J'ai modifié le lien d'une de tes images pour que tu vois la différence (mot "thumb" remplacé par "normal").
0
Formateur en techniques sonores ; électronicien ; auteur @ sonelec-musique.com

ketzakoalt
465

Posteur·euse AFfamé·e
Membre depuis 21 ans
4 Posté le 18/03/2014 à 18:00:30
Bon voilà ça y est. Les photos sont à la bonne taille.
En fait, je me suis mal exprimé.
Sur son thread, il y avait un synoptique, pas un schéma et j'avais donc du mal à suivre les connexions.
Donc, j'ai tout repris à 0 avec le bon schéma.
Citation :
J’ai fait quelques modifs car je n’avais pas bien saisi certains points dans le schéma.
En fait, je me suis mal exprimé.
Sur son thread, il y avait un synoptique, pas un schéma et j'avais donc du mal à suivre les connexions.
Donc, j'ai tout repris à 0 avec le bon schéma.
0

Rémy M. (chimimic)
14258

Modérateur·trice thématique
Membre depuis 22 ans
5 Posté le 18/03/2014 à 18:14:25
Donc tout est OK, hormis le niveau de sortie que tu trouves faible.
Là, l'amplitude du signal appliqué à l'entrée se retrouvé atténuée dans un rapport de 1/5 environ (valeur max quand le pot de sortie est à fond). Tu peux remplacer R5 par une 10 k0 ou le pot R6 par un 2,2 kO pour gagner un peu plus de 6 dB.
Tu nous tiens au courant ?
Là, l'amplitude du signal appliqué à l'entrée se retrouvé atténuée dans un rapport de 1/5 environ (valeur max quand le pot de sortie est à fond). Tu peux remplacer R5 par une 10 k0 ou le pot R6 par un 2,2 kO pour gagner un peu plus de 6 dB.
Tu nous tiens au courant ?
0
Formateur en techniques sonores ; électronicien ; auteur @ sonelec-musique.com

ketzakoalt
465

Posteur·euse AFfamé·e
Membre depuis 21 ans
6 Posté le 19/03/2014 à 09:58:38
Merci pour ton aide Chimimic.
J'essaye dès que possible de changer R5. J'ai pas trop envie de changer le potentiomètre. Et je vous ferai un retour.
J'essaye dès que possible de changer R5. J'ai pas trop envie de changer le potentiomètre. Et je vous ferai un retour.
0

vinic
522

Posteur·euse AFfolé·e
Membre depuis 22 ans
7 Posté le 19/03/2014 à 14:39:11
Punaise... 100W dissipés sur une résistance!!!
Tu dois pouvoir commencer à faire cuire une côte de boeuf là dessus!
Déjà un régulateur qui dissipe 2W ça commence à cuire les doigts, alors 100W...
Alors oui, ça ne va pas dissiper tout le temps à 100% mais quand même!
Je serais toi, je mettrais un vrai radiateur à ailettes sur les résistances, au moins la 100W.
Ça fera une plus grande surface d'échange, en dehors de celle que tu peux potentiellement prendre entre tes mains.
Et puis ça fera des belles rayures type "grill" sur la bidoche
Après si ça se trouve, ça ne chauffera pas tant que ça... Mais bon... à voir...
Tu dois pouvoir commencer à faire cuire une côte de boeuf là dessus!
Déjà un régulateur qui dissipe 2W ça commence à cuire les doigts, alors 100W...
Alors oui, ça ne va pas dissiper tout le temps à 100% mais quand même!
Je serais toi, je mettrais un vrai radiateur à ailettes sur les résistances, au moins la 100W.
Ça fera une plus grande surface d'échange, en dehors de celle que tu peux potentiellement prendre entre tes mains.
Et puis ça fera des belles rayures type "grill" sur la bidoche

Après si ça se trouve, ça ne chauffera pas tant que ça... Mais bon... à voir...
0
http://vinic.blog.free.fr > Audio and/or electronics related stuffs
http://vinic.free.fr > et encore d'autres choses...
http://www.bidibop.com > projet musical personnel

michel.29
3339

Squatteur·euse d’AF
Membre depuis 16 ans
8 Posté le 19/03/2014 à 20:54:36
si çà chauffe beaucoup
çà dépendra de ton jeu
tu devrais pouvoir plaquer un grand radiateur à l'extérieur contre le fond qui porte les résistances
un truc de ce genre , 20 cm de coté
http://www.electronique-diffusion.fr/product_info.php?cPath=543_544_1140&products_id=25583
pas de modifs pour le câblage
6 trous dans le fond
6 trous taraudés dans le radiateur
de la graisse thermique entre les 2
utilisation avec le radiateur vers le haut
çà ne devrait plus chauffer assez pur cuire l'entrecôte
çà dépendra de ton jeu
tu devrais pouvoir plaquer un grand radiateur à l'extérieur contre le fond qui porte les résistances
un truc de ce genre , 20 cm de coté
http://www.electronique-diffusion.fr/product_info.php?cPath=543_544_1140&products_id=25583
pas de modifs pour le câblage
6 trous dans le fond
6 trous taraudés dans le radiateur
de la graisse thermique entre les 2
utilisation avec le radiateur vers le haut
çà ne devrait plus chauffer assez pur cuire l'entrecôte

0
[ Dernière édition du message le 19/03/2014 à 20:59:14 ]

ketzakoalt
465

Posteur·euse AFfamé·e
Membre depuis 21 ans
9 Posté le 20/03/2014 à 08:08:40
C'est vrai que les 120 Watts annoncés sont théoriques.
L'atténuateur est dimensionné pour mon combo Marshall 50 watts et ma façon de jouer. En effet, le but c'est quand même de jouer à faible niveau sonore.
Pour l'instant, je ne l'ai essayé qu'avec le master à 5 et pas trop longtemps (15mn) ; là ça ne chauffe pas du tout.
Je peux tenter de jouer longtemps à fond et mesurer la température, pour voir.
L'atténuateur est dimensionné pour mon combo Marshall 50 watts et ma façon de jouer. En effet, le but c'est quand même de jouer à faible niveau sonore.
Pour l'instant, je ne l'ai essayé qu'avec le master à 5 et pas trop longtemps (15mn) ; là ça ne chauffe pas du tout.
Je peux tenter de jouer longtemps à fond et mesurer la température, pour voir.
0
- < Liste des sujets
- Charte