aide demandée Préampli Delano sonar 2
- 15 réponses
- 2 participants
- 652 vues
- 3 followers

italo piraina
15

Nouvel·le AFfilié·e
Membre depuis 17 ans
Sujet de la discussion Posté le 13/06/2024 à 11:02:18Préampli Delano sonar 2
Bonjour à vous tous, je viens de faire monter un préampli Delano Sonar2 par mon luthier il s'occupe de mes basses depuis plusieurs années et je n'ai jamais eu de problème particuliers avec lui , le micro est un Bartolini MMC.
Voilà ce qui se passe:
Il y a une différence de sortie énorme entre le mode passif et l'actif, bizarrement il est beaucoup plus fort en passif avec une accentuation des graves limite gênante .
Le potentiomètre de volume ne module pas, c'est tout ou rien , à peine ouvert je suis à fond. D'après mon luthier c'est normal, c'est un potentiomètre qui fonctionne comme çà... Compliqué si je dois baisser ou augmenter en jouant, à moins d'acheter une pédale volume .... Ca fait plus de 50 ans que je joue de la basse , j'en ai eu une multitude et jamais eu ce problème
En mode actif, le volume baisse donc ,,,,et quand je pousse les graves le volume augmente fortement comme si le potentiomètre des graves agissait comme un volume , les graves en plus et la "bouillie" qui va avec , alors que le Delano est réputé pour être un des plus transparent, c'est d'ailleurs essentiellement pour ca que je me suis tourné vers Delano dont la réputation n'est plus à faire . Je ne comprend pas
J'ai appelé Fred Guitar qui a fourni les pièces à mon luthier, eux aussi ne comprennent pas et pensent plutôt à une erreur de câblage, mon luthier m'assure qu'il n'a pas fait d'erreur et qu'il a strictement suivi le schéma de câblage...
Est ce que quelqu'un d'entre vous connait ce matériel ou peut être aurait déjà eu ce cas de figure ?
D'avance merci pour votre aide !!
Voilà ce qui se passe:
Il y a une différence de sortie énorme entre le mode passif et l'actif, bizarrement il est beaucoup plus fort en passif avec une accentuation des graves limite gênante .
Le potentiomètre de volume ne module pas, c'est tout ou rien , à peine ouvert je suis à fond. D'après mon luthier c'est normal, c'est un potentiomètre qui fonctionne comme çà... Compliqué si je dois baisser ou augmenter en jouant, à moins d'acheter une pédale volume .... Ca fait plus de 50 ans que je joue de la basse , j'en ai eu une multitude et jamais eu ce problème
En mode actif, le volume baisse donc ,,,,et quand je pousse les graves le volume augmente fortement comme si le potentiomètre des graves agissait comme un volume , les graves en plus et la "bouillie" qui va avec , alors que le Delano est réputé pour être un des plus transparent, c'est d'ailleurs essentiellement pour ca que je me suis tourné vers Delano dont la réputation n'est plus à faire . Je ne comprend pas
J'ai appelé Fred Guitar qui a fourni les pièces à mon luthier, eux aussi ne comprennent pas et pensent plutôt à une erreur de câblage, mon luthier m'assure qu'il n'a pas fait d'erreur et qu'il a strictement suivi le schéma de câblage...
Est ce que quelqu'un d'entre vous connait ce matériel ou peut être aurait déjà eu ce cas de figure ?
D'avance merci pour votre aide !!
[ Dernière édition du message le 13/06/2024 à 11:04:09 ]

damorg
5032

Je poste, donc je suis
Membre depuis 7 ans
2 Posté le 14/06/2024 à 14:02:00
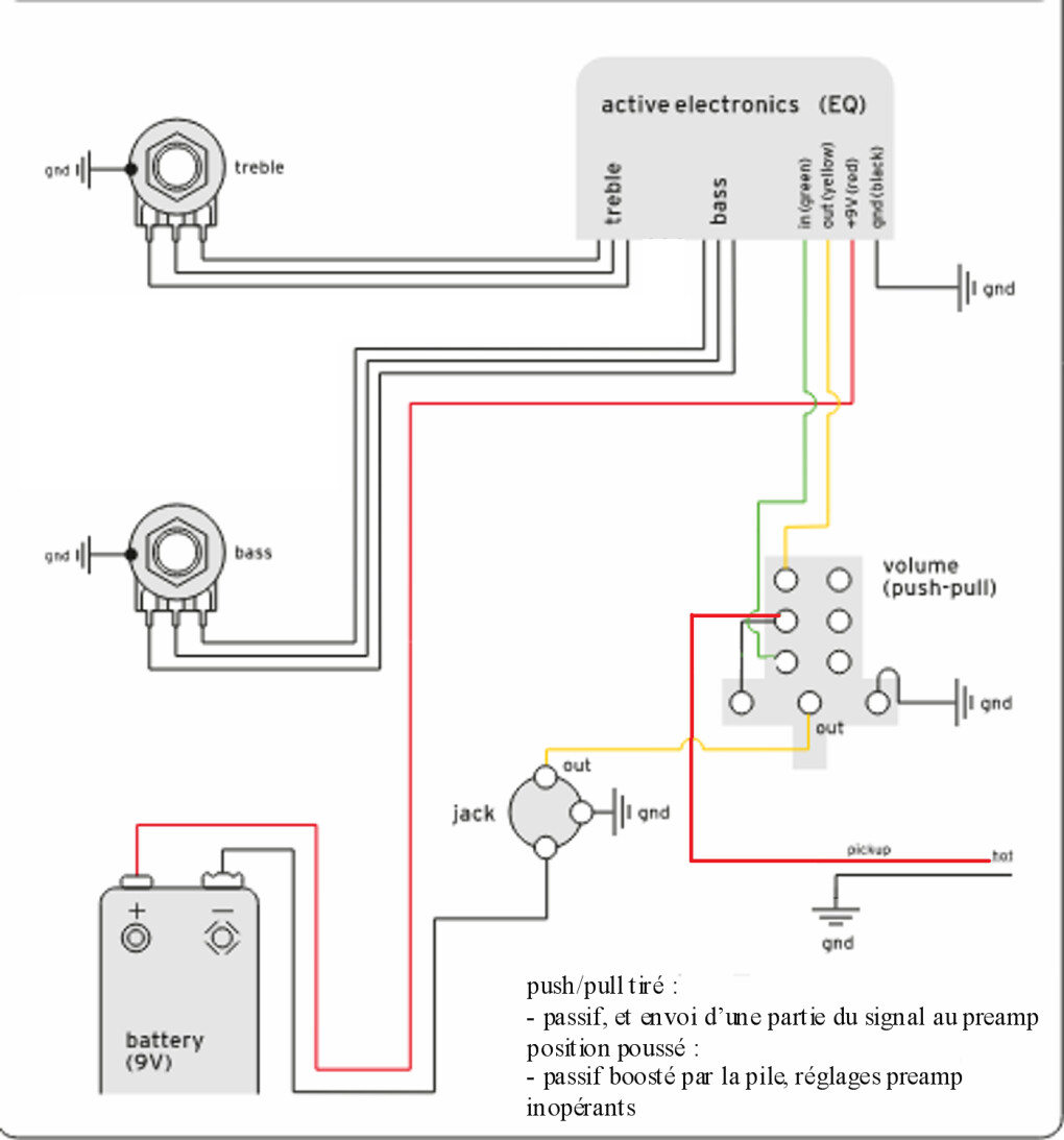
sur ce préampli Delano Sonar2, il y a treble tone; bass tone, blend, volume push/pull (active/passive)
sur ta basse une MusicMan Stingray, il y avait treble tone, mid tone, bass tone, et volume push/pull
Y'a peut être un problème de compatibilité, ton préamp aurait dû être un 3 bandes avec volume push/pull, tu n'as pas besoin d'un blend puisque tu as un seul pavé MM
sur ta basse une MusicMan Stingray, il y avait treble tone, mid tone, bass tone, et volume push/pull
Y'a peut être un problème de compatibilité, ton préamp aurait dû être un 3 bandes avec volume push/pull, tu n'as pas besoin d'un blend puisque tu as un seul pavé MM
0

italo piraina
15

Nouvel·le AFfilié·e
Membre depuis 17 ans
3 Posté le 14/06/2024 à 14:14:51
Bonjour , c'est une vieille stingray de l'époque pré-ernie ball . Deux bandes uniquement graves /aigus
0

damorg
5032

Je poste, donc je suis
Membre depuis 7 ans
4 Posté le 14/06/2024 à 14:25:35
Citation de italo piraina :
Bonjour , c'est une vieille stingray de l'époque pré-ernie ball . Deux bandes uniquement graves /aigus
Ok, donc ton luthier n'as pas mis de blend...
Photo du potentiomètre push/pull volume, coté câblage, STP
1

italo piraina
15

Nouvel·le AFfilié·e
Membre depuis 17 ans
5 Posté le 14/06/2024 à 14:34:58

Voici une photo , j'espére qu'ellle est d'assez bonne qualité , si quelqu'un remarque une anomalie ...d'avance merci!!
0

damorg
5032

Je poste, donc je suis
Membre depuis 7 ans
6 Posté le 14/06/2024 à 16:11:31
C'est pas assez net sur le push/pull, on voit bien les diverses masses sur le capot,
mais on voit pas les connexions (soudures) sur les plots
normalement, tu dois avoir ça :

au niveau du push/pull, (partie haute du potentiomètre) on a :
dans l'ordre, du haut vers le bas, le jaune (qui vient du preamp), le noir (sortie du push/pull vers la partie potentiomètre), et le vert (vient du preamp) auquel on ajoute le hot du micro
Si ce n'est pas le cas, précise qu'est-ce qui est connecté à quoi sur ce push/pull
mais on voit pas les connexions (soudures) sur les plots
normalement, tu dois avoir ça :

au niveau du push/pull, (partie haute du potentiomètre) on a :
dans l'ordre, du haut vers le bas, le jaune (qui vient du preamp), le noir (sortie du push/pull vers la partie potentiomètre), et le vert (vient du preamp) auquel on ajoute le hot du micro
Si ce n'est pas le cas, précise qu'est-ce qui est connecté à quoi sur ce push/pull
0

italo piraina
15

Nouvel·le AFfilié·e
Membre depuis 17 ans
7 Posté le 14/06/2024 à 16:38:29
Merci pour ta réponse et ton aide damorg. Je poste 2 photos du puss/pull j'espére qu'elles seront plus "parlantes"
Encore merci infiniment.

Encore merci infiniment.


0

damorg
5032

Je poste, donc je suis
Membre depuis 7 ans
8 Posté le 14/06/2024 à 18:40:45
A mon avis, le problème est dans le rond rouge

sur cette cosse tu devrais avoir seulement la sortie du push/pull vers le pot de volume, et actuellement tu as le hot du micro en plus (en trop)
ce fil (hot du micro) devrait être sur la cosse du bas avec le vert, selon les préconisations DELANO

sur cette cosse tu devrais avoir seulement la sortie du push/pull vers le pot de volume, et actuellement tu as le hot du micro en plus (en trop)
ce fil (hot du micro) devrait être sur la cosse du bas avec le vert, selon les préconisations DELANO
0

italo piraina
15

Nouvel·le AFfilié·e
Membre depuis 17 ans
9 Posté le 15/06/2024 à 07:43:40
Merci, très sincèrement merci !! Je réponds tardivement , excuse moi, je vois juste ta réponse car j'étais en concert hier soir. je vais faite modifier tout çà par une autre luthier vu que le mien est sur de lui et ne veut pas revenir sur le câblage. J'espére juste que le fait d'avoir fait fonctionner le préampli avec ces branchements ne l'a pas endommagé car là, lorsque j'ai récupéré ma basse aprés l'avoir redéposé chez le luthier pour qu'il vérifie , j'ai voulu l'essayer, ca fonctionne en mode passif mais lorsque je passe en actif le volume baisse de moitié ( ce qui était déjà le cas avant) mais je n'ai plus aucune correction, ni graves ni aigus... Est ce qu'une soudure aurait lâché ?....Merci encore Damorg , je te suis infiniment reconnaissant !
0

damorg
5032

Je poste, donc je suis
Membre depuis 7 ans
10 Posté le 15/06/2024 à 11:35:16
Si je ne fais pas d'erreur, et selon ton câblage actuel, dans les 2 cas tu es en passif :


0
[ Dernière édition du message le 15/06/2024 à 11:36:34 ]

italo piraina
15

Nouvel·le AFfilié·e
Membre depuis 17 ans
11 Posté le 15/06/2024 à 11:56:02
Donc si on modifie le câblage en fonction de ce que tu préconise je serai bien en actif push/pull poussé ?
Ce qui m'étonne c'est qu'au début le mode actif fonctionnait , mal , étant donné que j'avais une énorme baisse de niveau de sortie par rapport au mode passif . Mais depuis hier , quand je suis allé rechercher ma basse chez le luthier , plus rien, les réglages sont inopérants en actif comme en passif.
Le preamp n'a pas pu être endommagé ?
Ce qui m'étonne c'est qu'au début le mode actif fonctionnait , mal , étant donné que j'avais une énorme baisse de niveau de sortie par rapport au mode passif . Mais depuis hier , quand je suis allé rechercher ma basse chez le luthier , plus rien, les réglages sont inopérants en actif comme en passif.
Le preamp n'a pas pu être endommagé ?
0

italo piraina
15

Nouvel·le AFfilié·e
Membre depuis 17 ans
12 Posté le 15/06/2024 à 11:58:17
c'est peut être pour çà aussi qu'en mode passif j'ai énormément de graves ? Alors que ca devrait être presque transparent non ?
0

damorg
5032

Je poste, donc je suis
Membre depuis 7 ans
13 Posté le 15/06/2024 à 12:11:33
Citation de italo piraina :
Donc si on modifie le câblage en fonction de ce que tu préconise je serai bien en actif push/pull poussé ?
oui
Citation de italo piraina :
Ce qui m'étonne c'est qu'au début le mode actif fonctionnait , mal , étant donné que j'avais une énorme baisse de niveau de sortie par rapport au mode passif . Mais depuis hier , quand je suis allé rechercher ma basse chez le luthier , plus rien, les réglages sont inopérants en actif comme en passif.
Le preamp n'a pas pu être endommagé ?
Je ne pense pas, mais vu que dans les 2 cas tu es en passif, tu n'as pas de retour preamp, donc il est inopérant
Citation de italo piraina :
c'est peut être pour çà aussi qu'en mode passif j'ai énormément de graves ? Alors que ca devrait être presque transparent non ?
comme un passif boosté sans réglages

1

italo piraina
15

Nouvel·le AFfilié·e
Membre depuis 17 ans
14 Posté le 15/06/2024 à 16:17:20
Voici la réponse du luthier quand je lui dit que les problèmes sont causés par un mauvais câblage
Ce n'est pas le hot du micro qui est sur cette cosse, mais la sortie vers le jack, et la sortie du push/pull vers le pot de volume.
Le hot du micro est sur la pâte centrale du potentiomètre de volume, sinon il n'y aurait pas de réglage possible du volume.
Le câblage est celui préconisé par Delano (voir pj).
Seule différence, j'ai lié la sortie du push/pull vers le pot de volume sur la cosse centrale, n'ayant pas la balance, sinon il n'y aurait pas de contrôle de volume en position active, la cosse centrale et celle du bas n'étant pas reliées dans cette position.
Le fait que tu n'aies plus de correction est pour moi lié à une mauvaise soudure sans doute ou une masse qui fait contact quelque part.
Il n'y a aucune raison que le pré-ampli soit endommagé.
Donc ce serait normal (d'aprés lui) que le niveau soit 2 fois plus élevé en passif qu'en actif, que le potentiomètre des graves (quand il fonctionne) fasse office de volume
Ce n'est pas le hot du micro qui est sur cette cosse, mais la sortie vers le jack, et la sortie du push/pull vers le pot de volume.
Le hot du micro est sur la pâte centrale du potentiomètre de volume, sinon il n'y aurait pas de réglage possible du volume.
Le câblage est celui préconisé par Delano (voir pj).
Seule différence, j'ai lié la sortie du push/pull vers le pot de volume sur la cosse centrale, n'ayant pas la balance, sinon il n'y aurait pas de contrôle de volume en position active, la cosse centrale et celle du bas n'étant pas reliées dans cette position.
Le fait que tu n'aies plus de correction est pour moi lié à une mauvaise soudure sans doute ou une masse qui fait contact quelque part.
Il n'y a aucune raison que le pré-ampli soit endommagé.
Donc ce serait normal (d'aprés lui) que le niveau soit 2 fois plus élevé en passif qu'en actif, que le potentiomètre des graves (quand il fonctionne) fasse office de volume

0
[ Dernière édition du message le 15/06/2024 à 16:18:34 ]

damorg
5032

Je poste, donc je suis
Membre depuis 7 ans
15 Posté le 15/06/2024 à 18:39:14
Citation de italo piraina :
Seule différence, j'ai lié la sortie du push/pull vers le pot de volume sur la cosse centrale, n'ayant pas la balance, sinon il n'y aurait pas de contrôle de volume en position active, la cosse centrale et celle du bas n'étant pas reliées dans cette position.
en position active et passive le réglage volume se fait sortie micro
Citation de italo piraina :
Le fait que tu n'aies plus de correction est pour moi lié à une mauvaise soudure sans doute ou une masse qui fait contact quelque part.
Il n'y a aucune raison que le pré-ampli soit endommagé.
Ce qui te permet de douter de ses capacités, on ne rend pas un instrument à son proprio sans avoir vérifié que tout fonctionne
Citation de italo piraina :
Donc ce serait normal (d'aprés lui) que le niveau soit 2 fois plus élevé en passif qu'en actif, que le potentiomètre des graves (quand il fonctionne) fasse office de volume
Rien que ça te permet de douter de sa bonne foi et de ses capacités...
Quel est le rôle d'un preamp sinon de booster le signal et d'agir sur la tona, sinon...faut pas mettre de preamp...on va le dire à Mr Music Man, Ernie pour les intimes


Edith :
J'ai oublié de préciser que même avec ce câblage (celui qu'il t'a fourni), la punition est la même :
Tu es toujours en passif ou passif boosté et les réglages sont inopérants puisque le signal du preamp ne reviens pas au jack
0
[ Dernière édition du message le 15/06/2024 à 18:53:14 ]

italo piraina
15

Nouvel·le AFfilié·e
Membre depuis 17 ans
16 Posté le 15/06/2024 à 19:03:42
On est d'accord , j'ai envie de pleurer quand je la branche !! J'ai pris rendez vous chez un autre luthier qui a tout compris de suite également et surtout grâce à toi damorg, dés lundi matin il va remettre tout çà dans l'ordre. C'est une basse que je traine depuis plus de 40 ans , j'y tiens comme à la prunelle de mes yeux. Ca m'apprendra à faire confiance , faites bien attention, surtout pour des instruments de cette qualité là !!
1
- < Liste des sujets
- Charte