Réparation d'un A&H GL4 - Besoin de conseil.
- 17 réponses
- 5 participants
- 615 vues
- 4 followers

comakepi
364

Posteur·euse AFfamé·e
Membre depuis 17 ans
Sujet de la discussion Posté le 26/04/2020 à 17:06:18Réparation d'un A&H GL4 - Besoin de conseil.
Bonjour à tous, je me relance dans la remise en route d'un vieille console GL4.
Symptômes: niveaux de sorties très faibles sur les 8 aux et les 8 groupes.
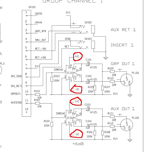
Ils ont en communs, les SSM2142 pour symétriser et obtenir +6dB. Alimentés par deux rails V+/V-.
J'ai trouvé deux résistances en amont (R1 et R4), complétement brulées, et donc illisibles, et effectivement, après ces résistances le +16V tombe à 1,5V et le -16V tombe à 0,5V.

Sur le schéma du PCB, je ne trouve pas les valeurs ni des résistances ni des tensions.

Si quelqu'un veut bien me guider un peu. Voici les liens vers les specs du SSM2142 et le schéma de la console (pages 25,26):
https://www.analog.com/media/en/technical-documentation/data-sheets/SSM2142.pdf
https://www.allen-heath.com/media/GL4-SCHEMATICS.pdf
Symptômes: niveaux de sorties très faibles sur les 8 aux et les 8 groupes.
Ils ont en communs, les SSM2142 pour symétriser et obtenir +6dB. Alimentés par deux rails V+/V-.
J'ai trouvé deux résistances en amont (R1 et R4), complétement brulées, et donc illisibles, et effectivement, après ces résistances le +16V tombe à 1,5V et le -16V tombe à 0,5V.
Sur le schéma du PCB, je ne trouve pas les valeurs ni des résistances ni des tensions.
Si quelqu'un veut bien me guider un peu. Voici les liens vers les specs du SSM2142 et le schéma de la console (pages 25,26):
https://www.analog.com/media/en/technical-documentation/data-sheets/SSM2142.pdf
https://www.allen-heath.com/media/GL4-SCHEMATICS.pdf
[ Dernière édition du message le 26/04/2020 à 17:11:43 ]

Anonyme

2 Posté le 26/04/2020 à 18:31:19
Bonjour,
Tout est parfaitement indiqué sur le schéma, où est le problème ?
Citation :
je ne trouve pas les valeurs ni des résistances ni des tensions

0

comakepi
364

Posteur·euse AFfamé·e
Membre depuis 17 ans
3 Posté le 26/04/2020 à 18:44:27
Je serai passé à coté, tu as trouvé quelles valeurs?
0

Anonyme

4 Posté le 26/04/2020 à 19:34:41
page 26 : R1 , R4 10 ohms ...
0

comakepi
364

Posteur·euse AFfamé·e
Membre depuis 17 ans
5 Posté le 26/04/2020 à 19:36:46
Je viens de voir les 10R, merci!!
0

didiervb01
195

Posteur·euse AFfiné·e
Membre depuis 19 ans
6 Posté le 26/04/2020 à 20:20:59
Bonsoir,
C'est une panne classique, ces résistances de 10 ohm servent à la fois de filtre avec le condo qui est derrière (c'est une vieille habitude d'origine américaine qui date des montage à tubes..) et de fusible accessoirement en cramant !!
J'ai eu le cas sur une tranche sous-groupe d'une Soundcraft Delta 200. s'il y a un court-circuit sur le ou les rails +/- d'alim des amplis op, elles crament. Donc probablement un OP mort, donc il faut isoler l'alimentation de chaque ampli op pour trouver le fautif... perso, je les ai mis sur support pour dépannage ultérieur.
Cordialement,
Didiervb01
C'est une panne classique, ces résistances de 10 ohm servent à la fois de filtre avec le condo qui est derrière (c'est une vieille habitude d'origine américaine qui date des montage à tubes..) et de fusible accessoirement en cramant !!
J'ai eu le cas sur une tranche sous-groupe d'une Soundcraft Delta 200. s'il y a un court-circuit sur le ou les rails +/- d'alim des amplis op, elles crament. Donc probablement un OP mort, donc il faut isoler l'alimentation de chaque ampli op pour trouver le fautif... perso, je les ai mis sur support pour dépannage ultérieur.
Cordialement,
Didiervb01
1

JuanLR
670

Posteur·euse AFfolé·e
Membre depuis 19 ans
7 Posté le 26/04/2020 à 20:39:49
R2/R3 doivent également avoir sauté non ?
0

comakepi
364

Posteur·euse AFfamé·e
Membre depuis 17 ans
8 Posté le 28/04/2020 à 08:44:21
Les OP sont déja sur support, je les ai remonté un par un, aucun souci de ce coté là. R2/R3 sont bonnes. Je finis le nettoyage des 1125 boutons et je refais un check ( j'ai déja un ou deux faders prêts à lacher).
1

didiervb01
195

Posteur·euse AFfiné·e
Membre depuis 19 ans
9 Posté le 28/04/2020 à 20:48:00
Bonsoir,
Sans mes amplis op, les tensions sont correctes ??
Après, c'est du dépannage.... on regarde le schéma et ce qui peut causer
des problèmes sur les rails d'alim...
Cordialement,
Didiervb01
Sans mes amplis op, les tensions sont correctes ??
Après, c'est du dépannage.... on regarde le schéma et ce qui peut causer
des problèmes sur les rails d'alim...
Cordialement,
Didiervb01
0

comakepi
364

Posteur·euse AFfamé·e
Membre depuis 17 ans
10 Posté le 29/04/2020 à 09:06:52
Tout fonctionne à nouveau. Encore quelques tests à faire. Il me manque l'envoi vers le groupe 2 sur les 4 derniers channels mais je soupçonne simplement une nappe mal enfichée.
1

didiervb01
195

Posteur·euse AFfiné·e
Membre depuis 19 ans
11 Posté le 29/04/2020 à 20:40:49
Bonsoir,
Et qu'elle était la panne ???????
Merci
Cordialement,
didiervb01
Et qu'elle était la panne ???????
Merci
Cordialement,
didiervb01
0

comakepi
364

Posteur·euse AFfamé·e
Membre depuis 17 ans
12 Posté le 30/04/2020 à 12:32:19
Salut,
C'était bien l'alim des OP de sortie, une fois R1/R4 changée tout est rentré dans l'ordre. Pour les envois de groupe, c'était bien une nappe mal enfichée.
C'était bien l'alim des OP de sortie, une fois R1/R4 changée tout est rentré dans l'ordre. Pour les envois de groupe, c'était bien une nappe mal enfichée.
0

didiervb01
195

Posteur·euse AFfiné·e
Membre depuis 19 ans
13 Posté le 01/05/2020 à 00:31:59
Bonsoir,
Ca n'explique toutefois pas pourquoi elle ont fumé..
Cordialement,
didiervb01
Ca n'explique toutefois pas pourquoi elle ont fumé..
Cordialement,
didiervb01
0

Rémy M. (chimimic)
14258

Modérateur·trice thématique
Membre depuis 22 ans
14 Posté le 01/05/2020 à 08:24:26
Bonjour,
c'est également ce que je me disais...
Soit R1 et R4 fumeront à nouveau, soit une fonction manque actuellement.
c'est également ce que je me disais...
Soit R1 et R4 fumeront à nouveau, soit une fonction manque actuellement.
0
Formateur en techniques sonores ; électronicien ; auteur @ sonelec-musique.com

comakepi
364

Posteur·euse AFfamé·e
Membre depuis 17 ans
15 Posté le 01/05/2020 à 09:40:36
Salut,
Je comprends mieux vos interrogations.
Pour la petite histoire, console récupérée pour des clopinettes il y a quelques temps, le vendeur me dit qu'elle fonctionne à part les Aux et Groupes qui crachotent. Premiers tests à l'époque, effectivement très faibles niveaux sur les sorties des Bus, il fallait envoyer à fond pour avoir quelques choses en sortie, et du coup, on obtenait un signal complétement distordus ( ce que le vendeur appelait "crachotements"). J'ai donc stocké la console jusqu'à aujourd'hui.
Pour l'instant, elle tourne en continu dans mon salon depuis quelques jours.
Je comprends mieux vos interrogations.
Pour la petite histoire, console récupérée pour des clopinettes il y a quelques temps, le vendeur me dit qu'elle fonctionne à part les Aux et Groupes qui crachotent. Premiers tests à l'époque, effectivement très faibles niveaux sur les sorties des Bus, il fallait envoyer à fond pour avoir quelques choses en sortie, et du coup, on obtenait un signal complétement distordus ( ce que le vendeur appelait "crachotements"). J'ai donc stocké la console jusqu'à aujourd'hui.
Pour l'instant, elle tourne en continu dans mon salon depuis quelques jours.
0

comakepi
364

Posteur·euse AFfamé·e
Membre depuis 17 ans
16 Posté le 03/05/2020 à 12:30:54
Bonjour.
Peut-être une piste...
Inaudible individuellement sur chaque bus, en activant les AFL des 10 Aux, j'ai une ronflette 50hz assez conséquente.J'ai donc fait quelques mesures:

Les deux courbes du haut, j'envoie fort dans le GROUP/AUX, le fader de sortie est bas.
Les courbes du bas, j'envoie peu, le fader est à fond (+10dB).
L'harmonique 100Hz s’atténue un peu si je relie les borniers chassis/masse audio.
Peut-être une piste...
Inaudible individuellement sur chaque bus, en activant les AFL des 10 Aux, j'ai une ronflette 50hz assez conséquente.J'ai donc fait quelques mesures:
Les deux courbes du haut, j'envoie fort dans le GROUP/AUX, le fader de sortie est bas.
Les courbes du bas, j'envoie peu, le fader est à fond (+10dB).
L'harmonique 100Hz s’atténue un peu si je relie les borniers chassis/masse audio.
0

Anonyme

17 Posté le 03/05/2020 à 15:10:12
Il faut remplacer C3 et C4, qui sont sans doute la cause de la destruction des résistances ...
0
[ Dernière édition du message le 03/05/2020 à 15:12:24 ]

comakepi
364

Posteur·euse AFfamé·e
Membre depuis 17 ans
18 Posté le 03/05/2020 à 17:18:12
Merci. C'est déja bien mieux (avant/après changement des condos):

J'ajoute quand même, que dans tout les cas, on est pas dans une plage d'utilisation normale (un fader à -30dB et l'autre à +10dB).
J'ajoute quand même, que dans tout les cas, on est pas dans une plage d'utilisation normale (un fader à -30dB et l'autre à +10dB).
0
[ Dernière édition du message le 03/05/2020 à 19:37:25 ]
- < Liste des sujets
- Charte