Cette semaine, on continue cette petite série d'articles sur les tubes électroniques en se penchant sur les "autres" tubes, les optionnels, ceux qu'on ne trouve pas toujours dans les amplis : déphaseuse, redresseuse, tube du circuit de réverbe ou de trémolo... Qui sont-ils ? Que font-ils ?
Mais avant d’aborder ces tubes aux fonctions spécifiques, je voulais répondre à une question simple à laquelle, je me rends compte, je n’ai pas encore donné de réponse satisfaisante…
Comment ça amplifie un tube ?
Parce que, en fin de compte, je n’ai jamais vraiment expliqué comment ça se fait que le signal à la sortie d’un tube était plus fort qu’à l’entrée…
Je résume : on a vu comment, entre l’anode (également nommée la plaque) et la cathode, se forme un courant. On a aussi vu comment la grille, située entre l’anode et la cathode, permet de contrôler l’intensité de ce courant. Et que donc cette grille pouvait servir d’entrée pour un signal, dont les modulations allaient se reporter sur l’intensité du courant. Et qu’à la sortie (l’anode) on trouverait une tension variable similaire au signal d’entrée. Tension similaire mais d’une plus grande amplitude !
Ok mais pourquoi d’une plus grande amplitude ??
Réponse : à cause de la proximité de la grille par rapport à la cathode.
Eh oui, c’est tout bête, mais la grille est beaucoup plus proche de la cathode (d’où provient l’émission d’électrons qui forment le courant au sein du tube) que l’anode. Elle va donc contrôler de façon très efficace ce courant : un changement de quelques volts est suffisant pour créer d’important changement de courant.

La grille contrôle beaucoup plus efficacement le courant que l’anode. Et c’est elle qui reçoit le signal, donc les moindres variations du signal vont créer des variations importantes de courant au sein du tube. Voilà pourquoi le tube amplifie le signal d’entrée.
Il est d’ailleurs notable que plus un tube a un facteur d’amplification élevé (revoir le premier article pour l’explication du facteur d’amplification), plus sa grille est située proche de sa cathode.
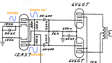
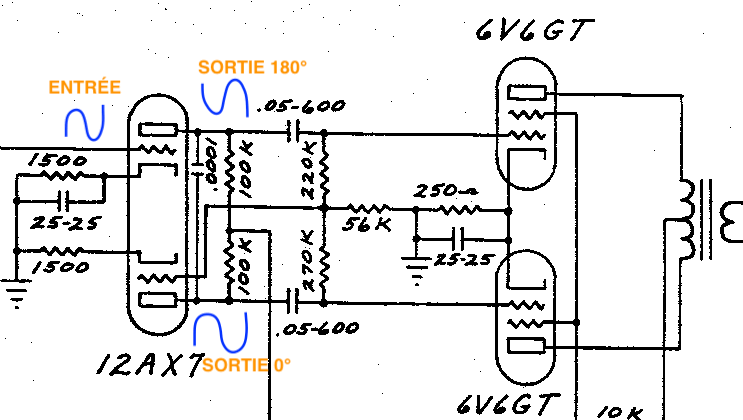
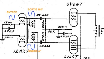
Les tubes déphaseurs
On appelle couramment ce tube : la déphaseuse. Elle a pour fonction de prendre un signal à son entrée et d’en sortir deux. Les deux signaux sont :
- De même amplitude (autant que possible)
- Hors phase à 180°
Comme on le voit sur cette image, elle se situe juste avant l’étage de puissance en push-pull auquel elle fournit les deux signaux en opposition de phase :

À partir de là, il existe deux topologies principales dans les amplis de guitares, avec des sous-variantes :
- Celle qui, avec un tube, utilise une seule des triodes. La variante la plus commune est le montage cathodyne. On le trouve dans quelques amplis de guitares : le modèle le plus connu est probablement le Fender Deluxe des années 1950 (modèle 5E3, époque Tweed). Un déphaseur cathodyne a un gain légèrement en dessous de 1, ce qui revient à dire qu’il n’amplifie pas le signal (au contraire, il occasionne une très légère perte d’amplitude). En revanche, l’autre triode du tube peut-être employée en amont pour booster le signal avant l’étage de déphasage. C’est un montage qui a l’avantage de sa simplicité, mais qui n’est pas très linéaire et qui peut être instable lorsque le tube entre en saturation.
- Ou la topologie avec un tube, encore une fois, mais qui emploie les deux triodes. La plus courante dans les amplis de guitares est le déphaseur de Schmidt. Cette topologie requiert plus de composants et le bon appairage, non seulement des composants, mais si possible également des deux triodes contenues dans le tube (surtout en HiFi). Toutefois, si le circuit est bien réalisé, c’est un montage très stable, qui supporte bien la saturation. Là aussi le gain est proche de 1.
Tubes du circuit de réverbe
Rares sont les amplis qui utilisent encore un système de réverbe à tubes, comme on pouvait en trouver dans les amplis américains des années 1950 et 1960. De nombreux amplificateurs emploient aujourd’hui soit une réverbe numérique, soit une réverbe à ressort dont le circuit d’amplification est basé sur des amplis opérationnels.
Lorsque l’on trouve dans un ampli un véritable circuit de réverbe à tubes, celui-ci utilise généralement un ou deux tubes à double triode : d’abord une ou deux triodes qui auront pour seule fonction de pré-amplifier le signal à l’entrée du caisson de réverbe. On peut nommer cet étage « étage de commande » ou « driver » pour ceux qui préfèrent le terme anglais. On trouvera ensuite une triode en sortie de caisson, qui servira à amplifier le signal réverbéré, avant de le mélanger au signal non réverbéré (ce mélange est géré par un potentiomètre qui atténue plus ou moins le signal réverbéré).
On peut voir ci-dessus, en bleu, le trajet du signal allant au caisson et en ressortant, par rapport au trajet principal du signal (en rouge).
Tubes du circuit de trémolo
Les circuits de trémolo/vibrato à tubes sont nettement plus complexes. Ils sont classables en trois grandes catégorie :
- Les trémolos qui agissent directement sur le bias des tubes de puissances, ou d’un des tubes de préampli. Ils sont généralement formés d’une seule triode (généralement la moitié d’un tube double triode) qui fonctionne comme un oscillateur dont la vitesse est réglable. Son oscillation fait fluctuer le point de biasing des tubes de puissances (ou sur certains amplis, du dernier tube de préampli avant la section de puissance). L’effet est très flatteur à l’oreille, très prisé par de nombreux passionnés des amplis à tubes, mais ces montages ont des défauts importants, parce qu’ils influent sur une caractéristique qui (comme on l’a vu la dernière fois) a un impact direct sur la longévité des tubes de puissances. On recommande donc parfois d’utiliser ce type de trémolo à des puissances modérées, pour ne pas trop user prématurément les tubes.
- Les trémolos harmoniques, qui sont les plus « ésotériques » et rares : on en trouve sur quelques amplis Fender des périodes dites « Brownface » et « Blonde ». Ils ont la particularité d’occasionner une légère variation de la hauteur de la note en même temps que son oscillation d’amplitude. Ils sont plus complexes, car ils nécessitent des circuits avec de nombreux composants, et au minimum quatre triodes, c’est-à-dire deux tubes de préamplification.
- Les trémolos « optiques » : ceux-ci sont simples à réaliser et à modifier – une ou deux triodes sont nécessaires, un seul tube donc, qui ne sert que d’oscillateur (le signal ne passe pas par lui). Ce tube sert à alimenter une petite ampoule, ou une LED, qui va donc clignoter. Cette ampoule est placée face à une photorésistance (ou LDR pour light dependant resistor en anglais) : c’est un composant qui change sa résistance selon la lumière qu’il capte. Il suffit ensuite de placer cette résistance entre le signal et la masse : lorsque l’ampoule clignote, chaque petit flash de lumière fait chuter la résistance, et le signal se retrouve shunté à la masse. Dans ce type de trémolos, l’utilisation d’un tube est absolument obsolète aujourd’hui : un ampli opérationnel fait parfaitement l’affaire sans rien changer à la sonorité du trémolo.
Tube redresseur
Nous finissons cet article sur un tube très différent, le tube redresseur, également appelé couramment la redresseuse. Il est utilisé dans l’alimentation de certains amplis.

Il s’agit donc du modèle originel du tube à vide : rappelez-vous, nous l’expliquions ici, avant l’introduction de la triode, il y avait la diode à vide. Pour en comprendre le fonctionnement, je peux déjà vous renvoyer à cet article, qui concernait le redressement dans les alimentations : c’est relativement similaire, il s’agit là aussi d’un redressement double alternance où, au lieu de deux diodes silicium, on utilise un tube contenant deux diodes (si l’on veut être exact, le tube contient un filament, nécessaire au chauffage, une cathode commune et deux anodes).
Expliquons succinctement le fonctionnement : la tension alternative du secteur, une fois traitée par le transformateur, va venir polariser l’une après l’autre chacune des deux diodes contenues dans le tube (l’une après l’autre car il s’agit toujours d’une tension alternative, comme le secteur dont elle est issue, et donc son courant va dans un sens puis dans l’autre). À tour de rôle ces deux diodes deviennent conductrices : mais le courant qui traverse chaque diode va, lui, dans un même sens (le courant ne peut traverser une diode que dans un sens). À la sortie du tube on se retrouve donc un courant alternatif redressé, qui ressemble maintenant à une série de pulsations positives.
Y a-t-il un avantage à utiliser un tube de redressement ? Ou est-ce exactement comme avec des diodes à semi-conducteur ?
Eh bien, avantage peut-être pas, mais particularité oui : premièrement un tube redresseur a un temps de démarrage, comme tous les tubes (le temps que son filament chauffe, tout simplement). Il assure donc à l’ampli un démarrage en douceur, il permet aux condensateurs de filtrages de se charger plus lentement… Bref, avec un tube de redressement, pas besoin d’utiliser le stand-by (mais d’ailleurs, le stand-by est-il vraiment utile ? On en parlera au prochain article…).
Deuxièmement, un tube redresseur a une particularité : lorsque le signal qui passe par l’ampli de puissance est très fort (signal très saturé, avec un gain élevé à la sortie du préampli), l’ampli de puissance va avoir besoin de beaucoup de courant. Plus l’alim fournit ce courant, plus la résistance interne du tube de redressement (importante) va causer une chute de tension (légère) au niveau des anodes des tubes de puissances. L’alimentation des tubes de puissances va donc connaître des variations avec l’intensité du signal, ce qui agira comme un léger effet de « compression », et aura tendance à réduire l’amplitude dynamique de l’ampli de puissance (son headroom). Cet effet, que l’on nomme souvent du terme anglais sag, n’a lieu que dans les amplis en push-pull travaillant en classe AB.
Dans le prochain article, le dernier de la série, nous traiterons de quelques questions subsidiaires, qui n’ont pas encore trouvé de réponse dans les articles précédent.




