L'alimentation, c'est le coeur du circuit : c'est elle qui fournit l'énergie nécessaire au fonctionnement de l'appareil. Elle constitue donc un élément crucial dans toutes nos pédales, amplis, interfaces... Cette semaine, nous nous penchons sur quelques unes de ses fonctions de bases.
En préambule, je signale que dans ces articles nous éviterons de parler des alimentations à découpage. Certes, on en trouve pourtant couramment aujourd’hui, en particulier dans des appareils qui traitent des signaux numériques mais, auparavant, elles étaient généralement absentes des appareils analogiques, appareils dont proviennent la majorité des exemples auxquels nous faisons appel dans cette série.
Trève de préambule : cette semaine, nous allons tenter te donner un aperçu rapide de ce que fait une alimentation, ce que l’on attend d’elle, et des défauts qu’elle cherche à éviter ou à éliminer.
Principes de base

De ce fait, la première exigence pour tout circuit d’alimentation, c’est d’être dimensionné de manière à pouvoir fournir cette énergie avec un minimum de pertes (dissipées pricipalement sous forme de chaleur). Nous parlons à ce propos de rendement.
On peut définir tout circuit d’alimentation selon trois objectif nécessaires :
- L’objectif basique d’une alimentation dans un appareil électronique et en premier lieu de convertir la tension secteur en une ou plusieurs tensions adéquates pour le fonctionnement de l’appareil. Ces tensions peuvent être aussi bien inférieures (ce qui est généralement le cas dans les appareils à transistor) que supérieures (comme souvent dans les appareils à tube) à la tension secteur.
- En deuxième lieu, notre alimentation a pour fonction le redressement et le filtrage : c’est-à-dire de convertir une tension alternative (tension CA) en une tension continue (tension CC).
- En troisième lieu, une alimentation bien conçue a pour fonction de réguler les tensions et les courants qu’elle fournit au reste du circuit. Cette régulation a pour but de limiter la reproduction des variations du « secteur » dans l’appareil.
Ce sont les trois fonctions de base d’une alimentation. Il y a bien évidemment d’autres éléments que l’on exigera d’une alimentation (bon rendemment, limitation des rayonnements magnétiques…) mais pour cette semaine, on se concentrera sur les deux premiers points évoqués ci-dessus, en étudiant les solutions qui ont été trouvées pour répondre à ces exigences.
Première étape : Transformation
Comme le titre de cette partie l’indique, nous allons bien évidemment parler de transformateur. Je vous renvoie immédiatement à la courte partie que nous lui avions consacré dans l’article sur les inductances.
Comme je l’avais alors expliqué, un transformateur fonctionne selon un principe de rapport : deux bobines se font face, leurs nombres de spires (d’enroulements) ne sont pas égaux. Une tension est appliquée à l’enroulement d’entrée, que l’on nomme le primaire, et une seconde tension apparait aux bornes de l’enroulement de sortie, que l’on nomme le secondaire. Le rapport du nombre de spires entre le primaire et le secondaire (par exemple 2 pour 1) se retrouvera dans la transformation de la tension : dans notre exemple une tension d’entrée de 220 V nous donnera 110 V en sortie.
Comme précisé auparavant, ce comportement est largement théorique, étant donné que dans la réalité les transformateurs sont sujets à de nombreuses pertes et interactions, qui joueront sur leur efficacité réel.
Un transformateur a également pour intérêt de permettre l’isolation galvanique entre le primaire et le secondaire, et donc entre le secteur et le reste du circuit.


On peut également trouver, dans de nombreux appareils, des transformateurs avec plusieurs secondaires. Ci-dessous l’exemple d’un vieux transformateur venu d’un ampli à tubes Geloso, sur lequel sont clairement indiquées (entourées en vert) différentes tensions primaires (ainsi que leurs cosses de raccordement), puis différents secondaires (en rouge), fournissant différentes tensions, et servant à alimenter différentes parties du circuit. Dans l’exemple ci-dessous, la tension la plus élevée (317 V) servira à alimenter les anodes des tubes, tandis que la tension 6,2 volts, servira seulement à alimenter leurs filaments (la partie que vous voyez briller dans les tubes de vos amplis).
Deuxième étape : Redressement
Le redressement (rectifying en anglais) consiste en la transformation du signal CA à la sortie du transfo en une pulsation continue.
Ce redressement s’effectue grâce à des diodes, qui peuvent été implémentées selon trois formes principales : le redressement simple alternance, le redressement double alternance, et le redressement double par pont de Graetz.
Le redressement simple alternance est rarement utilisé dans les appareils audio, à l’exception notable des amplificateurs à tube, dans lesquels on l’utilise pour une fonction : le redressement de la tension de polarisation grille des tubes de puissance, plus connue sous le nom de tension de biasing.
Nous nous concentrerons donc, dans cette partie, sur le redressement double alternance, implémenté soit à l’aide de deux diodes, soit à l’aide d’un pont de quatre diodes (Pont de Graetz).
Comment ça marche ?

Cette dérivation va être reliée à la masse, et sera donc maintenue à 0V. C’est par elle que le courant aura un point de retour : autrement dit, elle ferme véritablement le circuit : on peut partir de n’importer qu’elle borne et faire une boucle à travers la résistance, qui représente la charge alimentée. Grâce aux deux diodes, chacune installée en série avec une des bornes du secondaire, on va pouvoir tirer parti de cette alternance positif-négatif : chaque fois qu’une diode verra une tension positive à ses bornes, elle laissera passer le courant, tandis que l’autre verra une tension négative, et bloquera le courant. Lorsque le sens du courant alternera, les rôles de diode conductrice et bloquante s’inverseront.

Dans le cas d’un transformateur sans dérivation centrale, on utilisera un pont de 4 diodes. Le principe de l’alternance positive/négative à la sortie du transformateur reste similaire.

Un pont de diode, dans la réalité, peut être créé en raccordant quatre diodes, ou en utilisant directement un composant qui les contient :
Et maintenant que faire de ce courant pulsé ?
Troisième étape : Filtrage
Le signal pulsée que nous obtenons peut-être compris comme rassemblant une composante continue avec un caractère venu du courant alternatif : le courant ne présente plus de changement de sens, mais garde une variation dans le temps. Pour obtenir à partir de ce courant pulsée, une vraie alimentation continue, il va être nécessaire de filtrer (c’est-à-dire d’éliminer) le caractère alternatif. Comment réalise-t-on cela ?
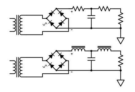
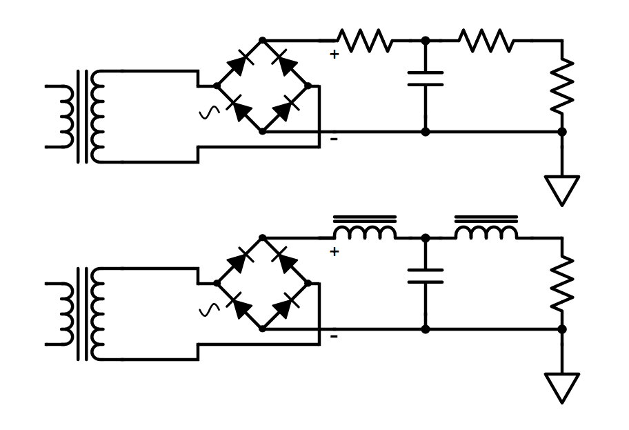
Le premier élément sur lequel nous pouvons compter pour ce filtrage est le condensateur. Comme nous l’avons déjà vu dans ces colonnes, un condensateur n’a pas le même comportement avec un courant CC ou CA, et il peut servir à bloquer l’un, ou à éliminer l’autre. Dans notre cas, on va installer un condensateur en mode shunt, c’est-à-dire en parallèle avec la sortie du pont de diodes, entre le signal et la masse.
Dans cette configuration, le condensateur va se charger durant la montée de la pulsation, atteindre sa charge maximale au moment de la crête de la pulsation, puis se décharger lorsque la pulsation diminuera. Ainsi lorsque la tension retourne à zéro, le condensateur délivre sa charge, et une tension presque équivalente à la tension crête apparaît alors à ses bornes. On peut simplifier cela en disant que le condensateur « prend le relais » de la pulsation, et permet de maintenir une tension plus ou moins constante. C’est pour cela que l’on dit souvent qu’un condensateur a pour particularité de s’opposer aux changements rapides de tension (nous avions vu cette notion dans notre article sur l’impédance).

Pour se faire, deux solutions existent :
La meilleure consiste à utiliser une inductance en série. Comme nous l’avions vu précédemment, une auto-inductance (choke en anglais) aura un effet similaire à celui du condensateur, mais sur l’intensité du courant : elle s’oppose à ses variations rapides. Ainsi, dans notre circuit, l’auto-inductance limitera le pic de courant, en plus de fournir un lissage supplémentaire de l’ondulation. Cette solution est particulièrement pratique lorsque l’on doit limiter la taille des condensateurs (par exemple, dans un ampli dont le redressement se fait par tube). L’auto-inductance a toutefois deux défauts : son coût (les inductances sont chères) et sa place (elles sont grosses).
Une solution moins coûteuse et plus discrète consiste à utiliser des résistances en série, pour limiter le courant dans le circuit. Le défaut principal de ce montage est que les résistances, en s’opposant au passage du courant, vont dissiper, sous forme de chaleur, une partie de la puissance délivrée par le circuit : elles occasionnent donc des pertes plus importantes que les inductances.
Quelle que soit la solution choisie, on pourra faire s’enchaîner les inductance ou les résistances en série, ou les deux (c’est souvent la meilleure solution), et ainsi on obtiendra des diviseurs de tension : comme on le voit sur le schéma ci-dessus, l’enchaînement des résistances (ou des inductances) crée un diviseur : le point central entre les résistance fournira une tension particulière, le point entre la senconde résistance série, et la résistance de charge, une autre tension (plus basse). Ainsi, notre alimentation délivrera différentes tensions, pour différentes parties du circuit…
La semaine prochaine nous aborderons la régulation de tension et de courant, et nous commençons à jeter un oeil aux alimentation bipolaires.








