Aujourd'hui, j'ai sauvé...
- 2 910 réponses
- 161 participants
- 297 073 vues
- 189 followers

Al1r


Voici le dernier sauvetage:
Arracher de la décheterie, un petit coup de chiffon (pour les traces de nicotines) et de compresseur (pour la poussière), il fonctionne parfaitement

Je vous invite a poster vos sauvetages

[ Dernière édition du message le 04/04/2015 à 18:59:38 ]

Djeeloo


L'esprit c'est comme un parachute: Il marche mieux quand il est ouvert.

plcv83



à l'allumage tout fonctionne sauf 3 touches au centre. vue l'état du clavier et de l’intérieur rien d'étonnant.


les pistes des capteurs de vélocités sont HS, le carbone (?) qui doit faire contact à partiellement disparu.

J'ai trouvé la pièce de remplacement mais je me pose la question: est ce que ça se répare ce genre de contact?
De plus les touches, principalement du centre, sont bouffées comme si il y avait eu de l'acide pour les faire fondre et sont tachées.
une idée pour les nettoyer?
même si je craint fort que ce soit possible vu l'état. J'ai déjà essayé l'alcool, l'essence F.... rien n'y fait.
Merci d'avance.

venuxdeluxe

"The music business is a cruel and shallow money trench, a long plastic hallway where thieves and pimps run free, and good men die like dogs..............
There's also a negative side."

Will Zégal

J'en ai eu un pendant longtemps. Je l'ai vendu à un pote vu qu'il ne me servait pas. J'en ai racheté un plus tard.
A nouveau revendu car remplacé par un Novation Remote SL25, mais le A-30 est très léger et pratique.
Si ça n’intéresse personne, je le prendrai peut-être pour le fiston d'une amie qui se met à la musique. Il faut que je lui demande.

Nounoutt'

Salut les sauveteurs ! Je ne fais pas la "promotion" de mes annonces.
Je souhaite juste que deux claviers maîtres que j'ai chez moi ne finnissent pas à la poubelle.
Ils ne sont pas en exxellent état mais avec un peu de bricolage, ils seront rapidement sur pied. Cest pour cela que je les donne.
N'hesitez pas si ca vous botte pour vos devoirs de vacances.
Salut à tous... bah moi ça me dirais bien le edirol, c'est quoi les symptomes...? ça à l'air grave docteur ?



pierrotlo24

Symptomes :
1) plus aucune entrée, sur les huit, ne fonctionnent
2) évidemment plus aucune sorties
3) la connexion USB est bonne. Les entrées sorties apparaisse parfaitement dans le graphe de mon daw.
4) le 48 V est bon et le 12 V est ok, les LED s'allument correctement
J'ai démonté et commencé par vérifier les condos. Aucun n'est gonflé.
Maintenant je vais examiner attentivement les soudures, histoire de voir s'il n'y en pas une de froide.
J'ai peu d'espoir, mais bon on verra.

Rémy M. (chimimic)

je me suis attaqué à la réparation (possible !?!) de ma Behringer UMC 1820.
1) plus aucune entrée, sur les huit, ne fonctionnent
Essayer d'enregistrer avec les deux premières entrées 1-2 et avec les deux dernières 7-8 et vérifier s'il y a du bruit de fond avec ces deux paires.
Si oui, c'est bon signe, pb sur section analogique (mais j'en doute, si les 8 entrées sont affectées).
Si non, peut-être panne d'un ou des deux convertisseurs A/D-D/A CS42448 et CS4272 (ou pb alim de ces derniers).
Formateur en techniques sonores ; électronicien ; auteur @ sonelec-musique.com

Elka21

[ Dernière édition du message le 02/08/2024 à 19:25:43 ]

Al1r

Sauvez de la benne aujourd'hui... pour le fun

Pas de dégâts apparents à première vues.
Mise sous tension... pas de fumée mais pas de son!
Après un check des potards... celui de gain casse; visiblement gavé de colle.
Replacement du dit potard et nouveau test.
Des craquements me donnent des signes de signal jusqu'au haut-parleur, c'est bon signe.
Nouveau test avec un micro...Rien!
Est-ce un problème d'impédance du micro? Ou un panne possible au niveau du préampli?


Will Zégal


xavierbzh

Sauvez de la benne aujourd'hui... pour le fun
Pas de dégâts apparents à première vues.
Mise sous tension... pas de fumée mais pas de son!
Après un check des potards... celui de gain casse; visiblement gavé de colle.
Replacement du dit potard et nouveau test.
Des craquements me donnent des signes de signal jusqu'au haut-parleur, c'est bon signe.
Nouveau test avec un micro...Rien!
Est-ce un problème d'impédance du micro? Ou un panne possible au niveau du préampli?
![]()
Il faut peut être remplacer tous les potards. J'ai récupérer un Marshall qui déconnait à plein pot. J'ai remplacer tout les potards part des originaux (à cause de la longueurs des potards) et maintenant il fonctionne à merveille.
[ Dernière édition du message le 17/08/2024 à 09:48:46 ]

Al1r

C'est pas un ampli guitare ?
Oui, une chinoiserie de 10 Watt.
C'est pour le fun...une envie de lui rendre vie

Il faut peut être remplacer tous les potards.
Vu qu'il était démonté, j'en ai profité pour vérifier les autres.
Ils sont encore en bon état.
Celui du gain était bloqué parce que le propriaitaire précédent avait bourré de la super glu pour fixé le cabochon

Résultat, le potard est complètement bloqué, il a cassé lorsque j'ai voulu le démonté.

venuxdeluxe

Vérifie aussi le fusible ......Je sais c'est tout bête mais ça arrive ....
"The music business is a cruel and shallow money trench, a long plastic hallway where thieves and pimps run free, and good men die like dogs..............
There's also a negative side."

Al1r

Vérifie aussi le fusible ......Je sais c'est tout bête mais ça arrive ....
Déjà fait

Je vais refaire un test micro.

Al1r

Avec un testeur de continuité, suivre le chmin du dignal depuis le commencement: l'entrée jack
Du jack au circuit: OK

Par contre, de la soudure signal vers la première resitance du circuit, plus rien! je soupçonne une micro coupure.
Je vais donc refaire cette soudure! Et retester


Al1r

Restauration terminée.
Bilan:
- remplacement du potard collé
- refection de circuit d'entrée, une soudure
- par précaution, soudure du câble de masse (usure à force de démontage)
Roulez jeunesse!

[ Dernière édition du message le 20/08/2024 à 14:24:25 ]

kosmix


Putain Walter mais qu'est-ce que le Vietnam vient foutre là-dedans ?

Anonyme


tetoskare

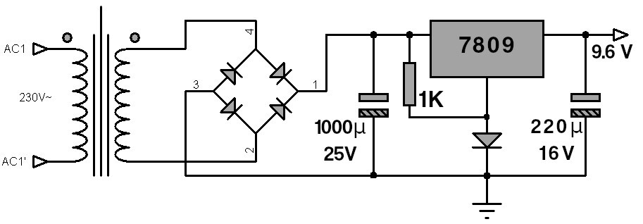
C'est un modèle que j'aime bien, je l'ai découvert en bricolant avec un pote et était assez surpris de trouver un vrai circuit avec régulation de tension dans une petite alim pas chère:
https://www.thomann.fr/electro_harmonix_eu96_dc200_bi_netzteil.htm
Par contre j'ai remarqué qu'il y a deux générations pour ce même modèle, et ai donc une nette préférence pour l'ancienne, qui avait des composants traversants et un régulateur en boîtier TO-220. Les nouveaux modèles semblent globalement plus fragiles, le circuit est en composants de surface (sauf les condensateurs), et le régulateur est en DPAK. Bouh !
Du coup je la conseille à mes ami.e.s (ça reste quand même beaucoup plus propre que les fichus alims à découpage premier prix qui injectent une ondulation très audible dans les pédales, qui plus est dans un medium-aigu qui peut varier selon la charge !) et ai hérité de ces deux boîtiers en panne.
J'ai refait le schéma ci dessous. Petite astuce : la diode entre la patte centrale du régulateur et la masse, pour délivrer 9.6V, et probablement avoir un vrai 9V à l’intérieur de la pédale une fois que la tension aura traversé la diode en série qui protège contre les inversions de polarité. Pour moi la plupart des pédales fonctionne tout aussi bien entre 8 et 12V, mais bon ça fait pas de mal de voir que les choses ont été pensées et ajustées.

Symptôme sur la première alimentation : fils + et - en sortie dénudés qui ont fait un court-circuit, le régulateur a chauffé et en est mort. La tension arrive bien en entrée du régulateur. C'est nul ces régulateurs qui ne se mettent pas en protection, ce n'est pas une de leur fonction ?!
Symptôme sur la seconde alimentation : primaire du transfo coupé (résistance infinie).
Première réparation Frankenstein assez propre en récupérant le transfo de l'alim 1 et le circuit de l'alim 2, donc les parties qui fonctionnaient encore. Je me paye le luxe d'ajouter une diode entre la sortie du régulateur et son entrée, afin de le protéger au moment de la décharge, comme suggéré sur sonelec. Pas grand chose à signaler, ça fonctionne très bien.
Aujourd'hui réparation un peu plus freestyle avec les parties "fumées" qui restent. Le câble de sortie de l'alim 1, raccourci après l'endroit dénudé, et vaguement noué dans de la gaine thermo, pour faire une surface plastifiée qui tient en sortie du bloc d'alim (impossible de récupérer le passe-câble moulé d'origine). Changement du régulateur par un autre 7809 de récupération, en boîtier TO220 pour le coup, montage un peu crado mais ça fonctionne. Et enfin démontage complet du transformateur pour aller trouver le thermo-fusible embarqué dans le primaire. C'est bien là que la continuité s'arrête donc je le bypasse en ressoudant directement la bobine à l'arrivée du 220V, puis je remonte le tout comme je peux. Test: zut le primaire est encore ouvert, dans ma manip l'autre fil de bobine s'est coupé. Je tire quelques millimètres, gratte un peu le vernis et ressoude ça rapidement. Ok la continuité est revenue.
J'avais déjà fait le coup de bypasser un termo-fusible dans une table de mixage qui avait pris du 380V sur un festival, en me disant "bon, on ne meurt que deux fois", et la table fonctionne toujours aujourd'hui sans soucis. Je sais que c'est un peu "risqué" mais là j'en appelle à vos connaissances: à votre avis que ce passe t'il si il y a de nouveau un soucis avec cette alim, sans fusible ce coup-ci ?
Est-ce que le fil du primaire brûle et se coupe, et basta (effet fusible gratos) ? Est-ce qu'il pourrait fondre son vernis et créer une spire en court circuit ? Auquel cas, les disjoncteur de la maison sautent immédiatement, ou bien l'alim prend FEU ?!!
En tout cas petite galère pour remonter le noyeau magnétique fait de E et de I intercalés, c'est pas trop mal remonté, mais évidement il en manque un de chaque que je n'ai pas réussi à forcer. Résultat, le noyeau n'est plus aussi serré qu'avant, et quand on branche l'alim sur secteur, on entend très clairement sa vibration ! Nul doute que ça transmettra un certain buzz à certaines pédales, mais à tester... Il y a déjà eu un léger mieux en refermant la boite, où le transfo est quand même assez bien "tenu", et si je serre un peu le plastique avec mes doigts, ça atténue encore un peu les vibrations.
Bon c'est un peu mieux que tout bazarder à la poubelle mais cette deuxième alim réparée est peut être un peu dangereuse et bruyante.

Al1r


Déjà propriètaire d'une table DX1000, je voulais remplacer une autre table de mixage très ancienne (JB SYSTEM SA101 de près de 40 ans) qui montre des signes de fatigue par une petite soeur identique.
J'ai donc prospecté sur le marché de 2eme main et j'en ai finalement trouvé une qui me semblait plutôt bien pour 60€.
Il s'avère qu'elle n'est pas si bien que cela...
A l'allumage, le lampe témoin ne s'allume pas ---> premier constat, elle est morte; çà se remplace mais il faut tout démonter

Le reste, tout semble normal, sauf...
que les curseurs sont vachement poussièreux,
que les boutons de sélection Phono/line sont un peu capricieux (crasse aussi?)
que le canal 3 sature le PFL même sans signal en entrée...
Bref, j' ai décidé d'ouvrir la bête pour un bon nettoyage...
et le démontage commence...
par la carte "Master"...
la carte des preamps ensuite...
La carte I/O (pas de photo

Après récupération de la doc, des schémas et service manuel sur la toile.
Nettoyage des potards et contacteurs en cours...
Vérification des tensions de services en cours...
Suite au prochain numéro,

[ Dernière édition du message le 09/11/2024 à 12:39:14 ]

xavierbzh


Al1r

Vu le type de résistance, ça n'a pas l'air si vieux… ou c'est moi qui veilli plus que je le pense ?
La DX1000, une petite vingtaine d'années, je pense...
Et la SA101 (sur la photo), je l'ai achetée en '82 ou '83 si ma mémoire est bonne

[ Dernière édition du message le 09/11/2024 à 20:33:08 ]

xavierbzh


.: Odon Quelconque :.

Et la SA101 (sur la photo)
Intéressant, cet hybride de Thinkpad avec un écran et la connectique derrière. C'est un ex-terminal de point de vente ?

« What is full of redundancy or formula is predictably boring. What is free of all structure or discipline is randomly boring. In between lies art. » (Wendy Carlos)

Al1r

je posais la question car il y a énormément de résistance SMD… the horror :D
En effet, çà me fait un peu peur...

Intéressant, cet hybride de Thinkpad avec un écran et la connectique derrière. C'est un ex-terminal de point de vente ?
C'est un PC qui a servit au bureau d'accueil du forum demo chez IBM à Bruxelles.
Connectique audio Line in/out Mic sur le côté droit avec deux USB 2
Et deux autres USB à l'arrière.
Sous l'écran, amovibles, un lecteur CD et un lecteur diskette 3" double face 2"88 (IBM of course

Tourne encore sous Windows XP; plus de connexion avec Internet par sécurité.
Je l'utilse comme juke box avec MixVibe 5 et Sound Forge 8.
[ Dernière édition du message le 10/11/2024 à 19:43:02 ]
- < Liste des sujets
- Charte