Prenons un circuit archi connu, qui paraît tomber sous le sens, et essayons de comprendre comment il fonctionne ! Cette semaine, je vous propose de commencer à appliquer certaines notions théoriques que nous avons abordées dans les articles précédents, en nous penchant sur un cas concret.
On va commencer tout doux, et complexifier les choses article après article. Pour cela, nous allons commencer en nous focalisant sur les concepts d’atténuateur et de filtre passif. Dans un premier temps, on va prendre un exemple tiré du réel, et connu de tous, un exemple rès simple et qui nous permettra de commencer à employer des notions et des calculs vus dans les articles précédants : le double contrôle volume/tonalité, celui que l’on trouve sur une guitare (ou une basse, ou un Rhodes… c’est pareil). Cet article est donc pensé pour les plus débutants, pour qui j’essaierai de décortiquer ce circuit et d’expliquer la fonction de chaque composant. Que les lecteurs plus chevronnés se rassurent, on complexifiera progressivement les choses dans les prochains articles.
De zéro à onze
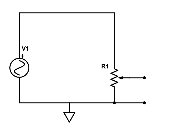
Pour notre étude, nous omettrons le sélecteur de micro (ou nous considérerons que la guitare n’a qu’un micro, ce qui revient vraiment au même). Un micro est un transducteur, générateur de tension alternative, nous le symboliserons donc de la façon suivante :


Donc, qu’est-ce que l’on voit maintenant dans le schéma ? Une source de tension alternative V1, et deux résistances (fictives) R1 et R2.
Si vous regardez bien le schéma, cela vous rappelle peut-être un montage que nous avons déjà étudié : c’est un pont diviseur de tension ! Comme je l’avais expliqué, un pont diviseur reçoit une tension à ses bornes extérieures, et génère des tensions plus faibles aux bornes de chaque résistance. La somme des tensions présentent aux bornes de chaque résistance est égale à la tension totale. Nous avions vu son fonctionnement en courant continu (CC), mais ici nosu avons un courant alternatif (CA)… Eh bien, pas de problème puisque dans le cas des résistances, la loi d’ohm valable en CC se translate tel quel en AC. Rappellez-vous, nous l’avons expliqué ici : Z = U/I. Donc pour un signl alternatif, un pont diviseur fait de résistances fonctionne exactement comme en CC.
Le potentiomètre agit donc comme un pont diviseur variable, qui permet d’obtenir à son point central une tension réglable, à partir de la tension générée par le micro.
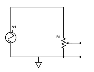
NB : on revient ici à ce que l’on avait dit dans le primier article : des composants passifs ne permettent pas d’amplifier un signal, seulement de l’atténuer. Cette atténuation peut agir sur certaines fréquences de façon sélective (condensateurs, inductances) ou sur toutes les fréquences (résistance). Pour cette raison, un potentiomètre de volume ne permet jamais à proprement parler « d’augmenter le volume » lorsqu’on le tourne. Sa fonction est d’atténuer le volume : donc, en réalité, plus on le tourne, moins on atténue le signal, plus on obtient du volume.
Dans ma guitare

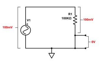
Pour finir sur ce montage, prenons un exemple théorique : disons que, sur une attaque de corde, ce micro produise un signal de 100mV (millivolts) à ses bornes. On insère dans le circuit un potentiomètre linéaire de 100KΩ. Lorsque le potentiomètre est à la moitié de sa course, on obtient un pont diviseur de deux résistances de 50KΩ.
On remarque qu’entre les deux bornes de sorties (ou aux bornes de R2, ce qui revient au même), on obtient une tension de 50mV (atténuée de moitié donc). Si l’on tourne le potentiomètre, on change la valeur de R1 et R2 et l’on fait varier cette tension de sortie.

On peut même atténuer le signal jusqu’au silence : comme on le voit sur le schéma ci-dessus, le générateur et le potentiomètre sont tous deux reliés, sur une de leurs bornes, à la masse (= 0 volts, symbolisé par une « flèche » pointant vers le bas). On peut, en tournant le potentiomètre, augmenter la valeur de R1 et réduire celle de R2. Si l’on tourne le potard jusqu’au bout, on finit avec R1 = 100KΩ, R2 = 0Ω ! R2 devient inexistante : la sortie du système est reliée directement à la masse : la tension de sortie = 0 volts.
Allez, rajoutons un potard de plus…
Passe-moi le bas
Nous allons maintenant ajouter un second potentiomètre pour gérer la tonalité du micro. « Tonalité » est un terme assez flou, d’un point de vue technique. Il faudrait plutôt parler de bande passante, puisque ce deuxième contrôle va nous permettre d’atténuer les aigus du micro. On va donc créer un filtre passe-bas réglable. Comme son nom l’indique il laisse « passer le bas » donc… il coupe le haut.
Comment réaliser cela ? On sait déjà, vu qu’il s’agit d’un potard de tonalité, qu’on va utiliser… un potentiomètre. Mais pour filtrer les fréquences aiguës, il va nous falloir un composant adéquat : un condensateur. On avait rapidement vu cette notion ici et je cite mon propre article : « en théorie, un condensateur idéal s’oppose moins aux fréquences aiguës, et plus aux graves : il a un comportement théorique similaire à un filtre passe-haut. »
S’il laisse passer le haut du spectre audio, il peut donc servir à le conserver (filtre passe-haut) ou à l’éliminer (dans un filtre passe bas). Tout dépend de comment il est implémenté.
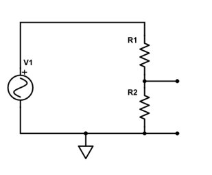
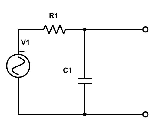
Voilà un schéma classique de contrôle de tonalité :
On a juste ajouté le potentiomètre R2 et le condensateur C1. Comme pour le contrôle de volume, je propose de transformer ce schéma afin d’envisager le potentiomètre R2 comme un réseau de résistances. On obtient donc cela :
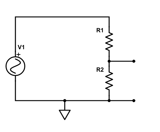
On remarque tout de suite que la résistance R3 ne sert à rien. Elle est laissée flottante et ne fait pas partie du circuit. On peut donc l’enlever.

Et qu’est-ce que l’on retrouve ? Encore un pont diviseur, formé de RV1 et du couple R2/C1 !
Il faut bien garder en tête, pour comprendre son fonctionnement, que le condensateur (C1) présente une impédance différente selon les fréquences (impédance plus forte dans les graves, plus faible dans les aigus) ; en revanche la résistance (R2) présente une impédance égale, peu importe la fréquence : son impédance est seulement fonction de sa valeur résistive.
Du point de vue des fréquences graves, peu importe que la résistance R2 soit diminuée jusqu’à 0Ω, car le condensateur C1 continue de présenter une forte impédance. Mais du point de vue des aigus, R2 est cruciale car C1 est pratiquement à 0Ω ! C’est comme si le condensateur était « invisible » pour elles : plus la valeur de R2 baisse, plus la plage de fréquence aigu se trouve connectée directement à la masse, et donc proche du 0V. On peut même vulgariser ce fonctionnement en disant que moins les fréquences aigus ne rencontrent de résistance de la part de R2, plus elles « passent au travers » du condensateur et vont « se perdre » à la masse.
Le potard de tonalité, c’est donc un atténuateur (comme le volume) mais qui agit différemment selon les fréquences.
Quelques soudures plus tard…

Résistance ultra basse entre leur deux capots, il sont tous les deux à la masse.
La semaine prochaine, on continue sur ces deux contrôles en testant leurs comportements, en proposant d’autres schémas, en étudiant leurs interactions avec le micro…










