Nulla regula sine exceptione, comme disait l'autre. Peut-être bien mais n'empêche, sans régulation, ça serait l'orgie de volts et d'ampères. On continue donc notre exploration des fondamentaux des alimentations électriques, en étudiant ce qui fait qu'à la sortie des alims, ça ne bouge pas d'un iota.
En principe, la régulation va s’opposer aux variations à la sortie du circuit d’alimentation, en les compensant.
Ces variations peuvent avoir deux causes principales (hormis une défaillance d’un composant dans le circuit d’alimentation lui-même, par exemple) : un changement au niveau de la source (variation de la tension secteur, par exemple) ou un changement au niveau de la charge (changement d’un ou de plusieurs éléments alimentés).
Comme nous l’avons vu la semaine dernière, après l’étage de redressement par diodes, une série de filtres RC et/ou LC participe au filtrage de l’alimentation. Grâce à eux, on passe d’une série de pulsations positives (courant redressé, qui possède une composante alternative et une composante continue), à une tension continue, en éliminant au maximum les fluctuations (en filtrant la composante alternative). Pour résumer le principe de ce circuit, on pourrait dire que l’élément C (condensateur) a pour fonction de s’opposer aux fluctuations de la tension, tandis que les éléments R et L (résistance, inductance) s’opposent aux fluctuations d’intensité du courant. Il apparaît donc comme évident que ces filtres RLC participent déjà à une certaine forme de régulation de l’alimentation.
Pour compléter cette approche, nous nous concentrerons aujourd’hui sur les composants et les montages qui permettront de fixer une tension de référence, et de limiter l’incidence des variations (de la tension d’entrée ou de la charge) sur la sortie de notre circuit d’alimentation.
La topologie des circuits de régulation est très diverse, à tel point que nous n’aurons pas le loisir de tous les traiter au cours d’un seul article. Loin de là, même ! Par choix, nous nous concentrerons donc sur trois exemples différents, dont on pourrait dire qu’ils forment la base de circuits plus complexes. Ces trois approches se classent, à l’origine, en deux catégories différentes, qui décrivent leur implémentation :
- Régulation shunt, c’est-à-dire montée en parallèle, entre le pôle positif de l’alimentation et la masse
- Régulation en série, c’est-à-dire dont le composant principal est monté en série avec le pôle positif de l’alimentation.
Ces deux types de montage ne sont pas mutuellement exclusifs, au contraire, puisqu’on va les mixer. Mais pour ne pas trop multiplier les approches, au cours de cet article, nous nous pencherons seulement sur trois exemples fondamentaux : régulation par diode zener, régulation par transistor en série, et par régulateur ajustable.
NB : pour tous les exemples de régulation présentés, il est évident que la tension d’entrée non-régulée n’est pas d’une valeur très éloignée de la tension de sortie. On ne prend pas un transfo qui sort 60V pour obtenir une tension régulée de 5V… Je préfère, malgré tout, le préciser.
Et tu shunt, shunt, shunt…
Le premier mode de régulation que nous allons étudier consiste en la simple utilisation d’une diode zener, utilisée en mode shunt. Avant d’expliquer comment ça marche, voyons un petit résumé sur le fonctionnement des diodes, et plus particulièrement de la diode zener.

Une diode zener, quant à elle, présente la particularité de pouvoir laisser passer du courant en polarisation inverse sans pour autant être détruite. On appelle cette conduction inverse le mode d’avalanche. Au-delà de ce point de bascule, que l’on nomme tension zener (Uz), la diode pourra laisser passer un courant (Iz) aussi important que sa capacité de dissipation lui permettra de supporter.

Ci-dessus vous trouverez une ligne extraite des caractéristiques électrique d’une diode de série BZX85.
À gauche son nom spécifique (BZX85C2V7) où l’on voit déjà que cette diode fournira une tension de référence de 2,7 V. Vous trouvez ensuite sa tension zener (Vz – on noterait plutôt Uz en français), indiquée dans une fourchette entre min. et max. La tension nominale (tension moyenne attendue) et bien indiquée comme étant 2,7 volts. Est ensuite indiqué le courant minimum (Iz) nécessaire au maintien de la diode en mode d’avalanche (80 mA). Pour calculer le courant maximum admissible à travers la diode zener, il suffit le diviser sa puissance dissipée maximum par sa tension zener : ici 1,3 W divisé par 2,7 V – 1,3/2,7 = 0,491 – c’est-à-dire 481 mA.
Comment l’utilise t’on dans une alimentation ?

Quelques points à souligner :
- R1 ne doit pas avoir une valeur trop élevée, pour pouvoir laisser passer assez de courant pour maintenir la diode zener en mode d’avalanche. Elle doit également avoir une puissance admissible adéquate.
- Il est tout à fait possible de monter des diodes zener en série. Dans ce cas-là, la tension zener sera égale à la somme des valeurs des différentes diodes.
- Une diode zener n’est pas un composant parfait : l’augmentation du courant qui la traverse fera monter la tension à ses bornes de sa valeur nominale à sa valeur max. Cela veut dire que pour notre diode zener 2,7 volts, l’augmentation du courant qui la traverse pourra la faire atteindre 2,9 v.
- Autre défaut, les diodes zener sont très susceptibles aux changements de température, qui tend à faire varier leur performance.
- Mais surtout, les performances de ce circuit sont dépendantes du maintien du courant zener entre une valeur minimale et maximale. Le courant qui la traverse est lié au courant qui traverse la charge (elle est montée en parallèle avec la charge, et ne peut pas produire du courant). Elle ne peut donc pas être utilisé pour des charges demandant des courants importants.
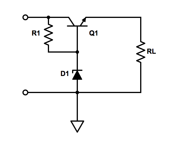
La loi des séries
Pour améliorer la régulation par diode zener, on va lui ajouter un transistor bipolaire en série, qui servira de transistor ballast. Dans cette configuration, le transistor reproduira à sa sortie une tension équivalente à la tension de référence de la diode zener, mais en plus il sera en mesure de générer du courant. En effet, le transistor est utilisé en collecteur commun, montage dont nous avions expliqué qu’il ne produit pas de gain en tension (la tension de sortie sera pratiquement égale à l’attention présente à la base, c’est-à-dire la tension zener). En revanche, il amplifie l’intensité du courant.
Ce montage présente deux avantages principaux :
- En premier lieu, il place moins de demande de courant sur la diode zener, puisque c’est le transistor qui se charge de fournir le courant nécessaire à l’alimentation de la charge.
- En deuxième lieu, toute modification de la résistance de charge entraînera une modification du courant fourni par le transistor, ce qui évitera les changements de tension en sortie du circuit.
À noter cependant : la jonction PN entre la base et l’émetteur (entre l’entrée et la sortie) va causer une légère baisse de tension, de 0,6 V. Ainsi si notre diode zener nous assure une tension de 2,7 volts, la tension en sortie sera de 2,1 volts. De plus, le transistor va être traversé par un fort courant, et va donc dissiper par mal de puissance : il sera nécessaire de le monter sur un radiateur.
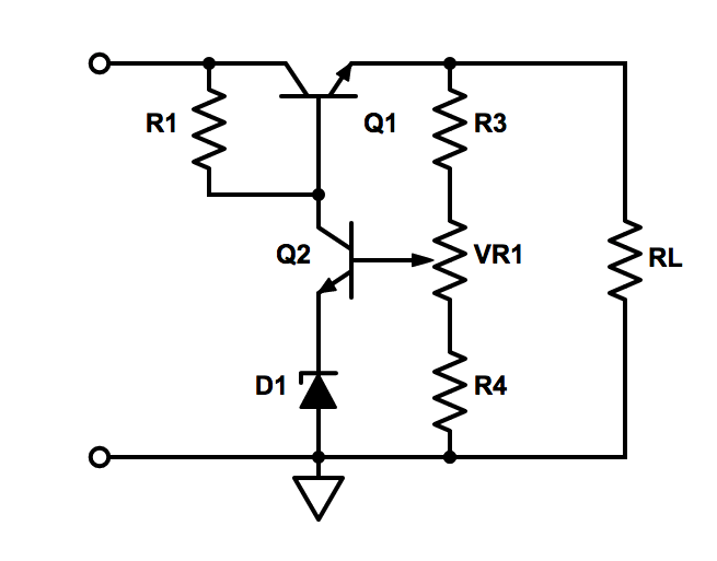
Ce montage peut-être amélioré en lui ajoutant un circuit d’asservissement de la tension de sortie. Ce circuit d’asservissement est, en fait, une boucle de contre-réaction qui va permettre de prélever une image de la tension de sortie et de l’appliquer soit à la base d’un transistor, soit à l’entrée inverseuse d’un amplificateur opérationnel. Je vous présente rapidement ces deux solutions.

Ce circuit a deux propriétés particulièrement intéressantes :
- Tout changement de la tension de sortie aura pour résultat un changement de Uf : Q2 comparant et amplifiant la différence avec une référence fixe (Uz), changera l’intensité de son courant collecteur qui, à son tour, contrôle la base de Q1. Ainsi, si pour une raison ou une autre la tension de sortie venait à augmenter, par un effet de contre-réaction Q1 se retrouverait à conduire moins de courant – et la tension de sortie resterait stable.
- VR1 permet de régler Uf par rapport à Uz, et donc de choisir une tension de sortie. Il s’agit donc d’un circuit générant une tension réglable.
Une version modernisée de ce circuit emploie un asservissement par amplificateur opérationnel. Dans le schéma ci-contre, on voit bien comment l’entrée inverseuse de l’ampli op reçoit la tension-image Uf, et amplifie la différence avec la tension de référence Uz. Nous avons déjà parlé plusieurs fois de l’utilisation des boucles de contre-réaction à l’entrée inverseuse des amplis op, et de comment l’ampli op adapte sa tension de sortie de façon à équilibrer ses deux entrées. Ici l’ampli op adapte sa tension de sortie qui, à son tour, contrôle le courant à travers Q1, son but étant de s’assurer que Uf reste toujours égale à Uz.
Tout-en-un
Une version encore plus modernisée (et qui prend encore moins de place) du circuit que nous venons de présenter prendra la forme d’un régulateur en circuit intégré.
L’implémentation dans les circuits de ces régulateurs est extrêmement simple : une broche sert d’entrée, une broche de sortie, et la troisième est reliée à la masse. À l’intérieur de ces régulateurs intégrés, on retrouve plus ou moins les mêmes choses dans le circuit précédent : un amplificateur opérationnel, un transistor de sortie asservi à l’ampli op, quelques composants qui permettent de limiter le courant et un circuit de protection contre les surchauffes.

Cette tension de sortie peut, malgré son caractère « fixe », être décalée, grâce à l’utilisation d’une diode zener installée entre la borne masse et la masse.
C’est simple : si un régulateur 12V doit générer 12V par rapport à la masse (0V), il suffit que sa borne de référence ne soit pas à 0V pour décaler la tension de sortie. Ainsi, la tension de sortie devient alors plus ou moins égale à l’addition de la tension de sortie annoncée plus la tension de référence de la diode zener (plus ou moins car, comme on l’a vu, les diodes zener ne sont pas ultra précises). Ainsi, un régulateur fixe 12 V, découplé avec une diode zener 5,1 V, sortira 12V au-dessus de 5,1V, c’est-à-dire 17,1 V (ou presque).
Une version particulièrement intéressante de ces régulateurs intégrés prend la forme de régulateurs à tension réglable. La broche de référence (broche de masse) devient alors ajustable grâce à un système le contre-réaction. Comme on peut le voir sur le schéma ci-dessous, la broche est ajustée grâce à un diviseur de tension, formé pour moitié d’une résistance variable (VR1). Une fois l’ajustement effectué, cette résistance variable peut être remplacée par une véritable résistance, qui sera moins sujette aux variations de valeur dans le temps.
À noter : la plupart de ces régulateurs ont une sortie minimale de 1,25 volts.
Les pôles, leurs emplois
En prévision de la dernière partie de cette série sur les alimentations, partie que nous consacrerons à l’étude des tensions et courants dans deux modèles d’alim, il nous faut survoler rapidement la question des polarités dans les alimentations.
En effet, jusqu’ici nous n’avons abordé qu’un seul type de modèle : l’alimentation unipolaire positive, c’est-à-dire une alim qui vise à fournir une tension continue positive par rapport à la masse. Cependant, deux variations, assez évidentes au demeurant, pourrait également être présentées :
En premier lieu, une alimentation unipolaire mais cette fois-ci négative.
Comme on le voit bien sur le schéma ci-dessus, il s’agit tout simplement de la même topologie, mais le rail positif (rail relié à la sortie + du pont de diode) et désormais connectée à la masse. La tension à la sortie de ce circuit est donc prélevée entre le pôle négatif et la masse.

Le filtrage et la régulation de l’alimentation bipolaire suit les mêmes topologies que nous avons étudiées jusqu’ici. Toutefois il est nécessaire de doubler le nombre de composants, et de bien suivre un sens de connection diamétralement opposé. De plus, la nécessité de symétrie dans ces alimentations va nécessairement conduire à une sélection plus pointue des composants. En effet, les performances du circuit alimenté seront indexées sur l’appairage rigoureux des deux rails d’alimentation.
Sur ces quelques remarques, nous concluons cet article théorique, loin d’être exhaustif certes mais qui, je l’espère, vous a permis d’aborder quelques bases. La semaine prochaine nous étudierons la modélisation des courants et tension au sein de différents exemples d’alimentation.







